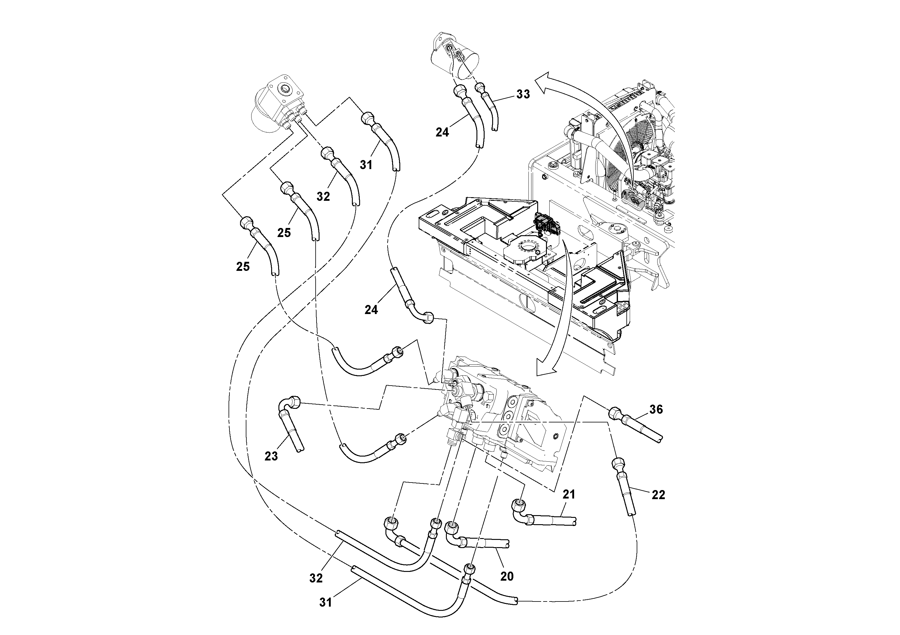
Запчасти Volvo DD132HF/DD138HF/HA/HFA S/N 197527- 82219 Front Hosing Installation

Схема запчастей Volvo DD132HF/DD138HF/HA/HFA S/N 197527- - 82219 Front Hosing Installation
FIT
1:1
100%

Артикул

Название

Примечание

Количество

20

RM 13315585

Hose assembly

1шт.

21

RM 59025726

Шланг

1шт.

22

RM 13315528

Hose assembly

1шт.

23

RM 13402417

Hose assembly

1шт.

24

RM 13365382

Шланг

1шт.

25

RM 13508353

Hose assembly

1шт.

31

RM 13508361

Hose assembly

1шт.

32

RM 13508379

Hose assembly

1шт.

33

RM 13508320

Hose assembly

1шт.

36

RM 59151126

Hose assembly

1шт.

Выбрано товаров: 10