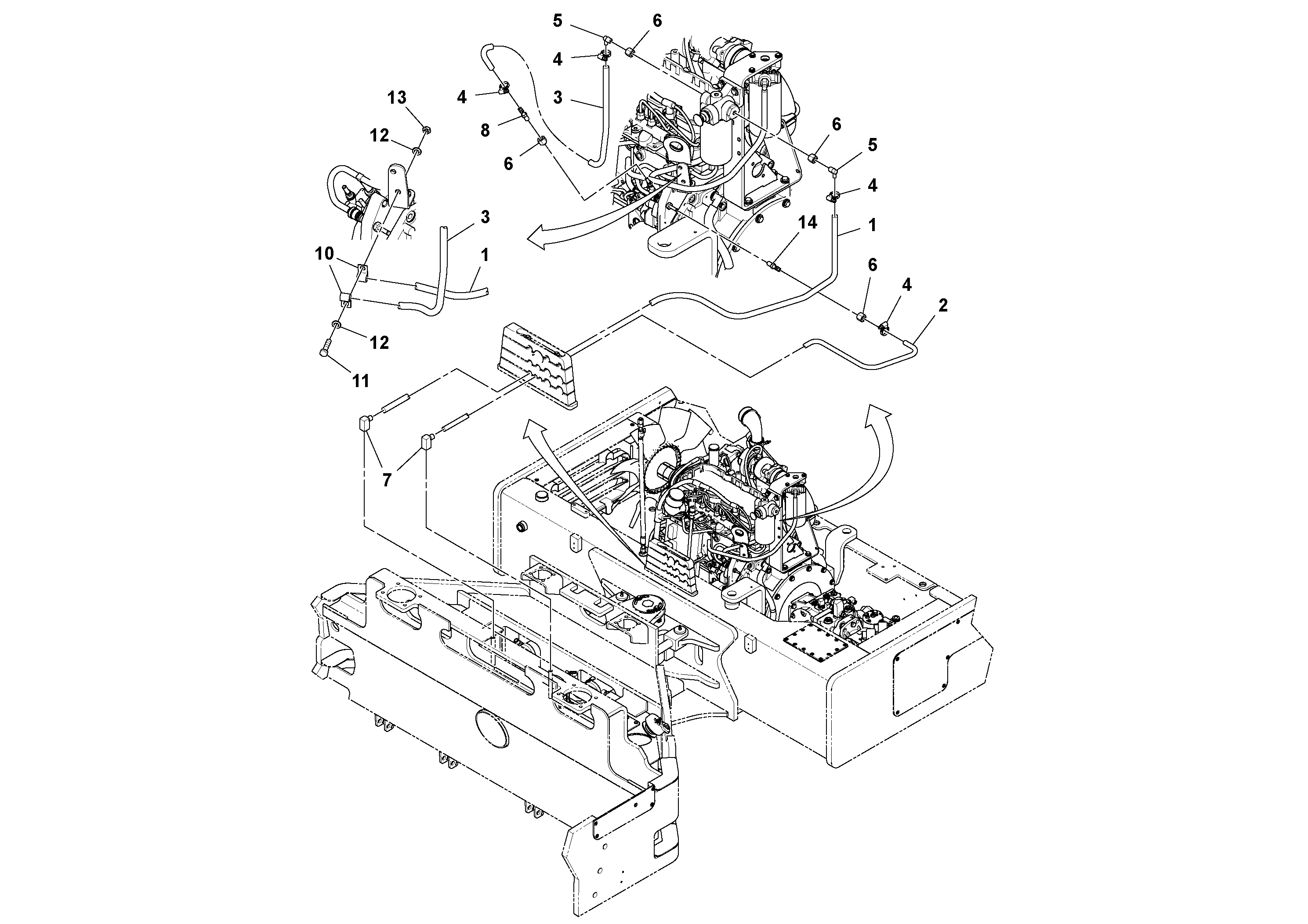
Запчасти Volvo DD132HF/DD138HF/HA/HFA S/N 197527- 38138 Fuel Line Installation

Схема запчастей Volvo DD132HF/DD138HF/HA/HFA S/N 197527- - 38138 Fuel Line Installation
FIT
1:1
100%

Артикул

Название

Примечание

Количество

1

RM 18006833

Hose assembly

1шт.

1

RM 18006833

Hose assembly

1шт.

10

RM 59117333

Зажим

1шт.

11

RM 96705587

Винт шестигранник

1шт.

11

RM 96705587

Винт шестигранник

1шт.

12

RM 96713979

Шайба

1шт.

12

RM 96713979

Шайба

1шт.

13

RM 96704606

Lock nut

1шт.

13

RM 96704606

Lock nut

1шт.

14

RM 59433805

Адаптер

1шт.

2

RM 59098772

Hose assembly

1шт.

3

RM 59470906

Шланг топливный

1шт.

4

RM 59363259

Hose clamp

1шт.

5

RM 21956545

Адаптер

1шт.

6

RM 58943747

Адаптер

1шт.

7

RM 95293379

Адаптер

1шт.

8

RM 59331934

Адаптер

1шт.

Выбрано товаров: 17