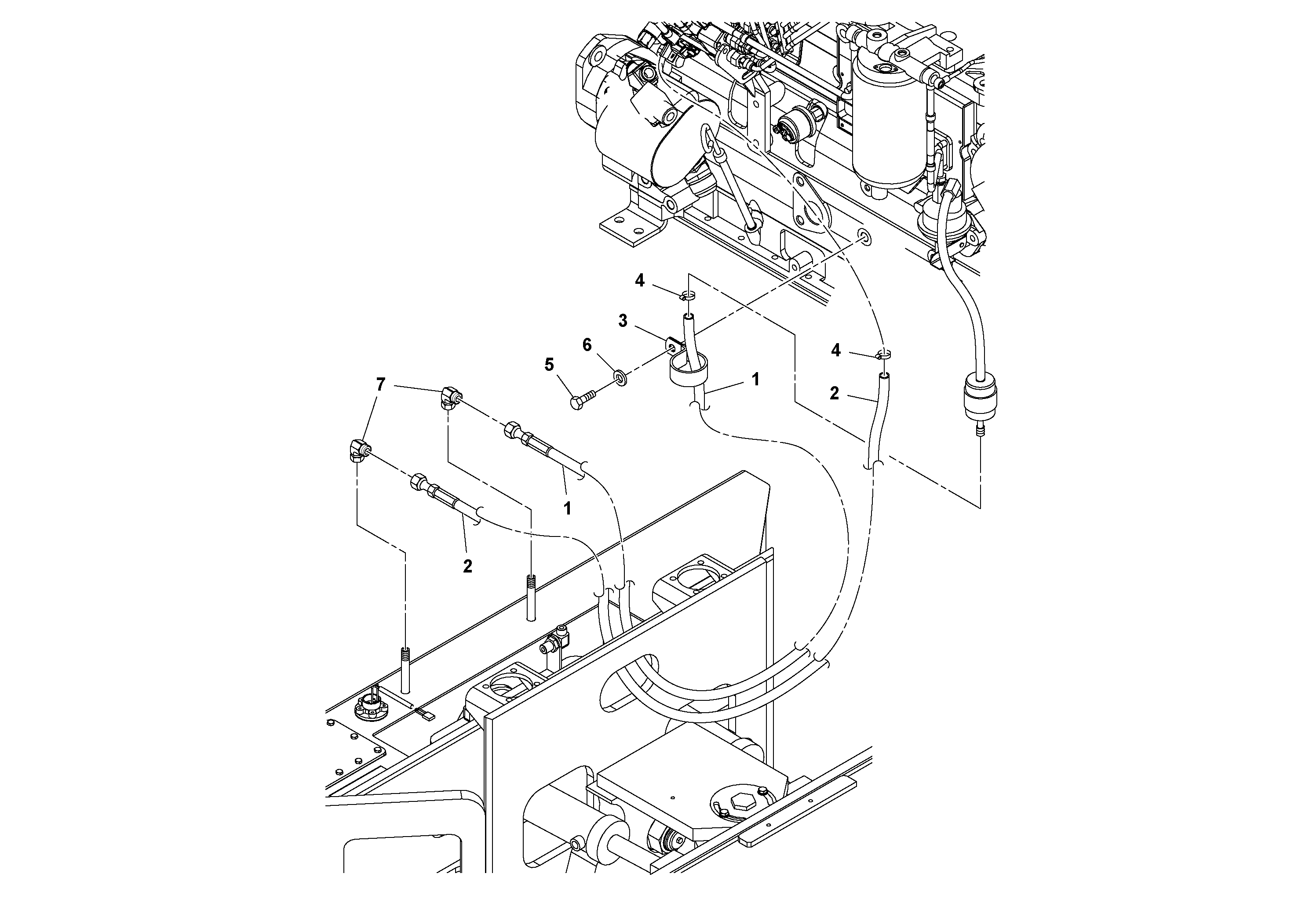
Запчасти Volvo DD132HF/DD138HF/HA/HFA S/N 197527- 46425 Fuel Line Installation

Схема запчастей Volvo DD132HF/DD138HF/HA/HFA S/N 197527- - 46425 Fuel Line Installation
FIT
1:1
100%

Артикул

Название

Примечание

Количество

1

RM 58873639

Hose assembly

1шт.

2

RM 13207584

Hose assembly

1шт.

3

RM 95378873

Hose clamp

1шт.

4

RM 59363259

Hose clamp

1шт.

5

RM 96701495

Винт шестигранник

1шт.

5

RM 96701495

Винт шестигранник

1шт.

6

RM 96704895

Плоская шайба

1шт.

6

RM 96704895

Плоская шайба

1шт.

7

RM 95293379

Адаптер

1шт.

Выбрано товаров: 9