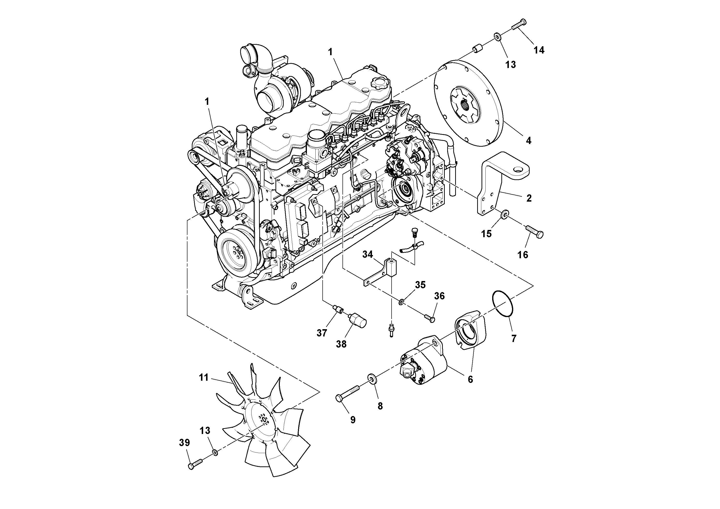
Запчасти Volvo DD132HF/DD138HF/HA/HFA S/N 197527- 105364 Двигатель в сборе

Схема запчастей Volvo DD132HF/DD138HF/HA/HFA S/N 197527- - 105364 Двигатель в сборе
FIT
1:1
100%

Артикул

Название

Примечание

Количество

RM 19295872

Фильтр топливный

1шт.

RM 13886650

Двигатель в сборе

S/N -200159

1шт.

RM 19295856

Starter apparatus

1шт.

RM 43802263

Фильтр топливный

1шт.

RM 13852256

Alternator

1шт.

RM 43919927

Фильтр масляный

1шт.

1

RM 43949098

Двигатель в сборе (Qsb6.7-1)

S/N 200160-

1шт.

11

RM 13157151

Cooling fan suction

1шт.

13

RM 96741046

Плоская шайба

1шт.

13

RM 96741046

Плоская шайба

1шт.

14

RM 95919254

Винт шестигранник

1шт.

15

RM 96738596

Шайба

1шт.

16

RM 96702667

Винт шестигранник

1шт.

2

RM 43862655

Engine anchorage

1шт.

34

RM 43804822

Корпус клапана (коллектор)

1шт.

35

RM 96741038

Шайба

1шт.

35

RM 96741038

Шайба

1шт.

36

RM 96702659

Винт шестигранник

1шт.

36

RM 96702659

Винт шестигранник

1шт.

37

RM 59118513

Адаптер

1шт.

38

RM 13407796

Датчик давления (переключатель, реле)

1шт.

39

RM 96715552

Болт

1шт.

4

RM 13292669

Маховик

1шт.

7

RM 95988739

Кольцо уплотнительное (О-кольцо)

1шт.

7

RM 95988739

Кольцо уплотнительное (О-кольцо)

1шт.

8

RM 96712237

Плоская шайба

1шт.

8

RM 96712237

Плоская шайба

1шт.

9

RM 96704283

Винт шестигранник

1шт.

Выбрано товаров: 28