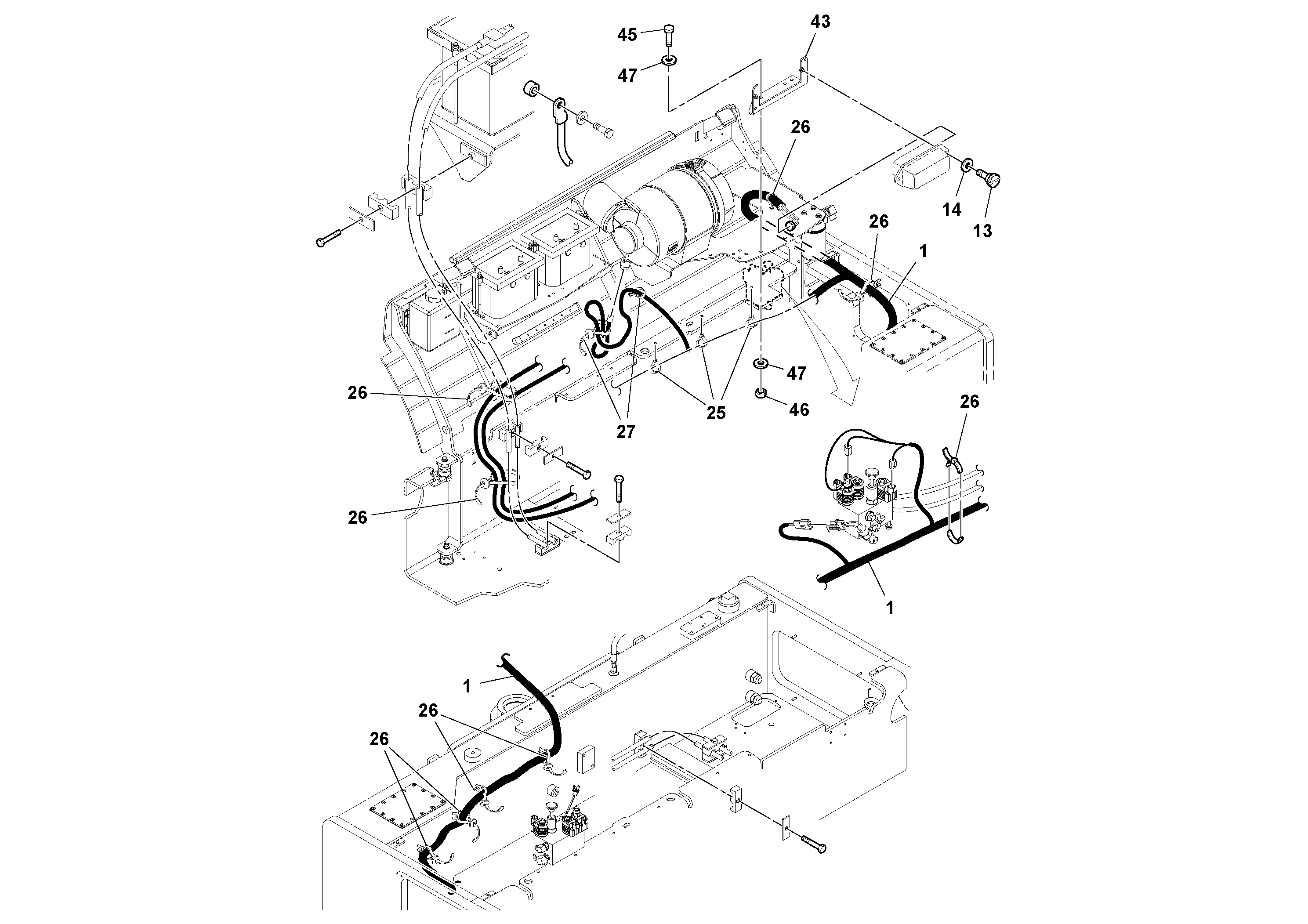
Запчасти Volvo DD132HF/DD138HF/HA/HFA S/N 197527- 51107 Electrical

Схема запчастей Volvo DD132HF/DD138HF/HA/HFA S/N 197527- - 51107 Electrical
FIT
1:1
100%

Артикул

Название

Примечание

Количество

RM 43891142

Harness, Chassi

S/N -199215

1шт.

1

RM 43936970

Cable harness

S/N 199215-

1шт.

13

RM 96745518

Винт шестигранник

1шт.

14

RM 13411822

Retaining ring

1шт.

25

RM 58820168

Locking wire

1шт.

26

RM 95373973

Locking wire

1шт.

26

RM 95373973

Locking wire

1шт.

27

RM 95424586

Cable tie

1шт.

27

RM 95424586

Cable tie

1шт.

43

RM 43881978

Кронштейн

1шт.

45

RM 96704614

Гайка

1шт.

45

RM 96704614

Гайка

1шт.

46

RM 96719794

Винт шестигранник

1шт.

47

RM 96714407

Плоская шайба

1шт.

Выбрано товаров: 14