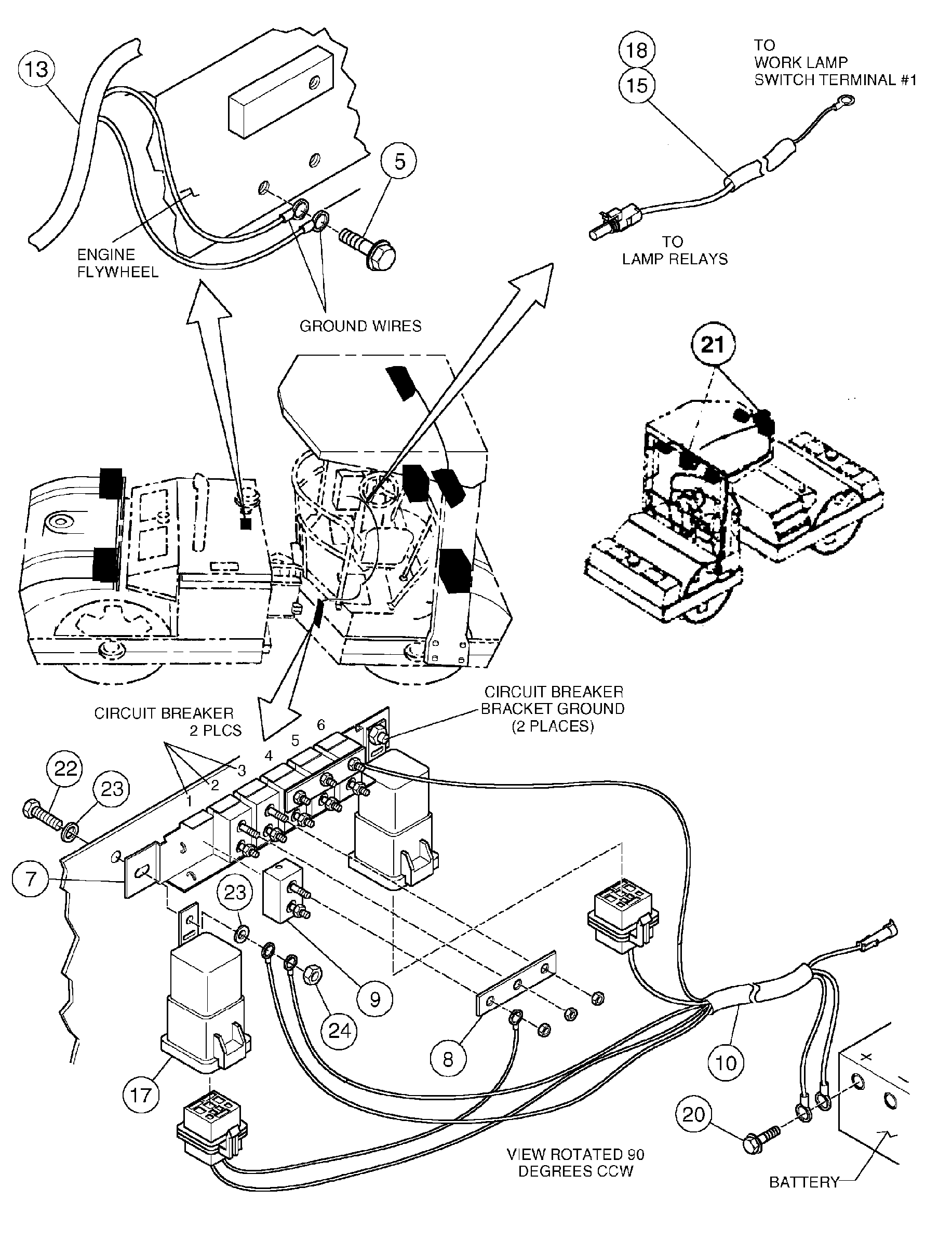
Запчасти Volvo DD136HF S/N 53593 - 90186 HID/work light installation

Схема запчастей Volvo DD136HF S/N 53593 - - 90186 HID/work light installation
FIT
1:1
100%

Артикул

Название

Примечание

Количество

10

RM 59172502

Light relay

1шт.

13

RM 59212928

Cable harness

1шт.

15

RM 59170654

Cable harness

1шт.

17

RM 58965377

Реле

1шт.

17

RM 58965377

Реле

1шт.

18

RM 95373973

Locking wire

1шт.

18

RM 95373973

Locking wire

1шт.

20

RM 95919171

Болт

1шт.

22

RM 96704861

Винт шестигранник

1шт.

23

RM 96741053

Шайба

1шт.

23

RM 96741053

Шайба

1шт.

24

RM 96704598

Lock nut

1шт.

24

RM 96704598

Lock nut

1шт.

5

RM 96701495

Винт шестигранник

1шт.

5

RM 96701495

Винт шестигранник

1шт.

7

RM 10354983

Кронштейн

1шт.

8

RM 13035464

Bar

1шт.

9

RM 59175422

Breaker

1шт.

Выбрано товаров: 0