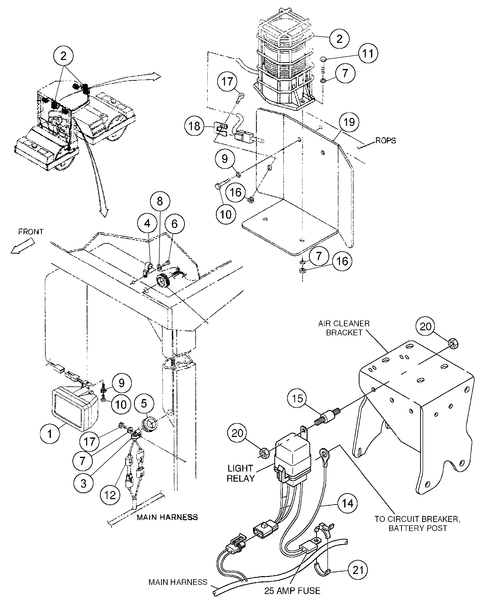
Запчасти Volvo DD136HF S/N 53593 - 91115 Rotating Beacon Installation

Схема запчастей Volvo DD136HF S/N 53593 - - 91115 Rotating Beacon Installation
FIT
1:1
100%

Артикул

Название

Примечание

Количество

1

RM 59050740

Скоба (хомут)

1шт.

1

RM 59854943

Соединитель

1шт.

1

RM 59854877

Cable seal

1шт.

1

RM 59050732

Фара

1шт.

1

RM 59854828

Палец

1шт.

1

RM 58875543

Bulb

1шт.

10

RM 96702659

Винт шестигранник

1шт.

10

RM 96702659

Винт шестигранник

1шт.

11

RM 96705249

Винт шестигранник

1шт.

12

RM 59077552

Cable harness

1шт.

14

RM 59233676

Cable harness

1шт.

15

RM 59970384

Rubber damper

1шт.

16

RM 96705132

Hexagon nut

1шт.

16

RM 96705132

Hexagon nut

1шт.

17

RM 96705744

Винт шестигранник

1шт.

17

RM 96705744

Винт шестигранник

1шт.

18

RM 59048843

Скоба (хомут)

1шт.

19

RM 59091017

Кронштейн

1шт.

2

RM 59083105

Warning flasher

1шт.

2

RM 59022871

Bulb

1шт.

2

RM 59023077

Lens

1шт.

20

RM 59327825

Hexagon nut

1шт.

21

RM 95424586

Cable tie

1шт.

21

RM 95424586

Cable tie

1шт.

3

RM 59020206

Зажим

1шт.

4

RM 59020305

Зажим

1шт.

5

RM 59044099

Уплотнительная втулка

1шт.

6

RM 96702394

Винт шестигранник

1шт.

6

RM 96702394

Винт шестигранник

1шт.

7

RM 96738554

Плоская шайба

1шт.

7

RM 96738554

Плоская шайба

1шт.

8

RM 96741053

Шайба

1шт.

8

RM 96741053

Шайба

1шт.

9

RM 96741038

Шайба

1шт.

9

RM 96741038

Шайба

1шт.

Выбрано товаров: 35