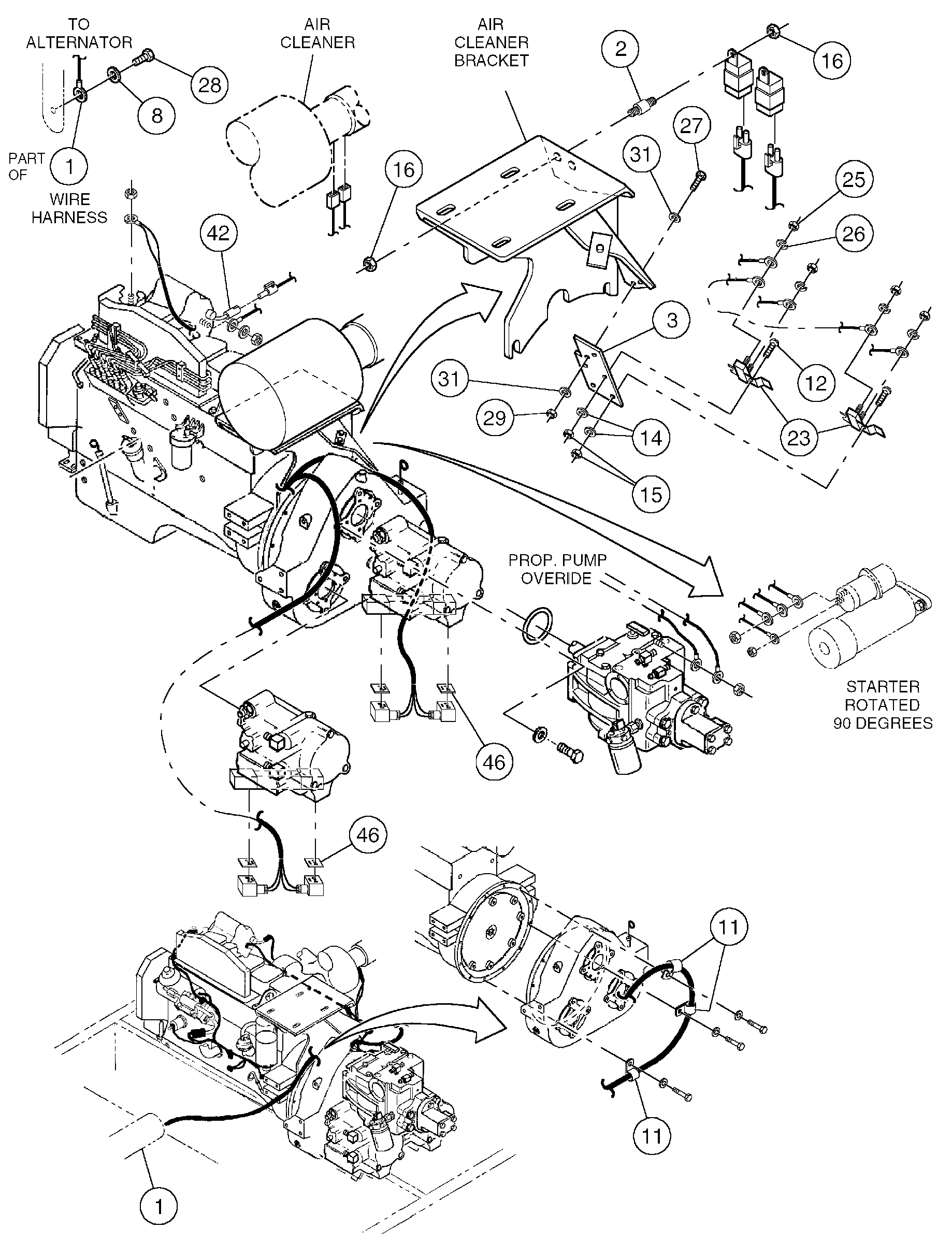
Запчасти Volvo DD136HF S/N 53593 - 106460 Main Cable Harness Installation

Схема запчастей Volvo DD136HF S/N 53593 - - 106460 Main Cable Harness Installation
FIT
1:1
100%

Артикул

Название

Примечание

Количество

1

RM 13847769

Cable harness

1шт.

11

RM 59117317

Зажим

1шт.

11

RM 59117317

Зажим

1шт.

12

RM 95922134

Болт

1шт.

14

RM 95922332

Плоская шайба

1шт.

14

RM 95922332

Плоская шайба

1шт.

15

RM 95943346

Гайка

1шт.

16

RM 59327825

Hexagon nut

1шт.

2

RM 59970384

Rubber damper

1шт.

23

RM 59603746

Breaker

1шт.

25

RM 95923124

Hexagon nut

1шт.

26

RM 95931366

Стопорная шайба (кольцо)

1шт.

26

RM 95931366

Стопорная шайба (кольцо)

1шт.

27

RM 96701461

Винт шестигранник

1шт.

27

RM 96701461

Винт шестигранник

1шт.

28

RM 96701495

Винт шестигранник

1шт.

28

RM 96701495

Винт шестигранник

1шт.

29

RM 96704598

Lock nut

1шт.

29

RM 96704598

Lock nut

1шт.

3

RM 59280685

Mounting plate

1шт.

31

RM 96741053

Шайба

1шт.

31

RM 96741053

Шайба

1шт.

46

RM 58788225

Прокладка

1шт.

8

RM 96738596

Шайба

1шт.

Выбрано товаров: 24