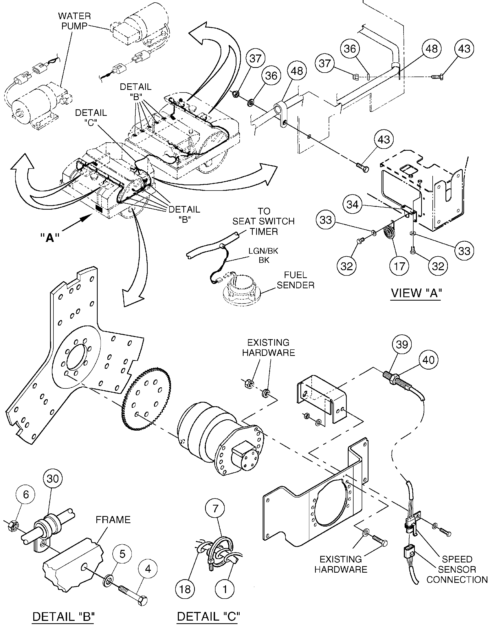
Запчасти Volvo DD136HF S/N 53593 - 87075 Main Cable Harness Installation

Схема запчастей Volvo DD136HF S/N 53593 - - 87075 Main Cable Harness Installation
FIT
1:1
100%

Артикул

Название

Примечание

Количество

1

RM 13847769

Cable harness

1шт.

17

RM 13469010

Horn

1шт.

17

RM 13469010

Horn

1шт.

17

RM 13313051

Horn Assy Kit

1шт.

18

RM 59812826

Guard

1шт.

30

RM 59117317

Зажим

1шт.

30

RM 59117317

Зажим

1шт.

32

RM 96702824

Винт шестигранник

1шт.

32

RM 96702824

Винт шестигранник

1шт.

33

RM 96741038

Шайба

1шт.

33

RM 96741038

Шайба

1шт.

34

RM 59191007

Кронштейн

1шт.

36

RM 96741046

Плоская шайба

1шт.

36

RM 96741046

Плоская шайба

1шт.

37

RM 96704614

Гайка

1шт.

37

RM 96704614

Гайка

1шт.

39

RM 59222661

Sensor

1шт.

4

RM 96726302

Болт

1шт.

40

RM 58776675

Lock nut

1шт.

43

RM 96702279

Винт шестигранник

1шт.

43

RM 96702279

Винт шестигранник

1шт.

48

RM 59117317

Зажим

1шт.

48

RM 59117317

Зажим

1шт.

5

RM 96741038

Шайба

1шт.

5

RM 96741038

Шайба

1шт.

6

RM 96704606

Lock nut

1шт.

6

RM 96704606

Lock nut

1шт.

7

RM 95373973

Locking wire

1шт.

7

RM 95373973

Locking wire

1шт.

Выбрано товаров: 29