Запчасти Volvo DD136HF S/N 53593 - 88863 Cable harnesses, instrument panel

Схема запчастей Volvo DD136HF S/N 53593 - - 88863 Cable harnesses, instrument panel
FIT
1:1
100%

Артикул

Название

Примечание

Количество

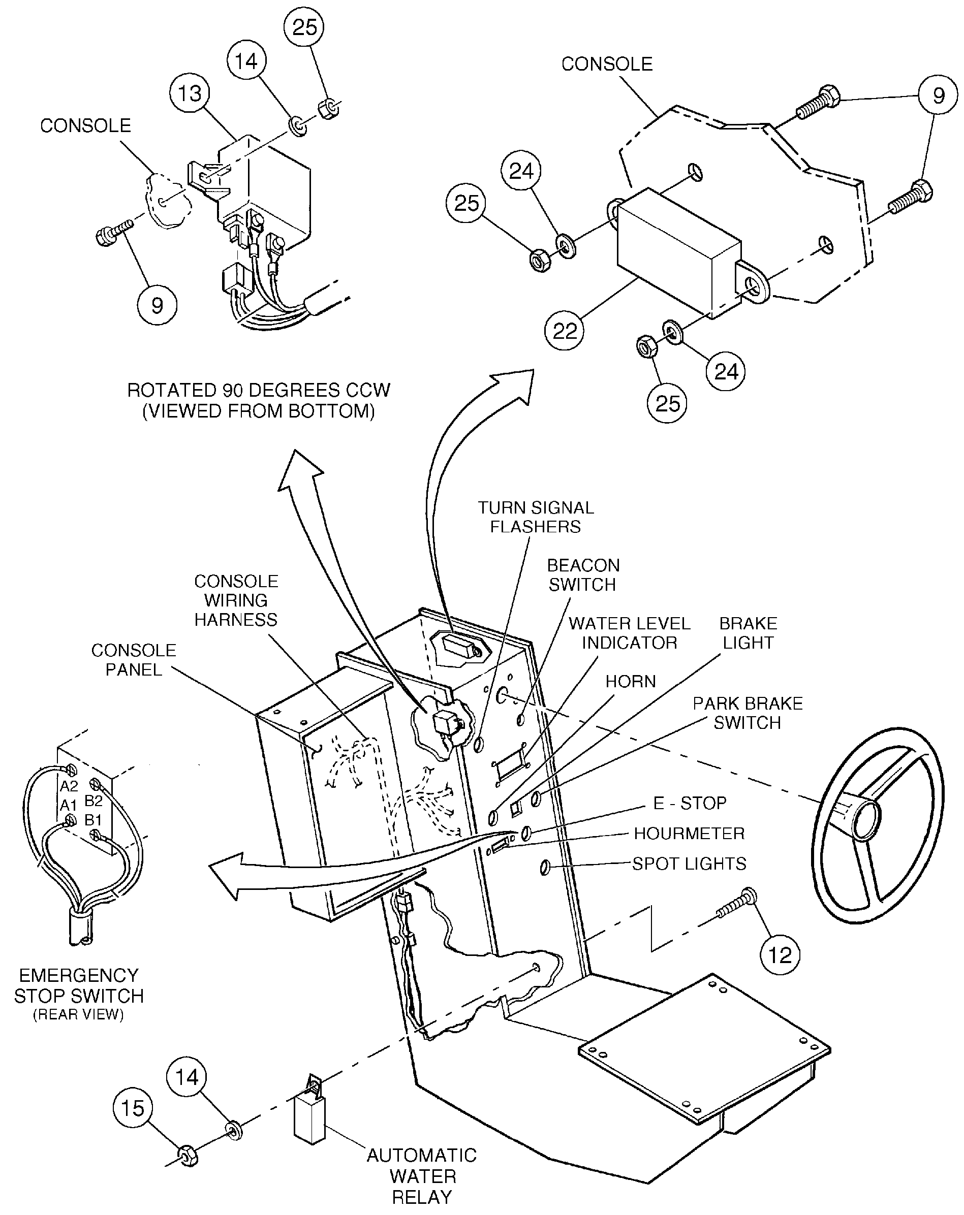
12

RM 95922134

Болт

1шт.

13

RM 59818393

Реле

1шт.

13

RM 59818393

Реле

1шт.

14

RM 95922332

Плоская шайба

1шт.

14

RM 95922332

Плоская шайба

1шт.

15

RM 95943346

Гайка

1шт.

22

RM 59099663

Terminal block

1шт.

24

RM 96738554

Плоская шайба

1шт.

24

RM 96738554

Плоская шайба

1шт.

25

RM 95923124

Hexagon nut

1шт.

9

RM 59480996

Болт

1шт.

Выбрано товаров: 11