Качественные детали и логистика
Оригинальные и аналоговые запчасти с доставкой по России, Казахстану и Беларуси
©2022 PartSell ООО "Система" ИНН 2463123282 ОГРН 1212400004838
Центральный офис: г. Красноярск, Академика Киренского, д.87, пом.4
Телефон: 8 (800) 777-65-74 Email: zakaz@partsell.ru
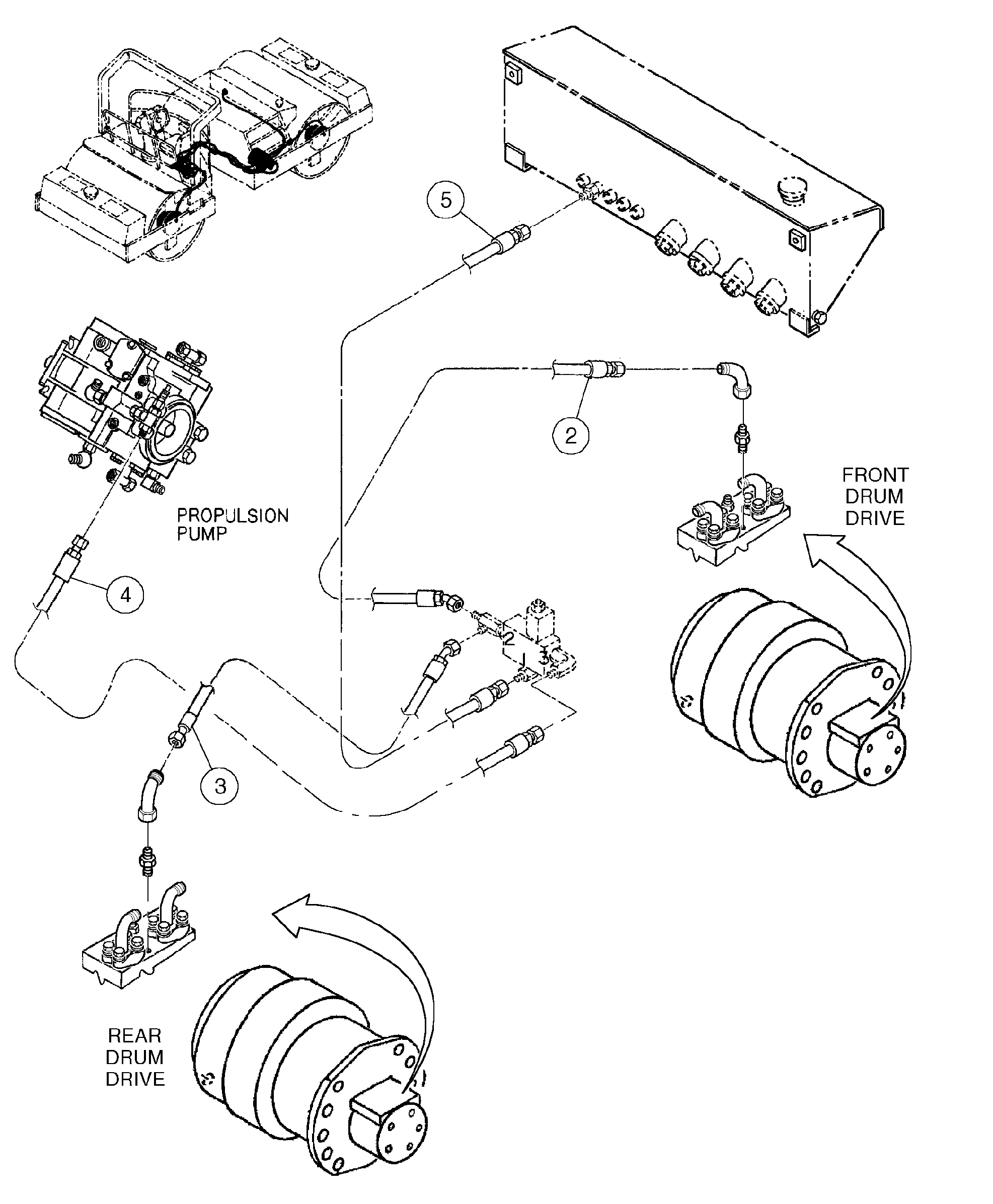
88301 Brake Hoses Installation
№
Артикул
Название
Примечание
Количество
2
RM 54724273
Hose assembly
1шт.
3
RM 54724265
4
RM 13206628
Рукав высокого давления (РВД)
5
RM 13206602
Выбрано товаров: 0