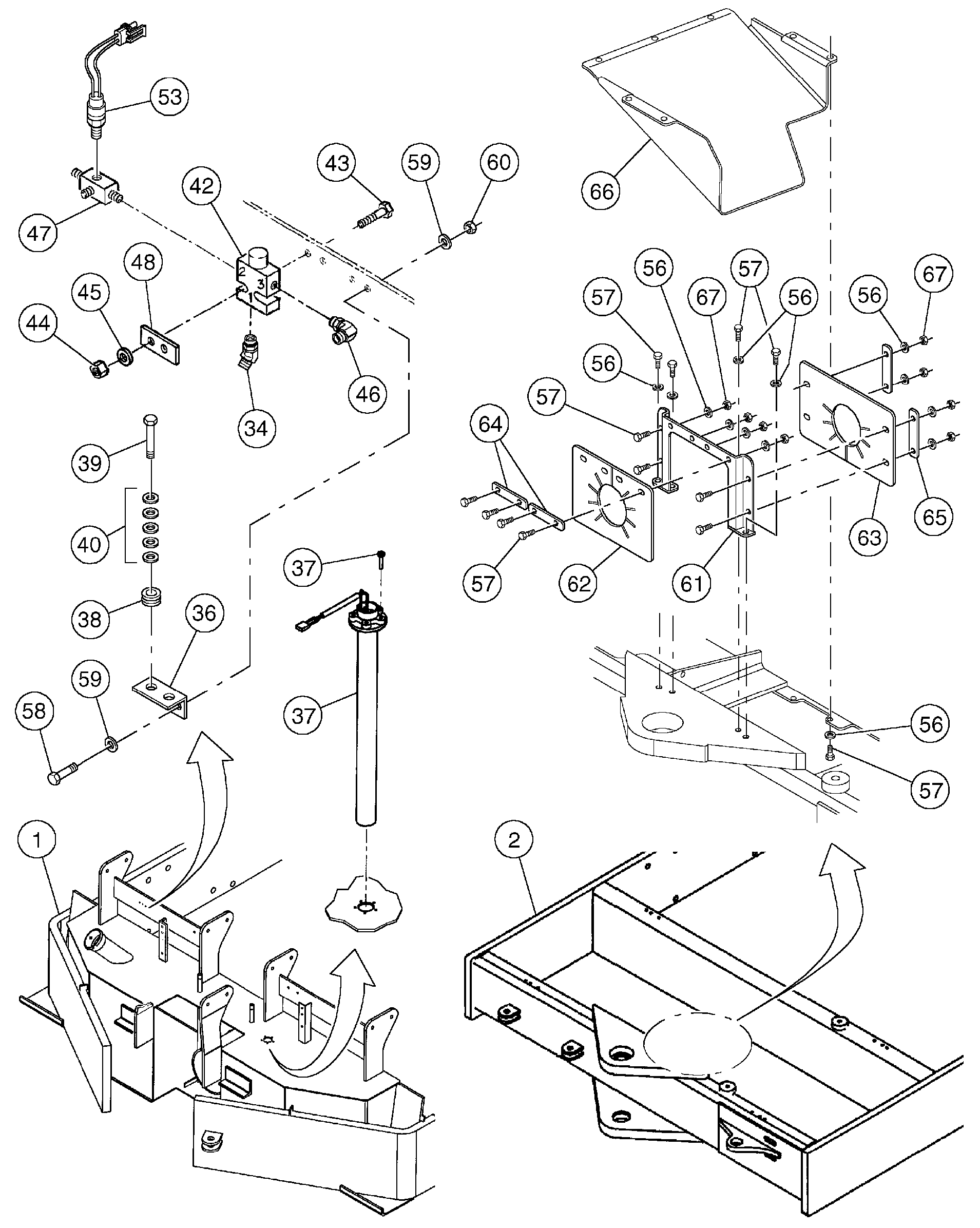
Запчасти Volvo DD136HF S/N 53593 - 81498 Frame and Swivel Installation

Схема запчастей Volvo DD136HF S/N 53593 - - 81498 Frame and Swivel Installation
FIT
1:1
100%

Артикул

Название

Примечание

Количество

1

RM 13453238

Dd130 Front Fra

1шт.

2

RM 13875505

Dd141 Rear Fram

1шт.

34

RM 59918441

Адаптер

1шт.

34

RM 59918441

Адаптер

1шт.

36

RM 13159868

Кронштейн

1шт.

37

RM 59026815

Fuel level sensor

1шт.

38

RM 59636985

Уплотнительная втулка

1шт.

39

RM 96705504

Винт шестигранник

1шт.

40

RM 96738612

Плоская шайба

1шт.

40

RM 96738612

Плоская шайба

1шт.

42

RM 58911835

Sealing kit

1шт.

42

RM 58911801

Соленоид (электромагнитный клапан)

1шт.

42

RM 58825464

Brake valve

1шт.

43

RM 96704887

Винт шестигранник

1шт.

43

RM 96704887

Винт шестигранник

1шт.

44

RM 96704598

Lock nut

1шт.

44

RM 96704598

Lock nut

1шт.

45

RM 96741053

Шайба

1шт.

45

RM 96741053

Шайба

1шт.

46

RM 59922823

Адаптер

1шт.

46

RM 59922823

Адаптер

1шт.

47

RM 59232942

Фиттинг

1шт.

48

RM 59306522

Пластина

1шт.

53

RM 59090878

Датчик давления (переключатель, реле)

1шт.

56

RM 96741038

Шайба

1шт.

56

RM 96741038

Шайба

1шт.

57

RM 96702824

Винт шестигранник

1шт.

57

RM 96702824

Винт шестигранник

1шт.

58

RM 96711965

Болт

1шт.

59

RM 96710470

Шайба

1шт.

59

RM 96710470

Шайба

1шт.

60

RM 96704705

Hexagon nut

1шт.

61

RM 13233333

Weldment Sound

1шт.

62

RM 13233457

Blanket Hose Bn

1шт.

63

RM 13233465

Blanket Hose Bn

1шт.

64

RM 13233507

Plate Blanket B

1шт.

65

RM 13169727

Пластина

1шт.

66

RM 13214465

Bellypan Remova

1шт.

67

RM 96701370

Гайка

1шт.

67

RM 96701370

Гайка

1шт.

67

RM 96701370

Nut

1шт.

Выбрано товаров: 41