Запчасти Volvo DD136HF S/N 53593 - 88333 Propulsion Hose Installation

Схема запчастей Volvo DD136HF S/N 53593 - - 88333 Propulsion Hose Installation
FIT
1:1
100%

Артикул

Название

Примечание

Количество

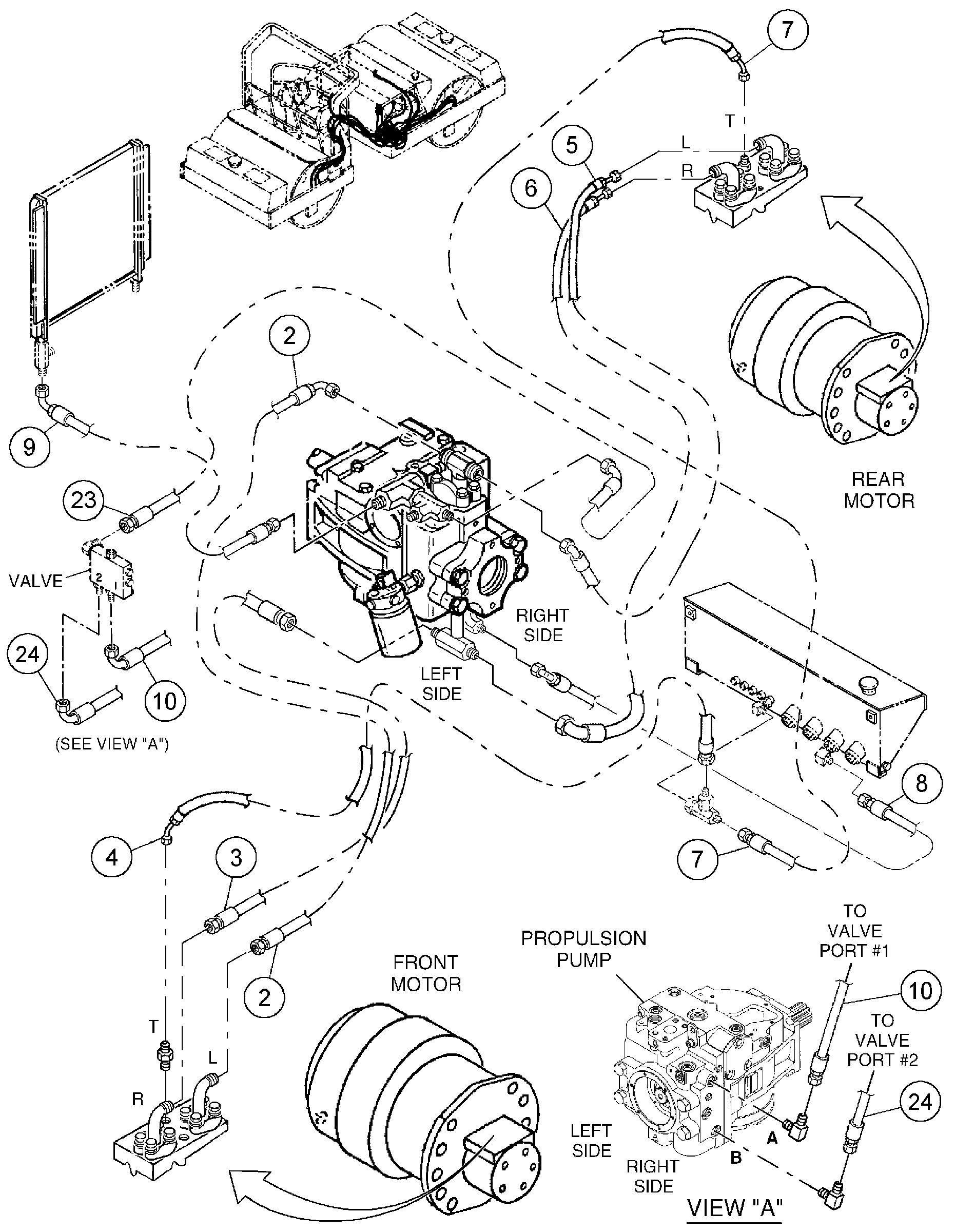
10

RM 58880667

Шланг

1шт.

2

RM 54633607

Hose assembly

1шт.

23

RM 59203463

Hose assembly

1шт.

24

RM 58849035

Шланг

1шт.

3

RM 54714423

Рукав высокого давления (РВД)

1шт.

4

RM 59195487

Hose assembly

1шт.

5

RM 59177949

Hose assembly

1шт.

6

RM 59177956

Hose assembly

1шт.

7

RM 59195453

Рукав высокого давления (РВД)

1шт.

8

RM 59441667

Hose assembly

1шт.

9

RM 59156042

Hose assembly

1шт.

Выбрано товаров: 11