Качественные детали и логистика
Оригинальные и аналоговые запчасти с доставкой по России, Казахстану и Беларуси
©2022 PartSell ООО "Система" ИНН 2463123282 ОГРН 1212400004838
Центральный офис: г. Красноярск, Академика Киренского, д.87, пом.4
Телефон: 8 (800) 777-65-74 Email: zakaz@partsell.ru
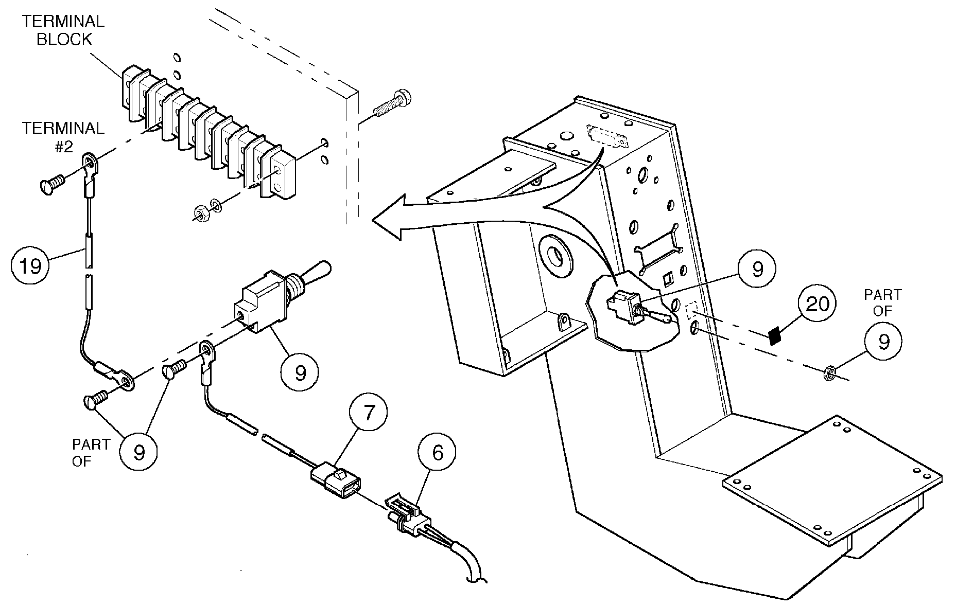
86455 HID Light installation
№
Артикул
Название
Примечание
Количество
19
RM 59222349
Cable harness
1шт.
20
RM 54637418
Decal
6
RM 59172502
Light relay
7
RM 59170654
9
RM 59634105
Переключатель
Выбрано товаров: 0