Запчасти Volvo DD146HF S/N 53539 - 106378 Engine Installation

Схема запчастей Volvo DD146HF S/N 53539 - - 106378 Engine Installation
FIT
1:1
100%

Артикул

Название

Примечание

Количество

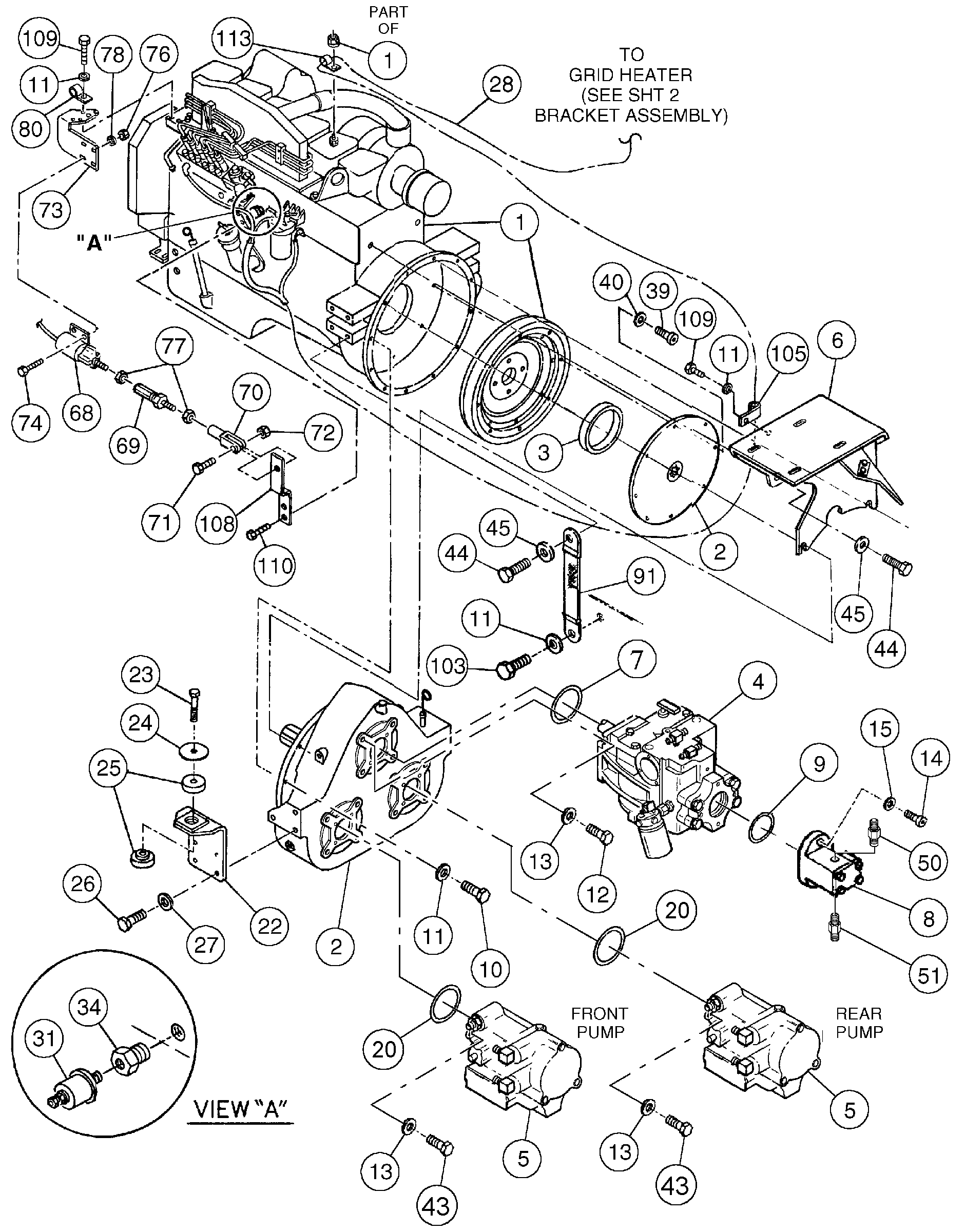
1

RM 13846845

Eng:6bta 5.9 17

1шт.

1

RM 58827932

Фильтр топливный

1шт.

1

RM 35387489

Фильтр масляный

1шт.

1

RM 54726948

Alternator

1шт.

1

RM 59477570

Фильтр топливный

1шт.

1

13378898

13378898

1шт.

1

RM 13378880

Starter motor

1шт.

10

RM 96701917

Винт шестигранник

1шт.

10

RM 96701917

Винт шестигранник

1шт.

103

RM 96702279

Винт шестигранник

1шт.

103

RM 96702279

Винт шестигранник

1шт.

105

RM 95301883

Зажим

1шт.

108

RM 59077727

Lever segment

1шт.

109

RM 96702287

Винт шестигранник

1шт.

109

RM 96702287

Винт шестигранник

1шт.

11

RM 96741046

Плоская шайба

1шт.

11

RM 96741046

Плоская шайба

1шт.

110

RM 96702394

Винт шестигранник

1шт.

110

RM 96702394

Винт шестигранник

1шт.

113

RM 59020255

Зажим

1шт.

12

RM 95919569

Винт шестигранник

1шт.

12

RM 95919569

Винт шестигранник

1шт.

13

RM 59537266

Плоская шайба

1шт.

13

RM 59537266

Плоская шайба

1шт.

14

RM 95055265

Винт шестигранник (торцевой ключ)

1шт.

15

RM 59565036

Шайба

1шт.

2

RM 43910678

Гидронасос (основной насос)

1шт.

20

RM 95028494

Кольцо уплотнительное (О-кольцо)

1шт.

22

RM 59077743

Engine anchorage

1шт.

23

RM 96704937

Винт шестигранник

1шт.

24

RM 58879768

Шайба

1шт.

25

RM 58965872

Вставка

1шт.

26

RM 95919817

Болт

1шт.

27

RM 59565044

Шайба

1шт.

28

RM 13162292

Heater

1шт.

3

RM 59532093

Адаптер

1шт.

3

RM 59532093

Адаптер

1шт.

31

RM 58878000

Oil pressure sensor

1шт.

31

RM 58878000

Oil pressure sensor

1шт.

34

RM 59118513

Адаптер

1шт.

39

RM 95068110

Винт шестигранник (торцевой ключ)

1шт.

39

RM 95068110

Винт шестигранник (торцевой ключ)

1шт.

40

RM 59731380

Шайба

1шт.

43

RM 95309829

Болт

1шт.

43

RM 95309829

Болт

1шт.

44

RM 96701495

Винт шестигранник

1шт.

44

RM 96701495

Винт шестигранник

1шт.

45

RM 96738596

Шайба

1шт.

50

RM 95371217

Адаптер

1шт.

50

RM 95371217

Адаптер

1шт.

51

RM 59922500

Адаптер

1шт.

51

RM 59922500

Адаптер

1шт.

58

RM 95919460

Винт шестигранник

1шт.

59

RM 59995126

Плоская шайба

1шт.

59

RM 59995126

Плоская шайба

1шт.

6

RM 13159686

Кронштейн

1шт.

68

RM 59009134

Соленоид (электромагнитный клапан)

1шт.

69

RM 58765496

Swivel

1шт.

7

RM 95086708

Кольцо уплотнительное (О-кольцо)

1шт.

70

RM 59929059

Clevis

1шт.

71

RM 95860052

Болт

1шт.

72

RM 95943346

Гайка

1шт.

73

RM 59102046

Кронштейн

1шт.

74

RM 96704564

Винт шестигранник

1шт.

74

RM 96704564

Винт шестигранник

1шт.

76

RM 96704234

Гайка

1шт.

76

RM 96704234

Гайка

1шт.

77

RM 95923058

Гайка

1шт.

77

RM 95923058

Гайка

1шт.

78

RM 96741053

Шайба

1шт.

78

RM 96741053

Шайба

1шт.

8

RM 43842442

Гидронасос рулевой

1шт.

80

RM 95301859

Hose clamp

1шт.

80

RM 95301859

Hose clamp

1шт.

9

RM 95988713

Кольцо уплотнительное (О-кольцо)

1шт.

91

RM 59409508

Strap

1шт.

92

RM 96705009

Lock nut

1шт.

92

RM 96705009

Lock nut

1шт.

93

RM 96741038

Шайба

1шт.

93

RM 96741038

Шайба

1шт.

94

RM 96702659

Винт шестигранник

1шт.

94

RM 96702659

Винт шестигранник

1шт.

Выбрано товаров: 82