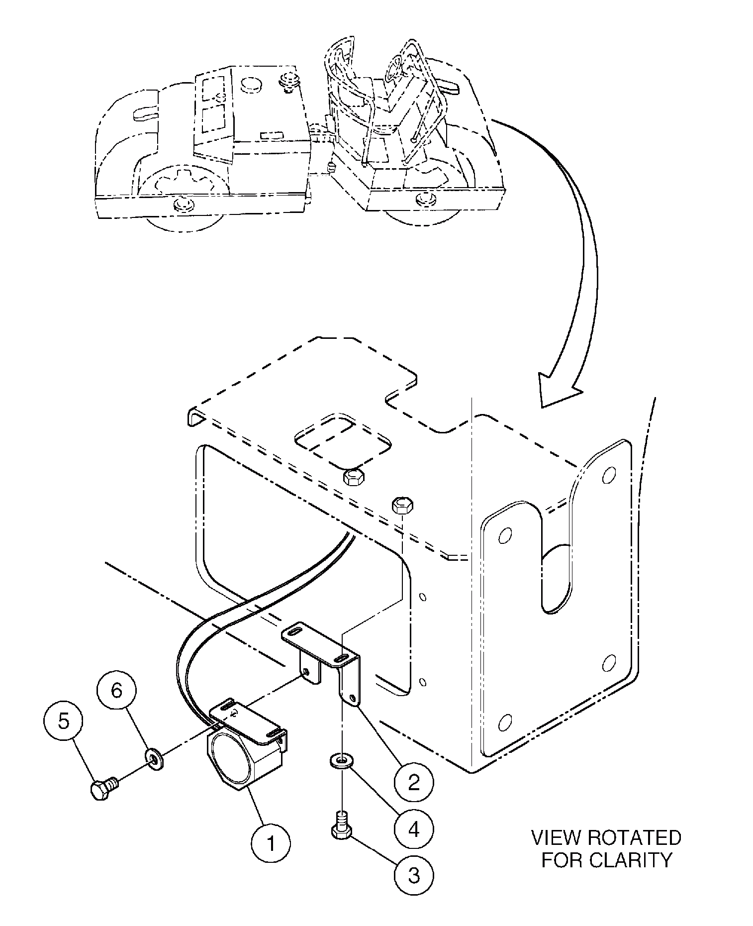
Запчасти Volvo DD146HF S/N 53539 - 88334 Back-up Alarm Installation

Схема запчастей Volvo DD146HF S/N 53539 - - 88334 Back-up Alarm Installation
FIT
1:1
100%

Артикул

Название

Примечание

Количество

1

RM 59184143

Reversing warning unit

1шт.

2

RM 59191007

Кронштейн

1шт.

3

RM 96702824

Винт шестигранник

1шт.

3

RM 96702824

Винт шестигранник

1шт.

4

RM 96741038

Шайба

1шт.

4

RM 96741038

Шайба

1шт.

5

RM 96704564

Винт шестигранник

1шт.

5

RM 96704564

Винт шестигранник

1шт.

6

RM 96741053

Шайба

1шт.

6

RM 96741053

Шайба

1шт.

Выбрано товаров: 10