Запчасти Volvo DD146HF S/N 53539 - 89504 Main Cable Harness Installation

Схема запчастей Volvo DD146HF S/N 53539 - - 89504 Main Cable Harness Installation
FIT
1:1
100%

Артикул

Название

Примечание

Количество

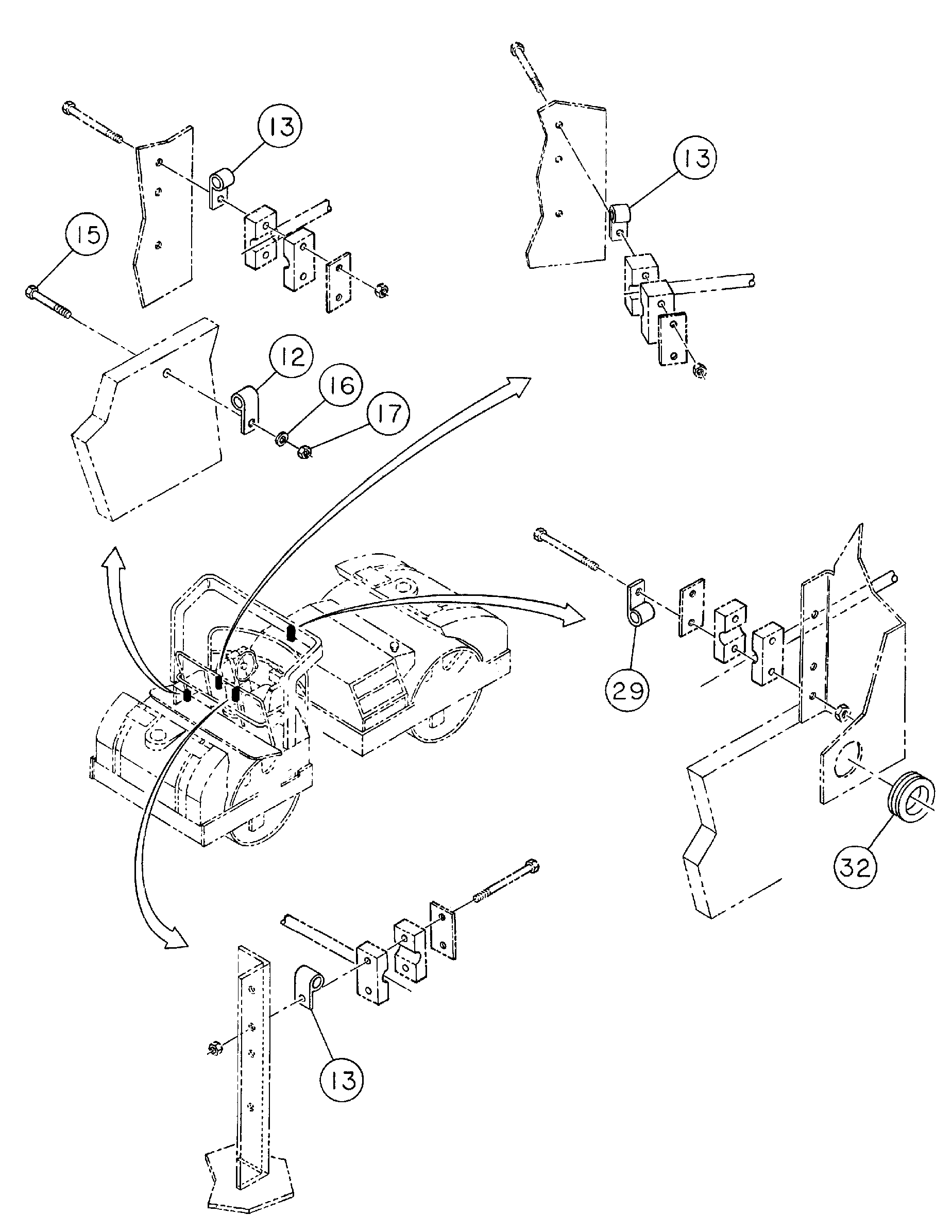
12

RM 59117317

Зажим

1шт.

12

RM 59117317

Зажим

1шт.

13

RM 59397059

Зажим

1шт.

15

RM 96726302

Болт

1шт.

16

RM 96741038

Шайба

1шт.

16

RM 96741038

Шайба

1шт.

17

RM 96705009

Lock nut

1шт.

17

RM 96705009

Lock nut

1шт.

29

RM 58879891

Зажим

1шт.

29

RM 58879891

Зажим

1шт.

32

RM 59160234

Уплотнительная втулка

1шт.

Выбрано товаров: 11