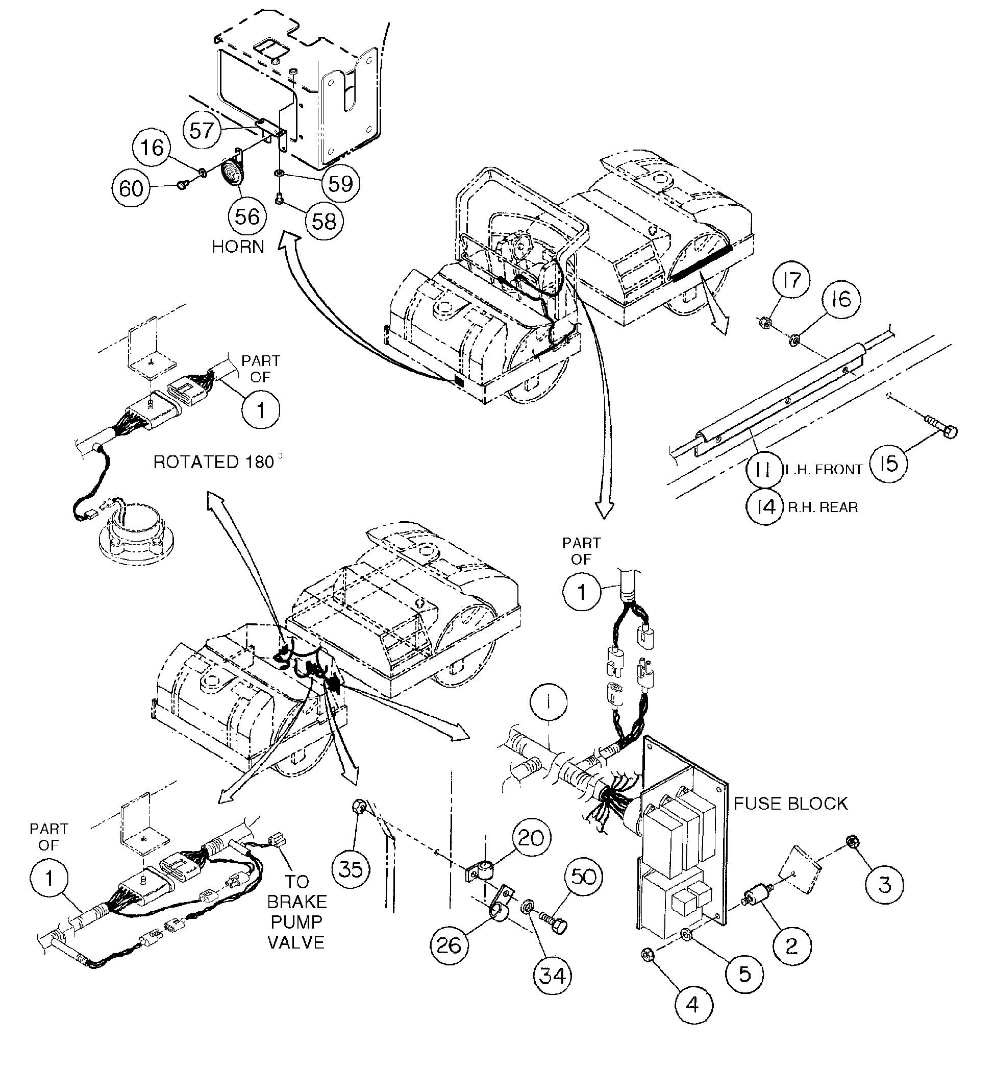
Запчасти Volvo DD146HF S/N 53539 - 91430 Main Cable Harness Installation

Схема запчастей Volvo DD146HF S/N 53539 - - 91430 Main Cable Harness Installation
FIT
1:1
100%

Артикул

Название

Примечание

Количество

1

RM 13847751

Main Wiring Har

1шт.

1

RM 59483339

Fuse

15amp

1шт.

1

RM 59483339

Fuse

15amp

1шт.

1

RM 59398016

Fuse

20amp

1шт.

1

RM 59398016

Fuse

20amp

1шт.

1

RM 58893249

Fuse

30amp

1шт.

1

RM 58892449

Diode kit

1шт.

1

RM 59048819

Diode kit

1шт.

11

RM 59139147

Крышка

1шт.

14

RM 59139139

Крышка

1шт.

15

RM 96726302

Болт

1шт.

16

RM 96741038

Шайба

1шт.

16

RM 96741038

Шайба

1шт.

17

RM 96705009

Lock nut

1шт.

17

RM 96705009

Lock nut

1шт.

2

RM 59037531

Shock absorber

1шт.

20

RM 59020255

Зажим

1шт.

26

RM 59020271

Зажим

1шт.

26

RM 59020271

Зажим

1шт.

3

RM 95923298

Lock nut

1шт.

34

RM 96741046

Плоская шайба

1шт.

34

RM 96741046

Плоская шайба

1шт.

35

RM 96704614

Гайка

1шт.

35

RM 96704614

Гайка

1шт.

4

RM 59327825

Hexagon nut

1шт.

5

RM 95922183

Плоская шайба

1шт.

5

RM 95922183

Плоская шайба

1шт.

50

RM 96704309

Винт шестигранник

1шт.

50

RM 96704309

Винт шестигранник

1шт.

56

RM 13469010

Horn

1шт.

56

RM 13469010

Horn

1шт.

57

RM 59191007

Кронштейн

1шт.

58

RM 96704564

Винт шестигранник

1шт.

58

RM 96704564

Винт шестигранник

1шт.

59

RM 96741053

Шайба

1шт.

59

RM 96741053

Шайба

1шт.

60

RM 96702824

Винт шестигранник

1шт.

60

RM 96702824

Винт шестигранник

1шт.

Выбрано товаров: 38