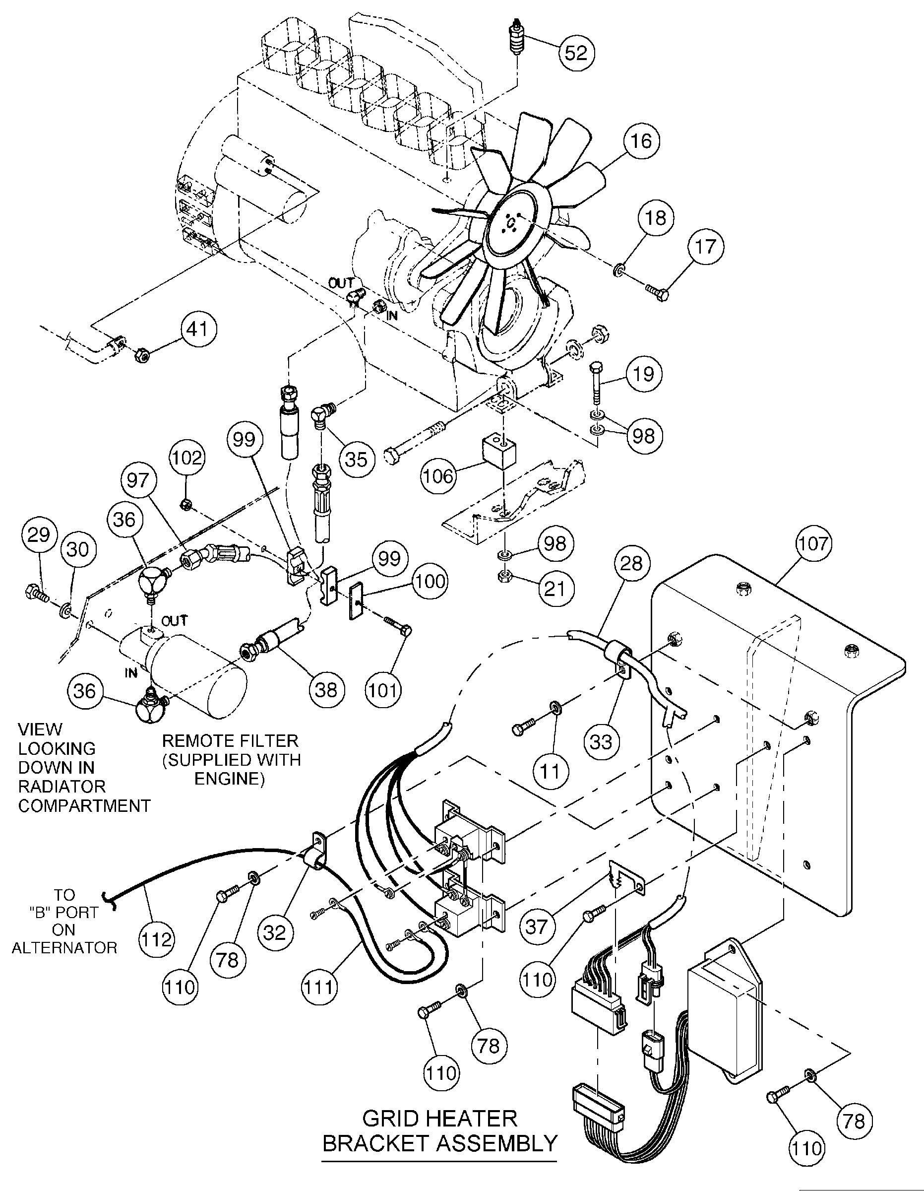
Запчасти Volvo DD146HF S/N 53539 - 91084 Engine Installation

Схема запчастей Volvo DD146HF S/N 53539 - - 91084 Engine Installation
FIT
1:1
100%

Артикул

Название

Примечание

Количество

100

RM 59583500

Пластина

1шт.

101

RM 96715131

Винт шестигранник

1шт.

101

RM 96715131

Винт шестигранник

1шт.

102

RM 96704606

Lock nut

1шт.

102

RM 96704606

Lock nut

1шт.

106

RM 59077750

Spacer,engine M

1шт.

107

RM 13182720

Кронштейн

1шт.

11

RM 96741046

Плоская шайба

1шт.

11

RM 96741046

Плоская шайба

1шт.

110

RM 96702394

Винт шестигранник

1шт.

110

RM 96702394

Винт шестигранник

1шт.

111

RM 59091298

Cable

1шт.

112

RM 13222021

Cable harness

1шт.

16

RM 13234638

Вентилятор

1шт.

17

RM 96704713

Винт шестигранник

1шт.

17

RM 96704713

Винт шестигранник

1шт.

18

RM 96711833

Шайба

1шт.

18

RM 96711833

Шайба

1шт.

19

RM 96704721

Винт шестигранник

1шт.

21

RM 96704291

Hexagon nut

1шт.

28

RM 13162292

Heater

1шт.

29

RM 95920377

Винт шестигранник

1шт.

29

RM 95920377

Винт шестигранник

1шт.

30

RM 95922183

Плоская шайба

1шт.

30

RM 95922183

Плоская шайба

1шт.

32

RM 59020305

Зажим

1шт.

33

RM 59020271

Зажим

1шт.

33

RM 59020271

Зажим

1шт.

35

RM 95302147

Elbow nipple

1шт.

35

RM 95302147

Elbow nipple

1шт.

36

RM 95280186

Адаптер

1шт.

36

RM 95280186

Адаптер

1шт.

37

RM 59050740

Скоба (хомут)

1шт.

38

RM 59044065

Шланг топливный

1шт.

41

98704812

98704812

1шт.

52

RM 59816322

Temperature sensor

1шт.

52

RM 59816322

Temperature sensor

1шт.

78

RM 96741053

Шайба

1шт.

78

RM 96741053

Шайба

1шт.

97

RM 59090936

Шланг топливный

1шт.

98

RM 96701545

Шайба

1шт.

99

RM 59583518

Зажим

1шт.

Выбрано товаров: 42