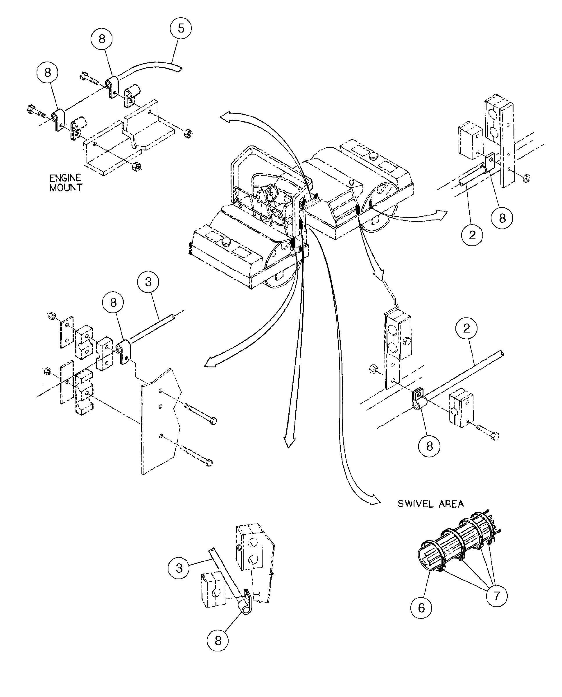
Запчасти Volvo DD146HF S/N 53539 - 87084 Brake Hoses Installation

Схема запчастей Volvo DD146HF S/N 53539 - - 87084 Brake Hoses Installation
FIT
1:1
100%

Артикул

Название

Примечание

Количество

2

RM 54724273

Hose assembly

1шт.

3

RM 54724265

Hose assembly

1шт.

5

RM 13206602

Hose assembly

1шт.

6

RM 59586941

Guard

1шт.

7

RM 95302667

Hose clamp

1шт.

8

RM 95301859

Hose clamp

1шт.

8

RM 95301859

Hose clamp

1шт.

Выбрано товаров: 7