Запчасти Volvo DD146HF S/N 53539 - 85351 Steering Hoses Installation

Схема запчастей Volvo DD146HF S/N 53539 - - 85351 Steering Hoses Installation
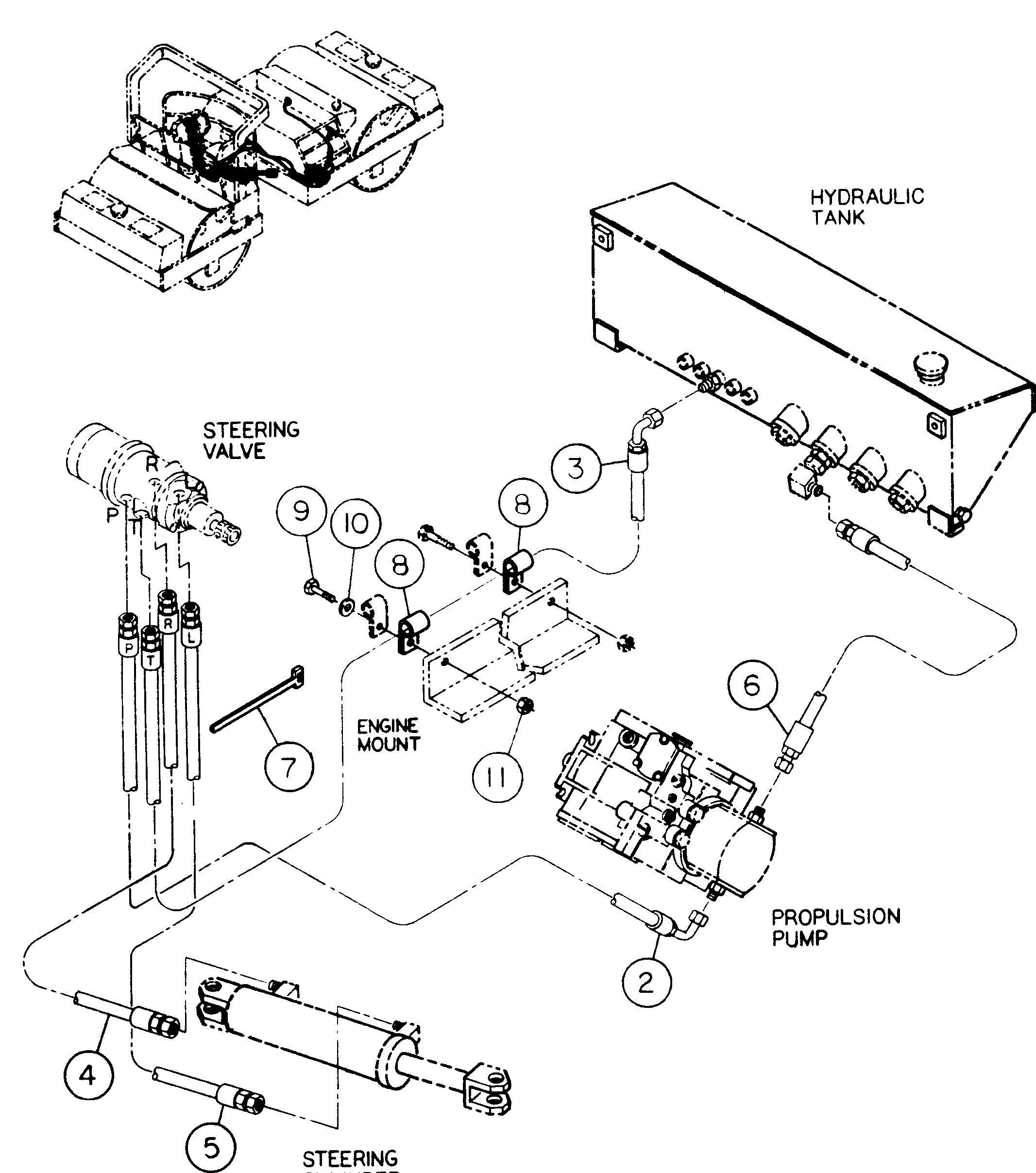
FIT
1:1
100%

Артикул

Название

Примечание

Количество

10

RM 96741038

Шайба

1шт.

10

RM 96741038

Шайба

1шт.

11

RM 96704606

Lock nut

1шт.

11

RM 96704606

Lock nut

1шт.

2

RM 59092858

Шланг

1шт.

3

RM 59035220

Hose 167"

1шт.

4

RM 59092874

Hose Assy 92.5"

1шт.

5

RM 59092866

Hose Assy 90"

1шт.

6

RM 13073234

Hose 48"

1шт.

7

RM 95424586

Cable tie

1шт.

7

RM 95424586

Cable tie

1шт.

8

RM 95301867

Зажим

1шт.

9

RM 96705587

Винт шестигранник

1шт.

9

RM 96705587

Винт шестигранник

1шт.

Выбрано товаров: 14