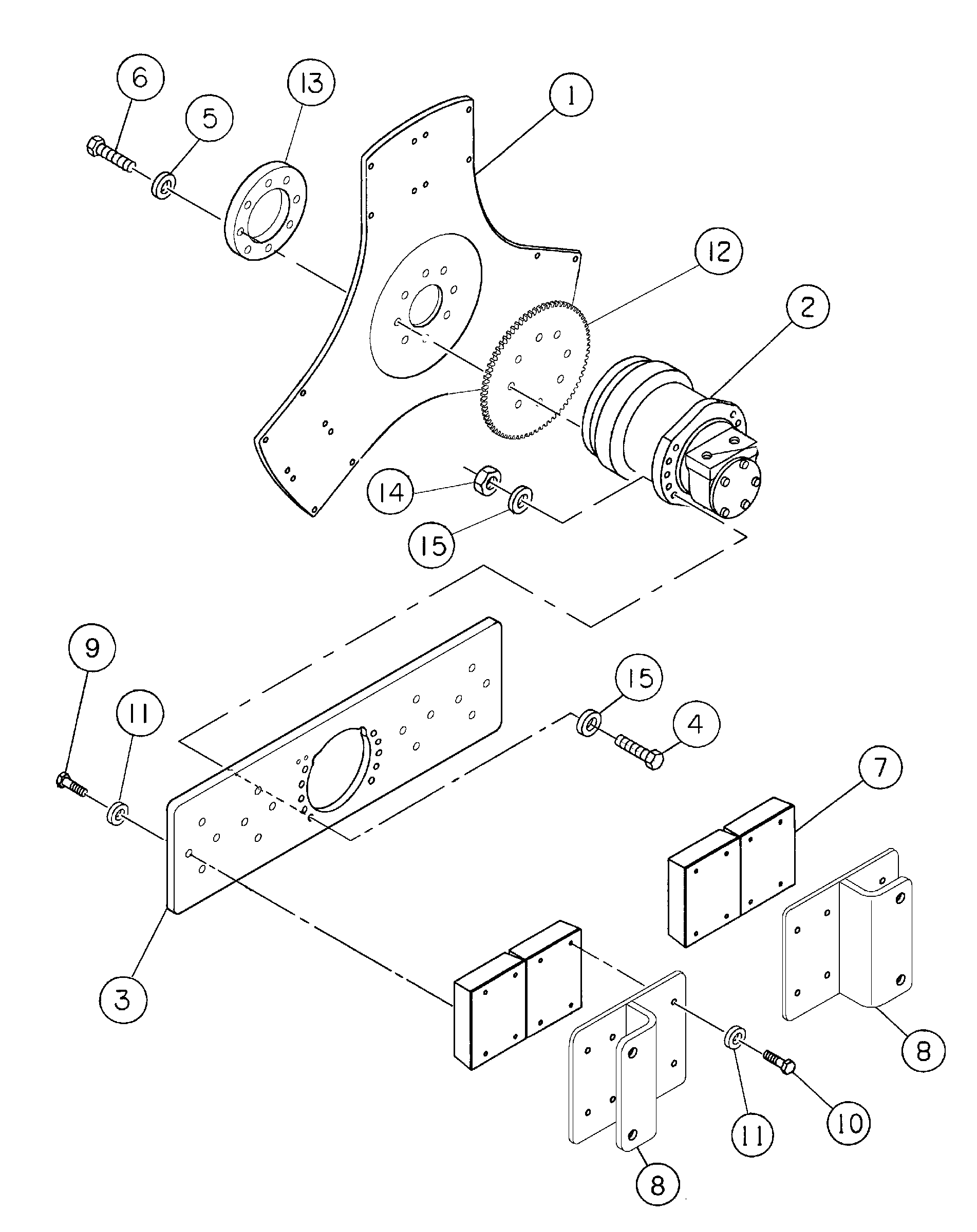
Запчасти Volvo DD146HF S/N 53539 - 104999 Carrier Plate Assembly

Схема запчастей Volvo DD146HF S/N 53539 - - 104999 Carrier Plate Assembly
FIT
1:1
100%

Артикул

Название

Примечание

Количество

1

RM 59170274

Drive plate

1шт.

10

RM 95929915

Болт

1шт.

11

RM 96738596

Шайба

1шт.

12

RM 59166967

Кольцо

1шт.

13

RM 59168054

Вставка

1шт.

14

RM 96728829

Hexagon nut

1шт.

15

RM 96738638

Плоская шайба

1шт.

2

RM 43908367

Гидромотор

1шт.

3

RM 59139162

Mounting plate

1шт.

4

RM 96728837

Винт шестигранник

1шт.

5

RM 96738620

Плоская шайба

1шт.

5

RM 96738620

Плоская шайба

1шт.

6

RM 96704978

Винт шестигранник

1шт.

7

RM 58954850

Rubber damper

1шт.

8

RM 59170308

Mounting plate

1шт.

9

RM 95981437

Винт шестигранник

1шт.

Выбрано товаров: 16