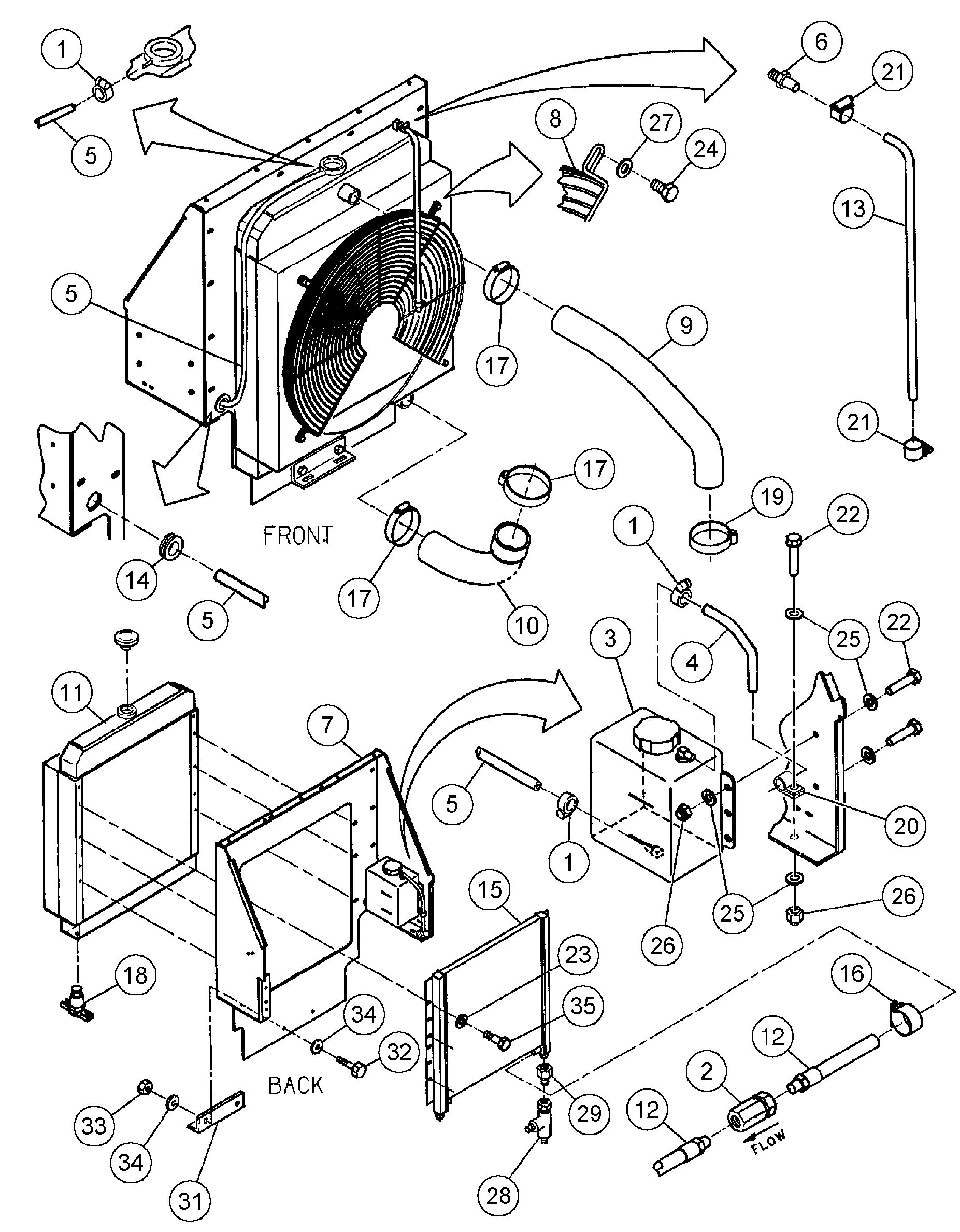
Запчасти Volvo DD146HF S/N 53539 - 87025 Radiator and Oil Cooler Assembly

Схема запчастей Volvo DD146HF S/N 53539 - - 87025 Radiator and Oil Cooler Assembly
FIT
1:1
100%

Артикул

Название

Примечание

Количество

1

RM 50274299

Hose clamp

1шт.

1

RM 50274299

Hose clamp

1шт.

10

RM 59130054

Radiator hose

1шт.

11

RM 43841568

Радиатор

1шт.

12

RM 59364950

Hose assembly

1шт.

13

RM 58785957

Шланг

1шт.

14

RM 59704411

Уплотнительная втулка

1шт.

15

RM 43918887

Масляный радиатор

1шт.

16

RM 95090106

Зажим

1шт.

17

RM 95220901

Hose clamp

1шт.

18

RM 58848920

Drain

1шт.

19

RM 95278008

Hose clamp

1шт.

2

RM 95097655

Кольцо уплотнительное (О-кольцо)

1шт.

2

RM 50281120

Non-return valve

1шт.

20

RM 95368338

Hose clamp

1шт.

21

RM 59363259

Hose clamp

1шт.

22

RM 96701461

Винт шестигранник

1шт.

22

RM 96701461

Винт шестигранник

1шт.

23

RM 96711833

Шайба

1шт.

23

RM 96711833

Шайба

1шт.

24

RM 96702824

Винт шестигранник

1шт.

24

RM 96702824

Винт шестигранник

1шт.

25

RM 96727581

Плоская шайба

1шт.

26

RM 96704598

Lock nut

1шт.

26

RM 96704598

Lock nut

1шт.

27

RM 96713979

Шайба

1шт.

27

RM 96713979

Шайба

1шт.

28

RM 95739306

T-nipple

1шт.

28

RM 95739306

T-nipple

1шт.

29

RM 59726778

Reducer

1шт.

3

RM 58802851

Plastic bottle

1шт.

31

RM 59717660

Angle bar

1шт.

32

RM 96705587

Винт шестигранник

1шт.

32

RM 96705587

Винт шестигранник

1шт.

33

RM 96704606

Lock nut

1шт.

33

RM 96704606

Lock nut

1шт.

34

RM 96713979

Шайба

1шт.

34

RM 96713979

Шайба

1шт.

35

RM 96701917

Винт шестигранник

1шт.

35

RM 96701917

Винт шестигранник

1шт.

4

RM 59137216

Шланг топливный

1шт.

5

RM 59160226

Hose assembly

1шт.

6

RM 59331934

Адаптер

1шт.

7

RM 59133983

Rad/door Mtg We

1шт.

8

RM 59133926

Fan guard

1шт.

9

RM 59130047

Radiator hose

1шт.

Выбрано товаров: 46