Запчасти Volvo DD146HF S/N 53539 - 88861 Vibration Hoses Installation

Схема запчастей Volvo DD146HF S/N 53539 - - 88861 Vibration Hoses Installation
FIT
1:1
100%

Артикул

Название

Примечание

Количество

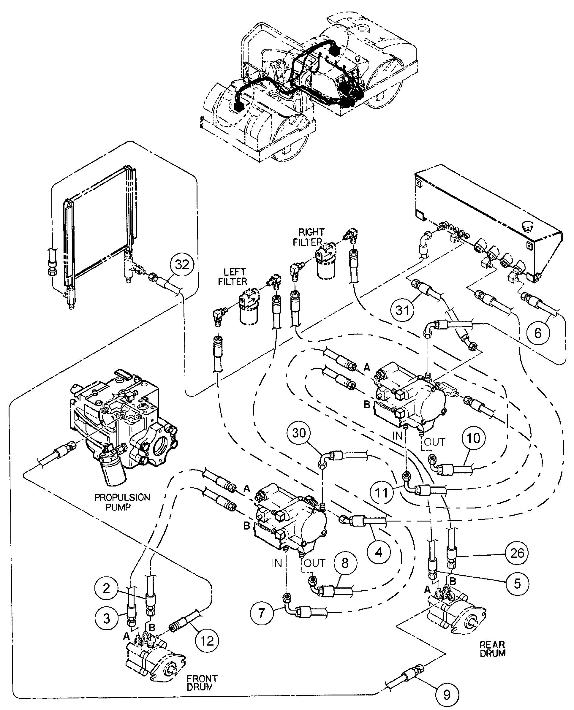
10

RM 54633854

Рукав высокого давления (РВД)

1шт.

11

RM 54633870

Рукав высокого давления (РВД)

1шт.

12

RM 59044016

Рукав высокого давления (РВД)

1шт.

2

RM 59185249

Hose assembly

1шт.

3

RM 54633763

Hose assembly

1шт.

30

RM 59036467

Рукав высокого давления (РВД)

1шт.

31

RM 54633805

Рукав высокого давления (РВД)

1шт.

32

RM 59156026

Рукав высокого давления (РВД)

1шт.

4

RM 58946591

Шланг

1шт.

5

RM 54633771

Рукав высокого давления (РВД)

1шт.

6

RM 59549535

Hose 40"

1шт.

7

RM 54633888

Рукав высокого давления (РВД)

1шт.

8

RM 54633862

Рукав высокого давления (РВД)

1шт.

9

RM 59043984

Hose assembly

1шт.

Выбрано товаров: 14