Запчасти Volvo DD146HF S/N 53539 - 90807 Gauge Panel Assembly

Схема запчастей Volvo DD146HF S/N 53539 - - 90807 Gauge Panel Assembly
FIT
1:1
100%

Артикул

Название

Примечание

Количество

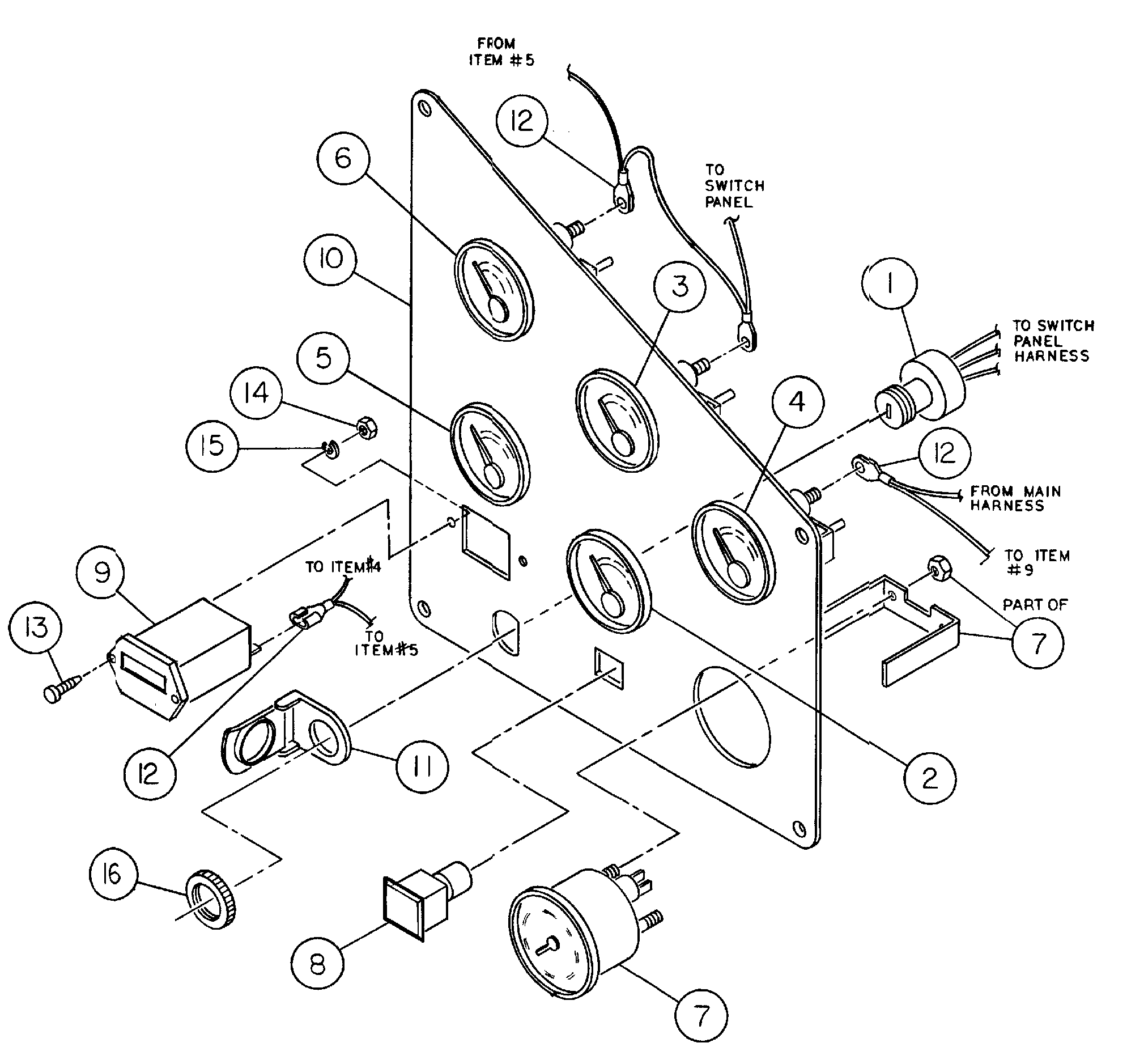
1

RM 59126946

Contact

1шт.

1

RM 58917261

Key

1шт.

1

RM 13284690

Tag

1шт.

10

RM 59037242

Decal

1шт.

11

RM 58892902

Крышка

1шт.

12

RM 59235358

Cable

1шт.

13

RM 95932117

Винт шестигранник

1шт.

14

RM 95923025

Hexagon nut

1шт.

14

RM 95923025

Hexagon nut

1шт.

15

RM 95931341

Стопорная шайба (кольцо)

1шт.

15

RM 95931341

Стопорная шайба (кольцо)

1шт.

16

RM 59126961

Гайка

1шт.

2

RM 59053397

Tachometer

1шт.

3

RM 59046904

Gauge

1шт.

4

RM 59132324

Gauge

1шт.

5

RM 59046920

Fuel gauge

1шт.

6

RM 59044297

Gauge

1шт.

7

RM 13186382

Gauge

1шт.

8

RM 58994724

Indicator

1шт.

9

RM 59165001

Clock

1шт.

Выбрано товаров: 20