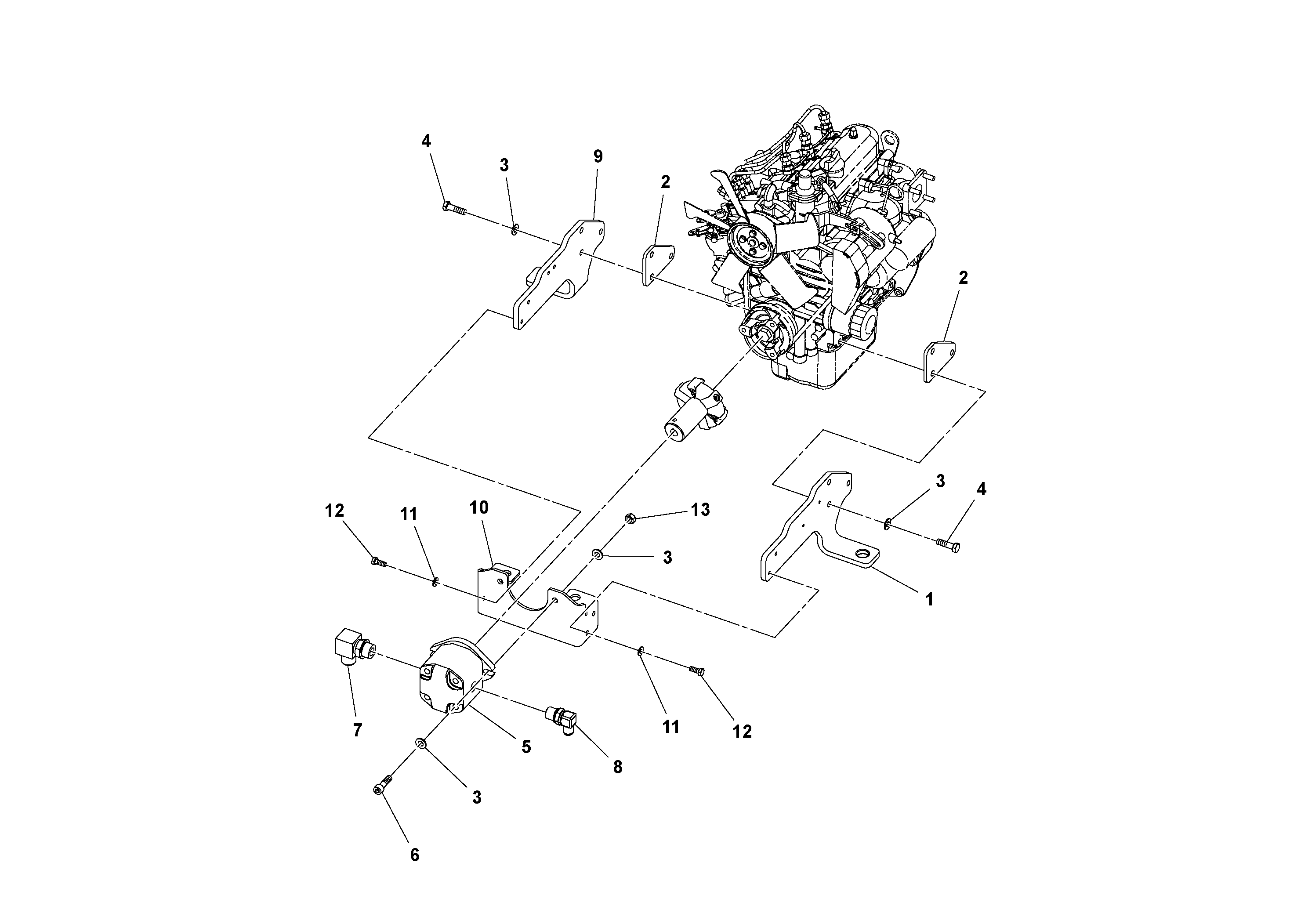
Запчасти Volvo DD14S/DD16 S/N 197600 - 96614 Vibration Pump Assembly

Схема запчастей Volvo DD14S/DD16 S/N 197600 - - 96614 Vibration Pump Assembly
FIT
1:1
100%

Артикул

Название

Примечание

Количество

RM 13199823

Пилотный (шестерёнчатый) насос

DD-20, STEERING/VIBRATION

1шт.

RM 95356960

Адаптер

DD-20

1шт.

RM 95356960

Адаптер

DD-20

1шт.

RM 13264304

Sealing kit

1шт.

RM 58898677

Sealing kit

1шт.

RM 58898677

Sealing kit

1шт.

1

RM 59272005

Кронштейн

LH

1шт.

10

RM 59226183

Кронштейн

1шт.

11

RM 96741038

Шайба

1шт.

11

RM 96741038

Шайба

1шт.

12

RM 96702824

Винт шестигранник

1шт.

12

RM 96702824

Винт шестигранник

1шт.

13

RM 96704812

Hexagon nut

1шт.

13

RM 96704812

Hexagon nut

1шт.

14

RM 95302147

Elbow nipple

DD-20

1шт.

14

RM 95302147

Elbow nipple

DD-20

1шт.

2

RM 59213223

Spacer plate

1шт.

3

RM 96741046

Плоская шайба

1шт.

3

RM 96741046

Плоская шайба

1шт.

4

RM 96739651

Винт шестигранник

1шт.

5

RM 43919208

Пилотный (шестерёнчатый) насос

DD-14/14S/16

1шт.

6

RM 96702170

Винт шестигранник (торцевой ключ)

1шт.

7

RM 95280186

Адаптер

DD-14/14S/16

1шт.

7

RM 95280186

Адаптер

DD-14/14S/16

1шт.

8

RM 95303350

Адаптер

1шт.

8

RM 95303350

Адаптер

1шт.

9

RM 59226035

Кронштейн

RH

1шт.

Выбрано товаров: 0