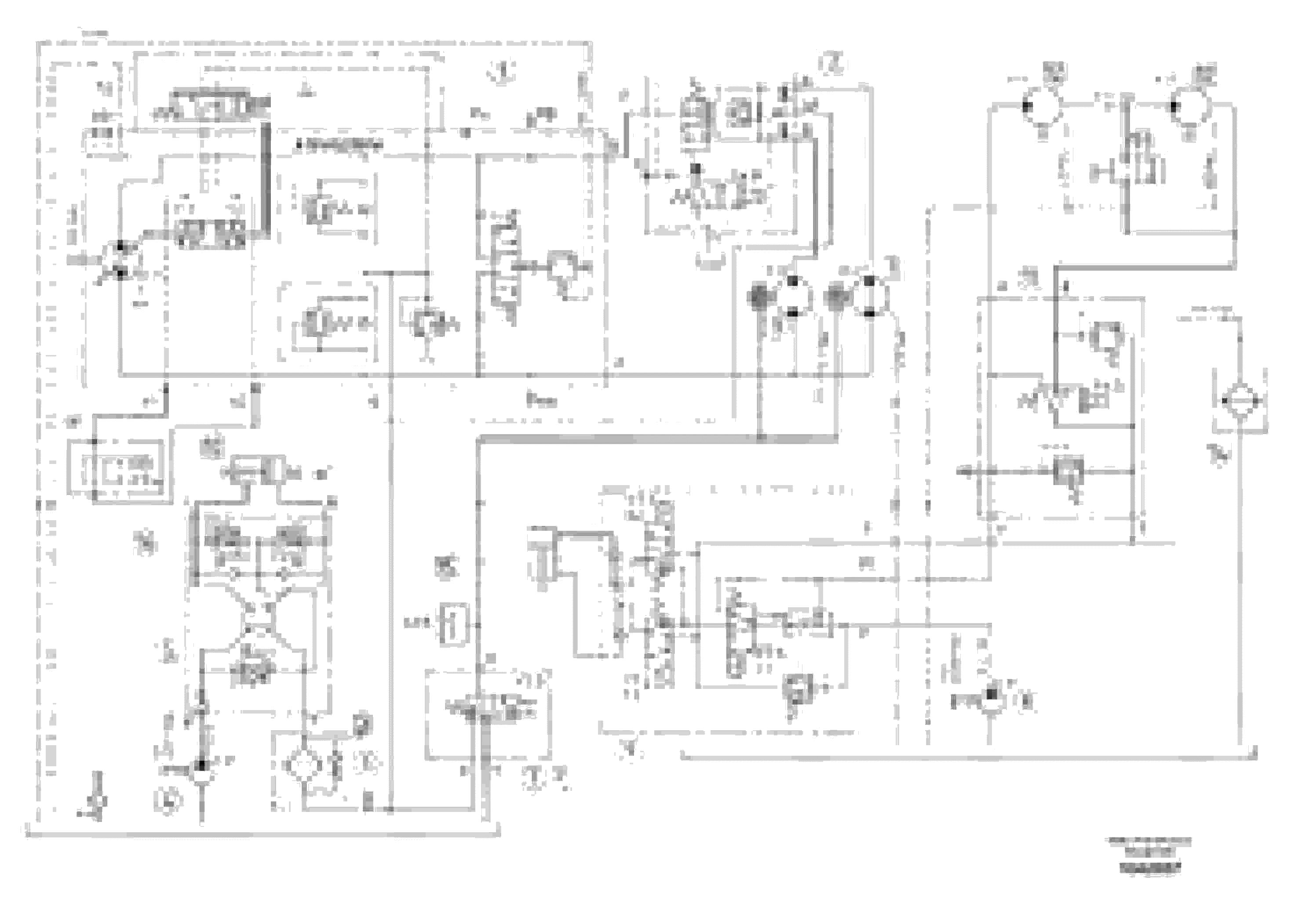
Запчасти Volvo DD24 S/N 20661 - 25176 Hydraulic diagram

Схема запчастей Volvo DD24 S/N 20661 - - 25176 Hydraulic diagram
FIT
1:1
100%

Артикул

Название

Примечание

Количество

1

RM 80762859

Гидронасос (основной насос)

A10VG28

1шт.

10

RM 80782659

Гидроцилиндр

1шт.

11

RM 80853401

Connecting block

S/N 18600-

1шт.

12

RM 80853658

Гидромотор

1шт.

13

RM 80791494

Ball valve

1шт.

14

RM 80779705

Радиатор

1шт.

15

RM 13941208

Датчик давления (переключатель, реле)

S/N 18600-

1шт.

16

RM 80620552

Клапан

1шт.

16

RM 80620552

Клапан

1шт.

2

RM 80810468

Клапан

S/N 18600-

1шт.

3

RM 80762867

Гидромотор

1шт.

4

RM 80762834

Пилотный (шестерёнчатый) насос

1шт.

5

RM 80783491

Steering kit

1шт.

6

RM 80777469

Фильтр топливный

1шт.

7

RM 80853294

Valve block

S/N 18600-

1шт.

8

RM 80853468

Пилотный (шестерёнчатый) насос

1шт.

9

RM 80780521

Valve block

1шт.

Выбрано товаров: 17