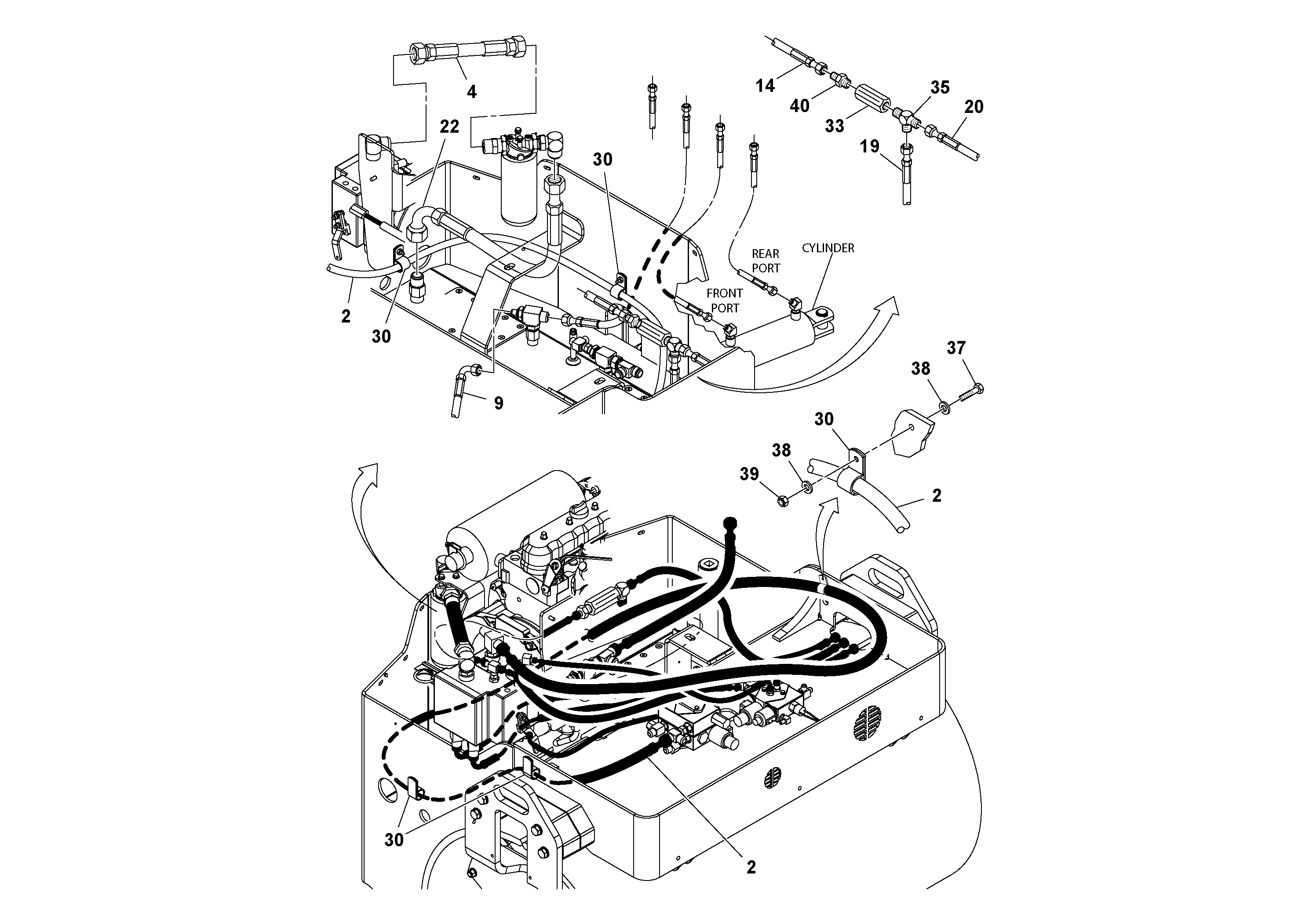
Запчасти Volvo DD29/DD30/DD31HF/DD38HF S/N 197592 - 73374 Hydraulic Hose and Tube Installation

Схема запчастей Volvo DD29/DD30/DD31HF/DD38HF S/N 197592 - - 73374 Hydraulic Hose and Tube Installation
FIT
1:1
100%

Артикул

Название

Примечание

Количество

14

RM 54465109

Hose assembly

1шт.

19

RM 54465117

Hose assembly

1шт.

2

RM 13165048

Hose assembly

1шт.

20

RM 54465125

Hose assembly

1шт.

22

RM 59810820

Hose assembly

1шт.

30

RM 95396776

Hose clamp

1шт.

33

RM 59210252

Non-return valve

1шт.

35

RM 95488250

Адаптер

1шт.

37

RM 96702659

Винт шестигранник

1шт.

37

RM 96702659

Винт шестигранник

1шт.

38

RM 96741038

Шайба

1шт.

38

RM 96741038

Шайба

1шт.

39

RM 96704606

Lock nut

1шт.

39

RM 96704606

Lock nut

1шт.

4

RM 13023478

Шланг

1шт.

40

RM 95356903

Адаптер

1шт.

40

RM 95356903

Адаптер

1шт.

9

RM 59219964

Hose assembly

1шт.

Выбрано товаров: 18