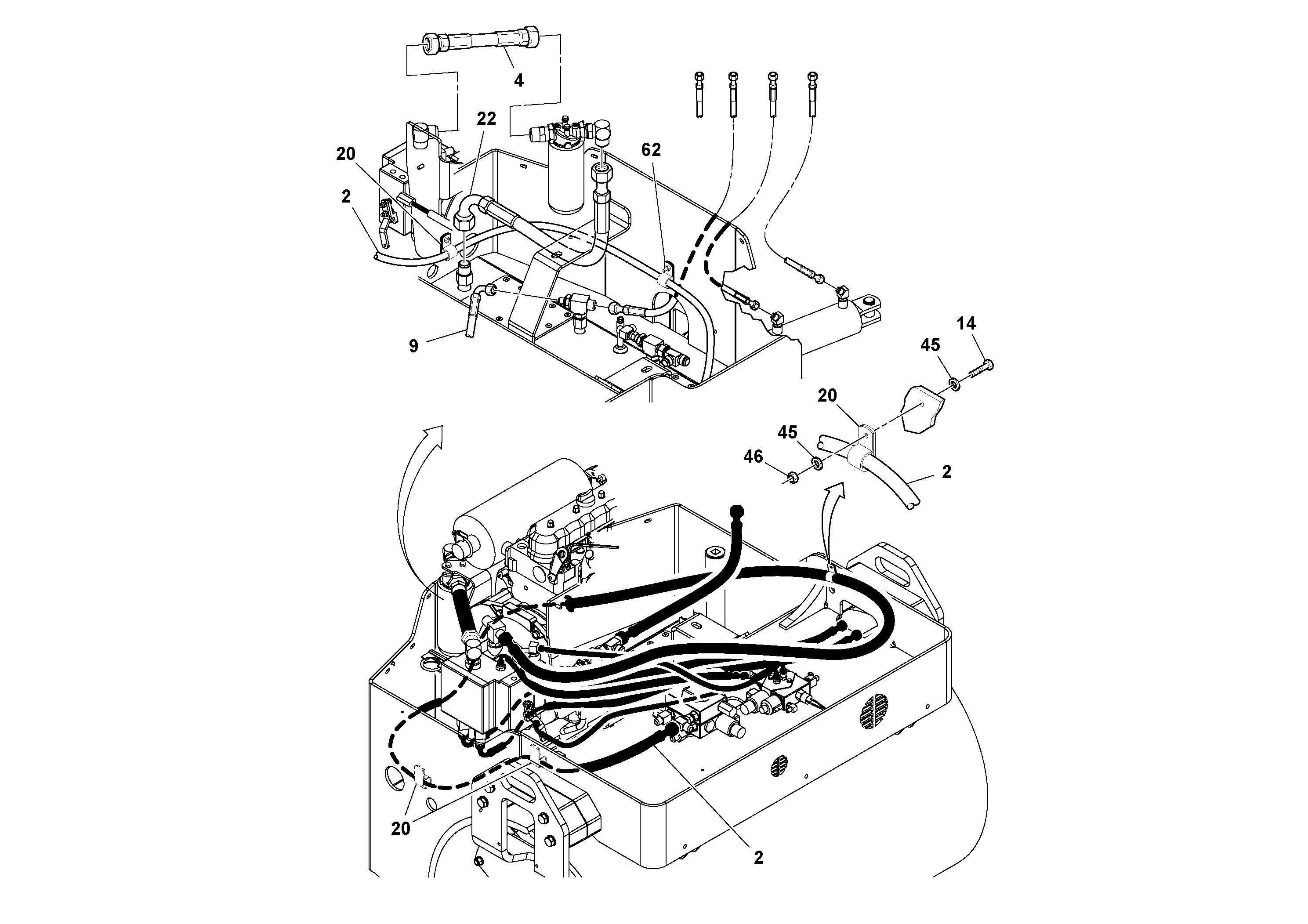
Запчасти Volvo DD29/DD30/DD31HF/DD38HF S/N 197592 - 79883 Hydraulic Hose and Tube Installation

Схема запчастей Volvo DD29/DD30/DD31HF/DD38HF S/N 197592 - - 79883 Hydraulic Hose and Tube Installation
FIT
1:1
100%

Артикул

Название

Примечание

Количество

14

RM 96702659

Винт шестигранник

1шт.

14

RM 96702659

Винт шестигранник

1шт.

2

RM 13165048

Hose assembly

1шт.

20

RM 95396776

Hose clamp

1шт.

22

RM 59810820

Hose assembly

1шт.

4

RM 13023478

Шланг

1шт.

45

RM 96741038

Шайба

1шт.

45

RM 96741038

Шайба

1шт.

46

RM 96704606

Lock nut

1шт.

46

RM 96704606

Lock nut

1шт.

9

RM 59219964

Hose assembly

1шт.

Выбрано товаров: 11