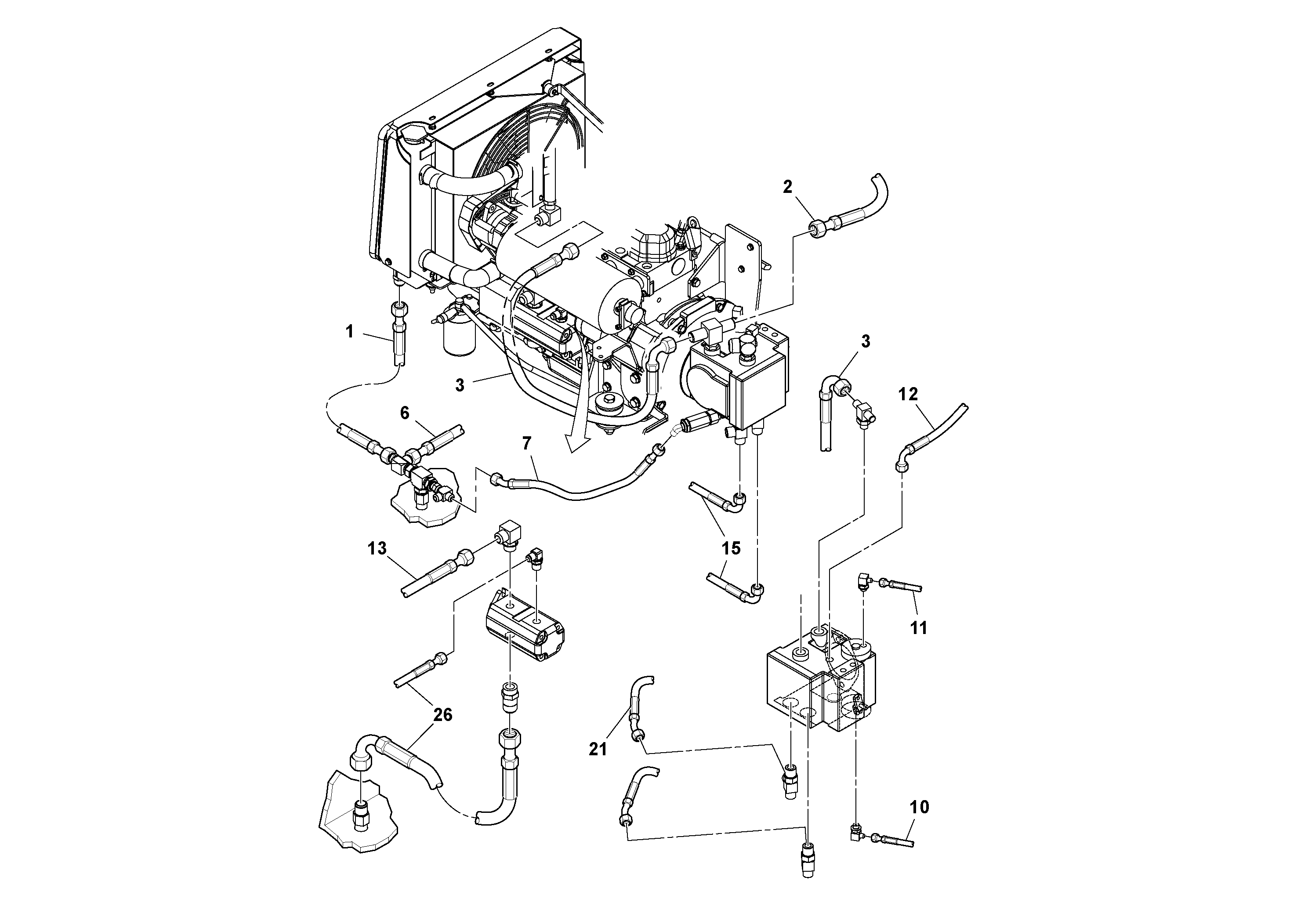
Запчасти Volvo DD29/DD30/DD31HF/DD38HF S/N 197592 - 80164 Hydraulic Hose and Tube Installation

Схема запчастей Volvo DD29/DD30/DD31HF/DD38HF S/N 197592 - - 80164 Hydraulic Hose and Tube Installation
FIT
1:1
100%

Артикул

Название

Примечание

Количество

1

RM 54469267

Hose assembly

1шт.

10

RM 59219840

Hose assembly

1шт.

11

RM 59219857

Hose assembly

1шт.

12

RM 59219865

Hose assembly

1шт.

13

RM 59219881

Hose assembly

1шт.

15

RM 59219907

Hose assembly

1шт.

2

RM 13165048

Hose assembly

1шт.

21

RM 54537105

Hose assembly

1шт.

26

RM 59587725

Hose assembly

1шт.

3

RM 54660873

Шланг

1шт.

6

RM 54484407

Hose assembly

1шт.

7

RM 13199559

Hose assembly

1шт.

Выбрано товаров: 12