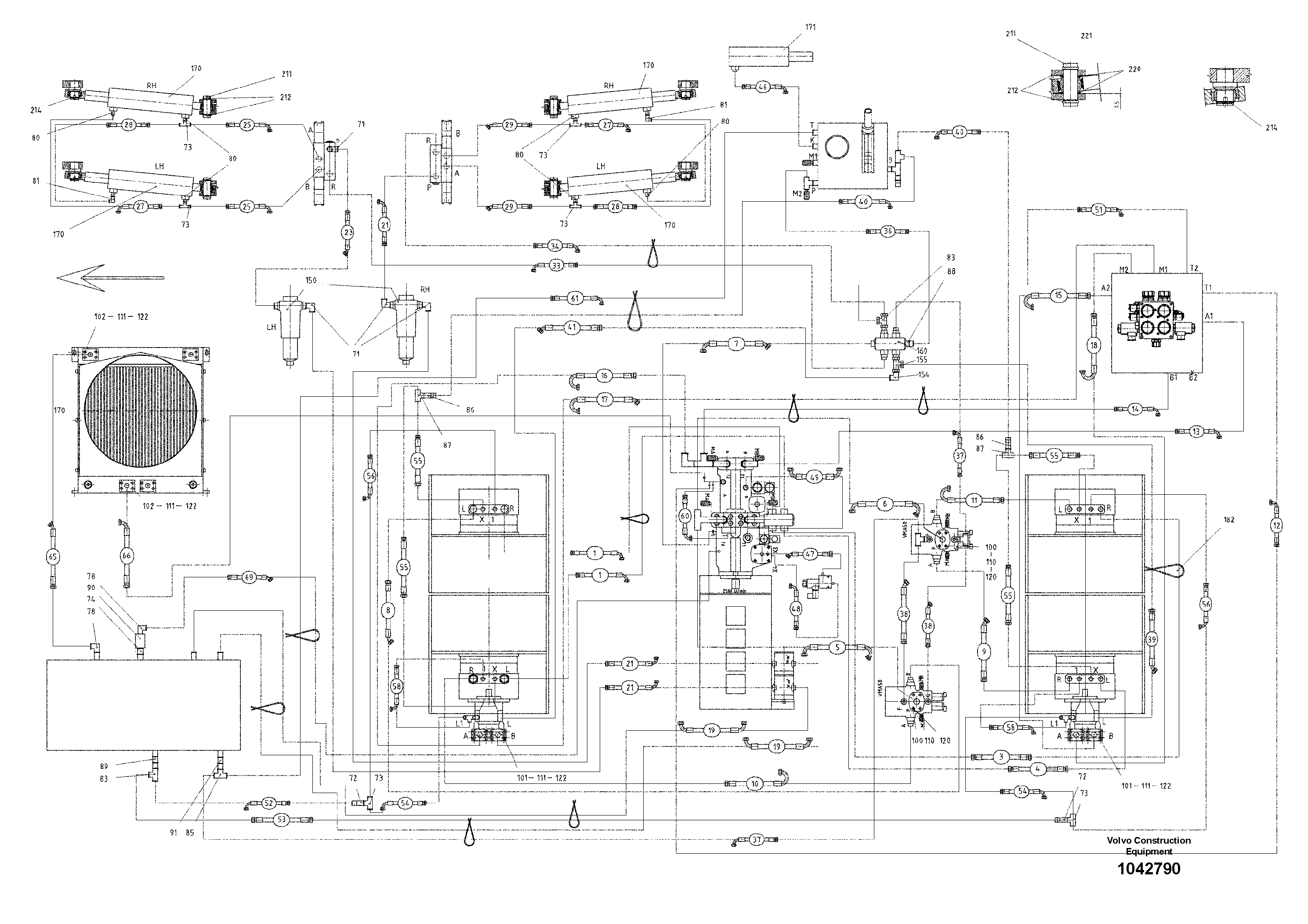
Запчасти Volvo DD85 S/N 21362 - 59470 hose lines

Схема запчастей Volvo DD85 S/N 21362 - - 59470 hose lines
FIT
1:1
100%

Артикул

Название

Примечание

Количество

1

RM 80663685

Шланг

1шт.

10

RM 80663750

Шланг

1шт.

100

RM 14140081

Flange half

1шт.

100

RM 14140081

Flange half

1шт.

101

RM 13926498

Фланец

1шт.

101

RM 13926498

Фланец

1шт.

102

RM 56289044

Flange half

1шт.

102

RM 56289044

Flange half

1шт.

11

RM 80663768

Шланг

1шт.

110

RM 58867607

Кольцо уплотнительное (О-кольцо)

1шт.

110

RM 58867607

Кольцо уплотнительное (О-кольцо)

1шт.

111

RM 58833013

Кольцо уплотнительное (О-кольцо)

1шт.

111

RM 58833013

Кольцо уплотнительное (О-кольцо)

1шт.

12

RM 80630213

Шланг

1шт.

120

RM 96725023

Винт шестигранник

1шт.

120

RM 96725023

Винт шестигранник

1шт.

122

RM 96719398

Винт шестигранник (торцевой ключ)

1шт.

122

RM 96719398

Винт шестигранник (торцевой ключ)

1шт.

13

RM 80668353

Шланг

1шт.

13

RM 80668353

Шланг

1шт.

14

RM 80703218

Шланг

1шт.

145

RM 80768393

Hose kit

1шт.

15

RM 80703200

Шланг

1шт.

150

RM 80662406

Фильтр масляный

1шт.

154

RM 14103535

Фиттинг

1шт.

154

RM 14103535

Фиттинг

1шт.

155

RM 80668718

Coupling With Nozzle

WITH NOZZLE

1шт.

16

RM 80703192

Шланг

1шт.

160

RM 80639602

Distributor

1шт.

17

RM 80668403

Шланг

1шт.

170

RM 88070370

Гидроцилиндр

1шт.

170

RM 88070370

Гидроцилиндр

1шт.

171

RM 80673064

Plunger Cylinder

1шт.

18

RM 80668379

Шланг

1шт.

180

RM 13910864

Tape

1шт.

180

RM 13910864

Tape

1шт.

181

RM 13909932

Tape

1шт.

181

RM 13909932

Tape

1шт.

182

RM 14280457

Cable wrapping tape

1шт.

182

RM 14280457

Cable wrapping tape

1шт.

19

RM 80663792

Шланг

1шт.

21

RM 13977095

Шланг

1шт.

211

RM 80635378

Болт

1шт.

212

RM 96711734

Retaining ring

1шт.

212

RM 96711734

Retaining ring

1шт.

214

RM 96711254

Retaining ring

1шт.

214

RM 96711254

Retaining ring

1шт.

220

RM 14088264

Back-up ring

1шт.

221

RM 58853805

Прокладка

1шт.

221

RM 58853805

Прокладка

1шт.

23

RM 13954144

Шланг

1шт.

240

RM 56249295

Шланг

S/N 17946-

1шт.

241

RM 14089940

Фиттинг

S/N 17946-

1шт.

242

RM 14261820

Фиттинг

S/N 17946-

1шт.

242

RM 14261820

Фиттинг

S/N 17946-

1шт.

25

RM 80663818

Шланг

S/N 17946-

1шт.

27

RM 13938865

Шланг

1шт.

28

RM 56249410

Шланг

1шт.

29

RM 80663826

Шланг

1шт.

3

RM 80663701

Шланг

1шт.

33

RM 56269137

Шланг

1шт.

34

RM 14152946

Шланг

1шт.

34

RM 14152946

Шланг

1шт.

36

RM 80470347

Шланг

S/N 17946-

1шт.

36

RM 80470347

Шланг

S/N 17946-

1шт.

37

RM 80663883

Шланг

1шт.

38

RM 80663891

Шланг

1шт.

39

RM 56285141

Шланг

1шт.

4

RM 80663693

Шланг

1шт.

40

RM 80663909

Шланг

1шт.

41

RM 80669138

Шланг

1шт.

46

RM 80470446

Шланг

1шт.

47

RM 14261218

Шланг

1шт.

48

RM 80663917

Шланг

1шт.

49

RM 80699101

Шланг

1шт.

5

RM 80663776

Шланг

1шт.

51

RM 80663974

Шланг

1шт.

52

RM 13892070

Шланг

1шт.

53

RM 80663982

Шланг

1шт.

54

RM 80663990

Шланг

1шт.

55

RM 80663925

Шланг

1шт.

56

RM 80664006

Шланг

1шт.

58

RM 80664014

Шланг

1шт.

6

RM 80663784

Шланг

1шт.

60

RM 80699135

Шланг

1шт.

61

RM 14079685

Шланг

1шт.

65

RM 80664089

Шланг

1шт.

66

RM 80699127

Шланг

1шт.

69

RM 80699093

Шланг

1шт.

7

RM 80663875

Шланг

1шт.

71

RM 14095517

Фиттинг

1шт.

71

RM 14095517

Фиттинг

1шт.

72

RM 14102784

Фиттинг

1шт.

72

RM 14102784

Фиттинг

1шт.

73

RM 14090369

Фиттинг

S/N 17946-

1шт.

73

RM 14090369

Фиттинг

S/N 17946-

1шт.

74

RM 14255897

Nipple

1шт.

78

RM 14090336

Fitting screw

1шт.

78

RM 14090336

Fitting screw

1шт.

8

RM 80663719

Шланг

1шт.

80

RM 58900960

Шпилька

1шт.

80

RM 58900960

Шпилька

1шт.

81

RM 58832908

Фиттинг

1шт.

81

RM 58832908

Фиттинг

1шт.

83

RM 14090419

Фиттинг

1шт.

83

RM 14090419

Фиттинг

1шт.

85

RM 14114078

Фиттинг

1шт.

85

RM 14114078

Фиттинг

1шт.

86

RM 58833138

Фиттинг

1шт.

86

RM 58833138

Фиттинг

1шт.

87

RM 14090351

Фиттинг

1шт.

87

RM 14090351

Фиттинг

1шт.

88

RM 13936471

Fitting screw

1шт.

88

RM 13936471

Fitting screw

1шт.

89

RM 13905641

Фиттинг

1шт.

9

RM 80663727

Шланг

1шт.

90

RM 13911045

Клапан

1шт.

91

RM 13907852

Фиттинг

1шт.

Выбрано товаров: 118