Запчасти Volvo DD90/DD90HF S/N 197375 - 106925 Drum Installation

Схема запчастей Volvo DD90/DD90HF S/N 197375 - - 106925 Drum Installation
FIT
1:1
100%

Артикул

Название

Примечание

Количество

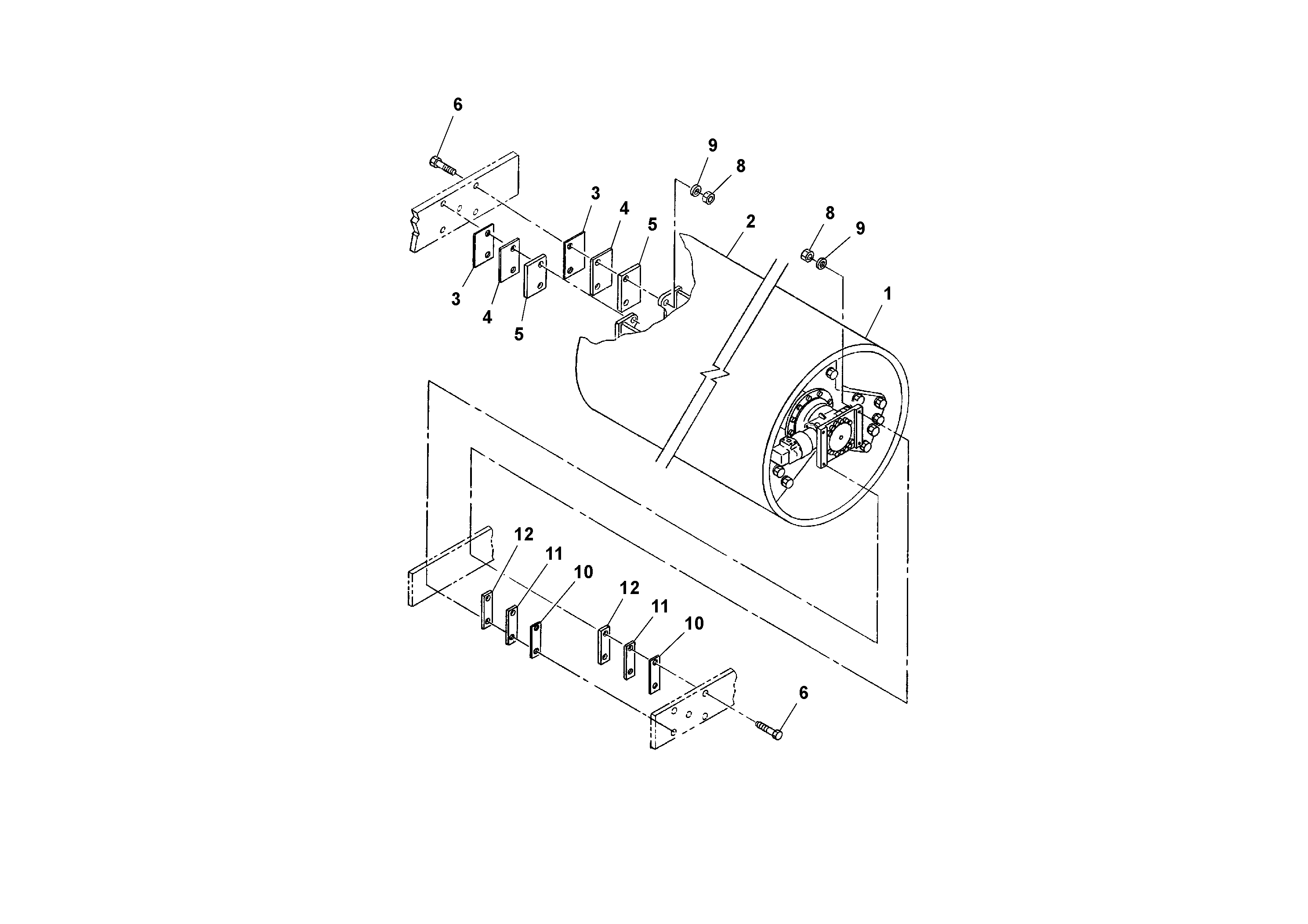
10

RM 59647727

Прокладка

1шт.

10

RM 59647727

Прокладка

1шт.

11

RM 59647735

Прокладка

1шт.

11

RM 59647735

Прокладка

1шт.

12

RM 59647743

Прокладка

1шт.

12

RM 59647743

Прокладка

1шт.

3

RM 59374686

Прокладка

1шт.

3

RM 59374686

Прокладка

1шт.

4

RM 59374694

Прокладка

1шт.

4

RM 59374694

Прокладка

1шт.

5

RM 59396531

Прокладка

1шт.

5

RM 59396531

Прокладка

1шт.

6

RM 95920294

Винт шестигранник

1шт.

8

RM 59327916

Hexagon nut

1шт.

9

RM 59565077

Шайба

1шт.

Выбрано товаров: 15