Качественные детали и логистика
Оригинальные и аналоговые запчасти с доставкой по России, Казахстану и Беларуси
©2022 PartSell ООО "Система" ИНН 2463123282 ОГРН 1212400004838
Центральный офис: г. Красноярск, Академика Киренского, д.87, пом.4
Телефон: 8 (800) 777-65-74 Email: zakaz@partsell.ru
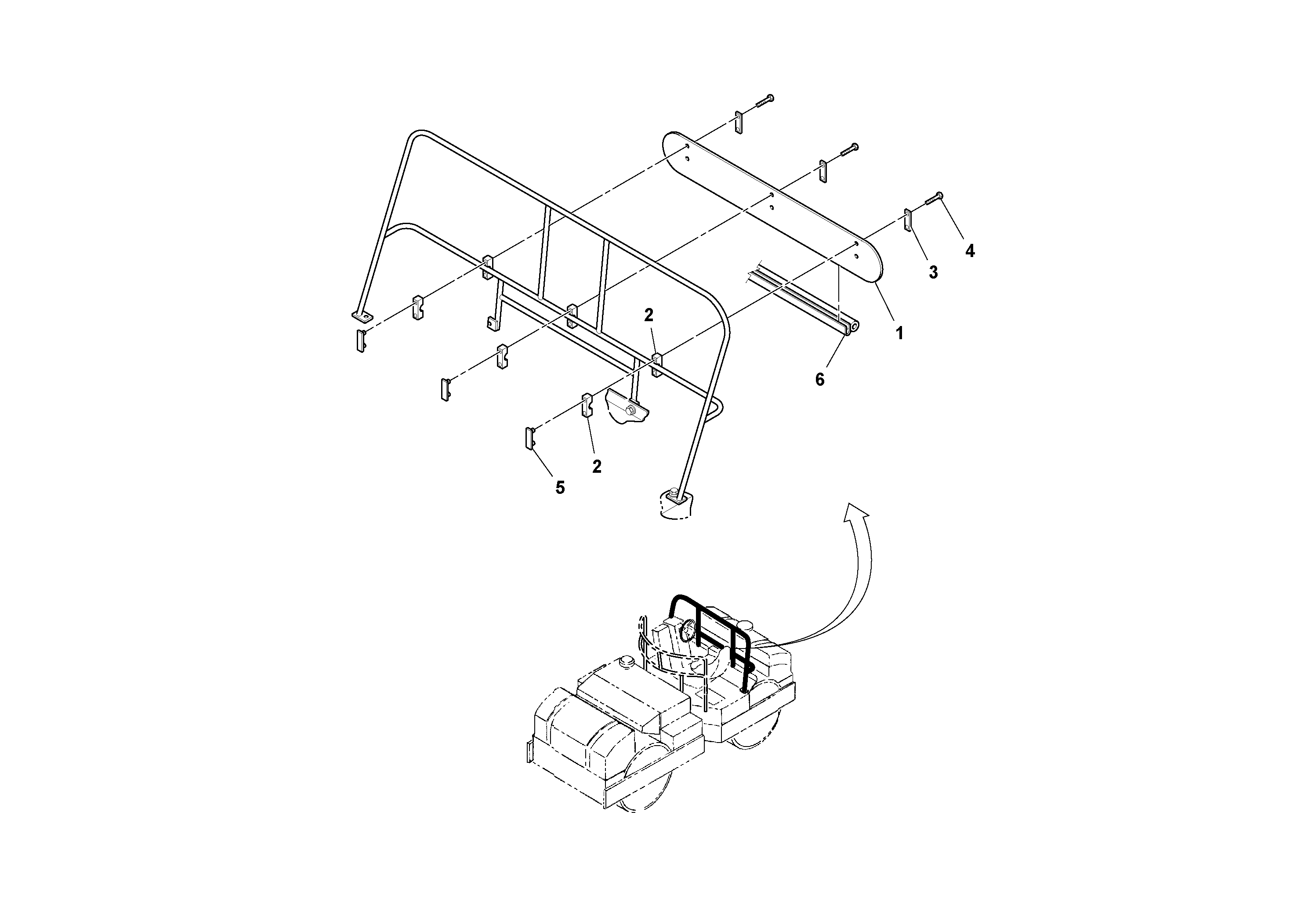
99964 Spray Shield Installation
№
Артикул
Название
Примечание
Количество
1
RM 59264101
Shield
1шт.
2
RM 59919761
Зажим
3
RM 59583658
Шайба
4
RM 95919312
Болт
5
RM 59583625
Пластина
6
RM 59339770
Sealing
Выбрано товаров: 0