Запчасти Volvo DD90/DD90HF S/N 197375 - 95940 Decal Installation

Схема запчастей Volvo DD90/DD90HF S/N 197375 - - 95940 Decal Installation
FIT
1:1
100%

Артикул

Название

Примечание

Количество

RM 43975911

Decal

Grease, Portuguese

1шт.

RM 43917244

Decal

DD-90HF

1шт.

RM 43975747

Decal

Crush Area, No Text

1шт.

RM 43975796

Decal

Lube Chart, Portuguese

1шт.

RM 14073191

Decal

Water, No Text

1шт.

RM 58978271

Decal

Read Manual

1шт.

RM 43975960

Decal

Towing, French

1шт.

RM 43975887

Decal

Fuse ID, French

1шт.

RM 43975804

Decal

Lube Chart, French

1шт.

RM 59050948

Decal

Pressure Hazard, No Text

1шт.

RM 43975945

Decal

Towing, Arabic

1шт.

RM 43975952

Decal

Towing, Portuguese

1шт.

RM 43975903

Decal

Grease, Arabic

1шт.

RM 43975853

Decal

Checklist, Spanish

1шт.

RM 43975937

Decal

Grease, Spanish

1шт.

RM 58918947

Decal

Crush Area, No Text

1шт.

RM 43975846

Decal

Checklist, French

1шт.

RM 43975838

Decal

Checklist, Portuguese

1шт.

RM 58978230

Decal

Operators Manual, No Text

1шт.

RM 43975861

Decal

Fuse ID, Arabic

1шт.

RM 43975879

Decal

Fuse ID, Portuguese

1шт.

RM 58978248

Decal

Railing Warning, No Text

1шт.

RM 43976042

Decal

Amplitude Setting

1шт.

RM 43975788

Decal

Lube Chart, Arabic

1шт.

RM 43975820

Decal

Checklist, Arabic

1шт.

RM 58978206

Decal

Roll-over Hazard, No Text

1шт.

RM 58978206

Decal

Roll-over Hazard,No Text

1шт.

RM 43975895

Decal

Fuse ID, Spanish

1шт.

RM 43975929

Decal

Grease, French

1шт.

RM 43976026

Decal

Amplitude Setting

1шт.

RM 43975978

Decal

Towing, Spanish

1шт.

RM 43976034

Decal

Amplitude Setting, French

1шт.

RM 43975812

Decal

Lube Chart, Spanish

1шт.

RM 43975754

Decal

Crush Area, No Text

1шт.

RM 43976018

Decal

Amplitude Setting, Arabic

1шт.

RM 58978214

Decal

Diesel Fuel, No Text

1шт.

RM 58978198

Decal

Rotating Fan, No Text

1шт.

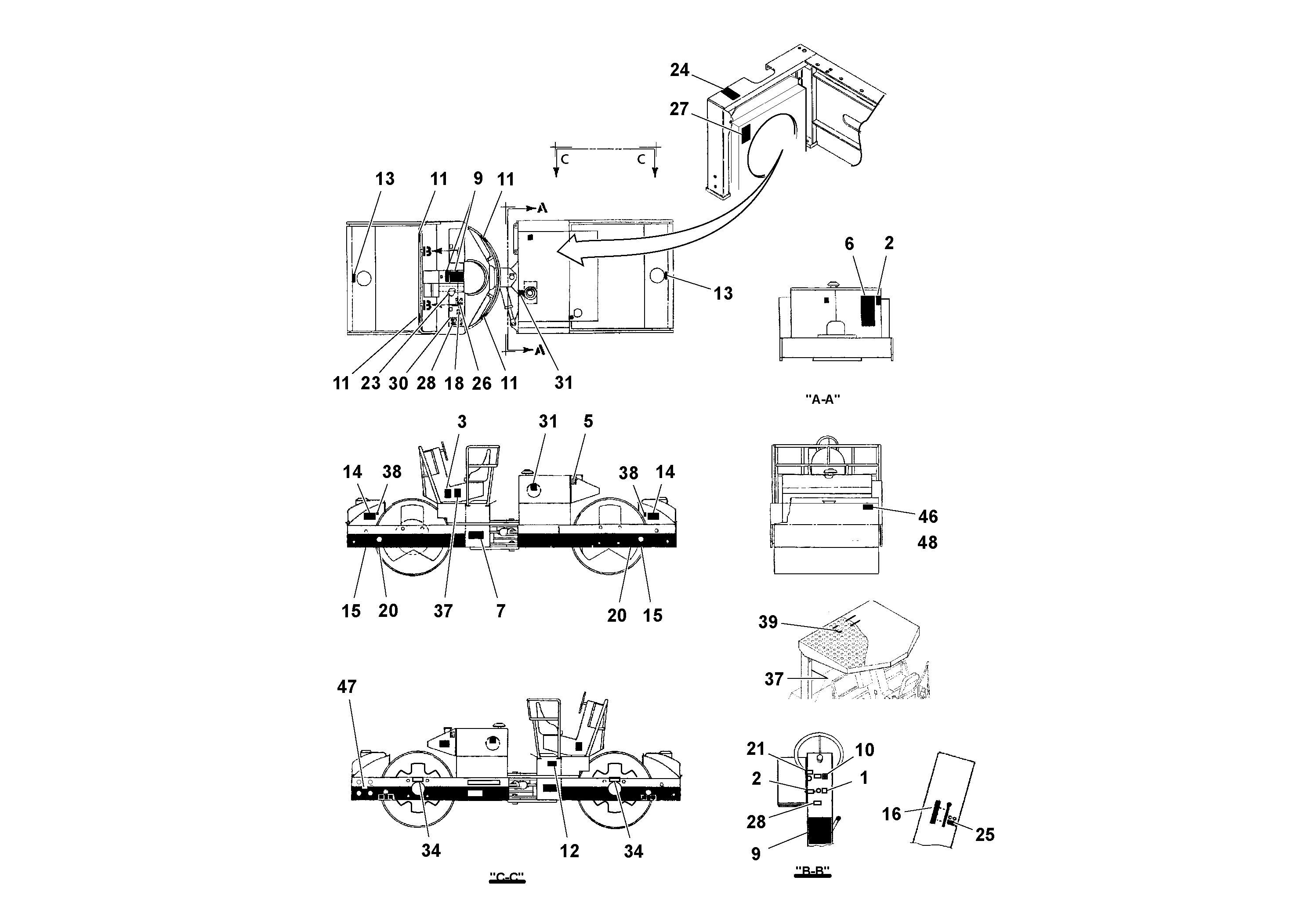
1

RM 58999681

Decal

Emergency Stop

1шт.

11

RM 59667287

Warning decal

Railing Warning

1шт.

11

RM 59667287

Warning decal

Railing Warning

1шт.

12

RM 59153379

Decal

Operator's Manual

1шт.

13

RM 59087536

Decal

Water

1шт.

14

RM 43975986

Decal

Amplitude Setting

1шт.

15

RM 59246603

Decal

Tie Down

1шт.

15

RM 59246603

Decal

Tie Down

1шт.

17

RM 43911205

Decal

Volvo Signature

1шт.

18

RM 59087569

Decal

Diesel Fuel

1шт.

18

RM 59087569

Decal

Diesel Fuel

1шт.

19

RM 43911999

Decal

Volvo Signature

1шт.

2

RM 59132118

Warning decal

1шт.

2

RM 59132118

Warning decal

1шт.

20

RM 59246611

Decal

Lift Point

1шт.

20

RM 59246611

Decal

Lift Point

1шт.

21

RM 58999582

Decal

Horn

1шт.

23

RM 43943588

Decal

Fuse ID

1шт.

24

RM 59020040

Warning decal

Pressure Hazard

1шт.

24

RM 59020040

Warning decal

Pressure Hazard

1шт.

25

RM 59087759

Decal

Grease

1шт.

26

RM 13160981

Decal

Towing

1шт.

27

RM 59132142

Decal

Rotating Fan

1шт.

27

RM 59132142

Decal

Rotating Fan

1шт.

29

RM 43917236

Decal

DD-90

1шт.

3

RM 58965690

Decal

Roll-over Hazard

1шт.

37

RM 13451653

Decal

Crush Area

1шт.

39

RM 13870621

Decal

Crush Area

1шт.

40

RM 43919356

Decal

1шт.

41

RM 43919364

Decal

Stripe

1шт.

42

RM 43919372

Decal

Stripe

1шт.

43

RM 43919380

Decal

Stripe

1шт.

44

RM 43919398

Decal

Stripe

1шт.

45

RM 43919406

Decal

Stripe

1шт.

46

RM 43961200

Светоотражатель (отражатель)

Red

1шт.

47

RM 43961218

Светоотражатель (отражатель)

Amber

1шт.

48

RM 43961226

Светоотражатель (отражатель)

White

1шт.

5

RM 13199344

Decal

Hydraulic Oil

1шт.

5

RM 13199344

Decal

Hydraulic Oil

1шт.

6

RM 43966373

Lube Chart

Lube Chart

1шт.

7

RM 58965542

Warning decal

Crush Area

1шт.

7

RM 58965542

Warning decal

Crush Area

1шт.

9

RM 59281006

Decal

Checklist

1шт.

Выбрано товаров: 80