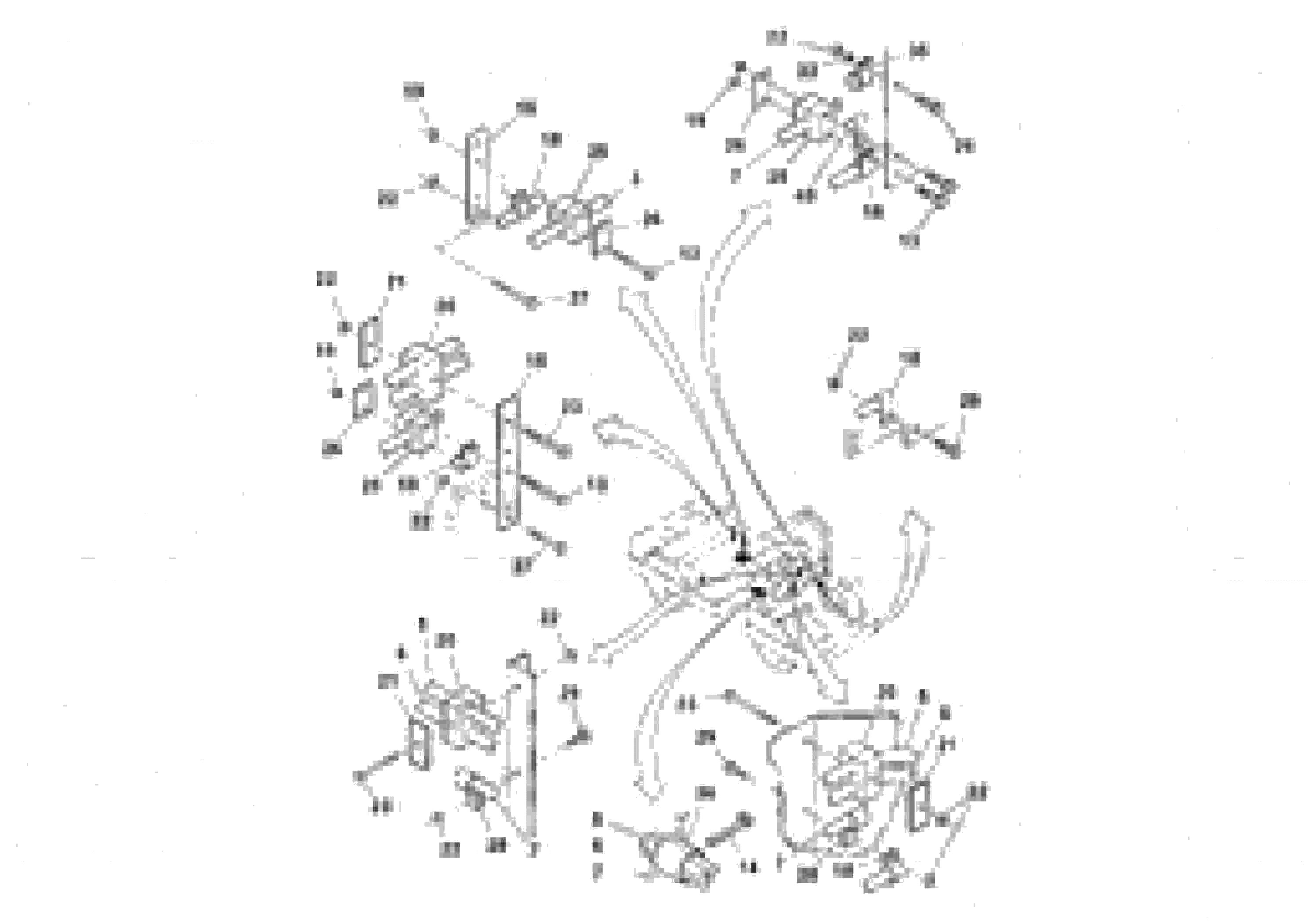
Запчасти Volvo DD90/DD90HF S/N 197375 - 93222 Traction Hoses Installation

Схема запчастей Volvo DD90/DD90HF S/N 197375 - - 93222 Traction Hoses Installation
FIT
1:1
100%

Артикул

Название

Примечание

Количество

13

RM 95919205

Болт

1шт.

14

RM 95424586

Cable tie

1шт.

14

RM 95424586

Cable tie

1шт.

15

RM 59185579

Mounting plate

1шт.

16

RM 59190264

Mounting plate

1шт.

18

RM 95301859

Hose clamp

1шт.

18

RM 95301859

Hose clamp

1шт.

19

RM 95923298

Lock nut

1шт.

20

RM 59829432

Зажим

1шт.

20

RM 59829432

Зажим

1шт.

21

RM 59656322

Шайба

1шт.

21

RM 59656322

Шайба

1шт.

22

RM 95923314

Lock nut

1шт.

22

RM 95923314

Lock nut

1шт.

23

RM 95920583

Болт

1шт.

25

RM 59895540

Зажим

1шт.

26

RM 59587816

Шайба

1шт.

26

RM 59587816

Шайба

1шт.

27

RM 95920542

Болт

1шт.

28

RM 95301867

Зажим

1шт.

29

RM 95920443

Болт

1шт.

3

RM 59203422

Hose assembly

1шт.

33

RM 95922365

Шайба

1шт.

33

RM 95922365

Шайба

1шт.

35

RM 95457586

Зажим

1шт.

36

RM 59812826

Guard

1шт.

40

RM 95396776

Hose clamp

1шт.

5

RM 59203422

Hose assembly

1шт.

6

RM 59189050

Hose assembly

1шт.

7

RM 59190223

Hose assembly

1шт.

Выбрано товаров: 30