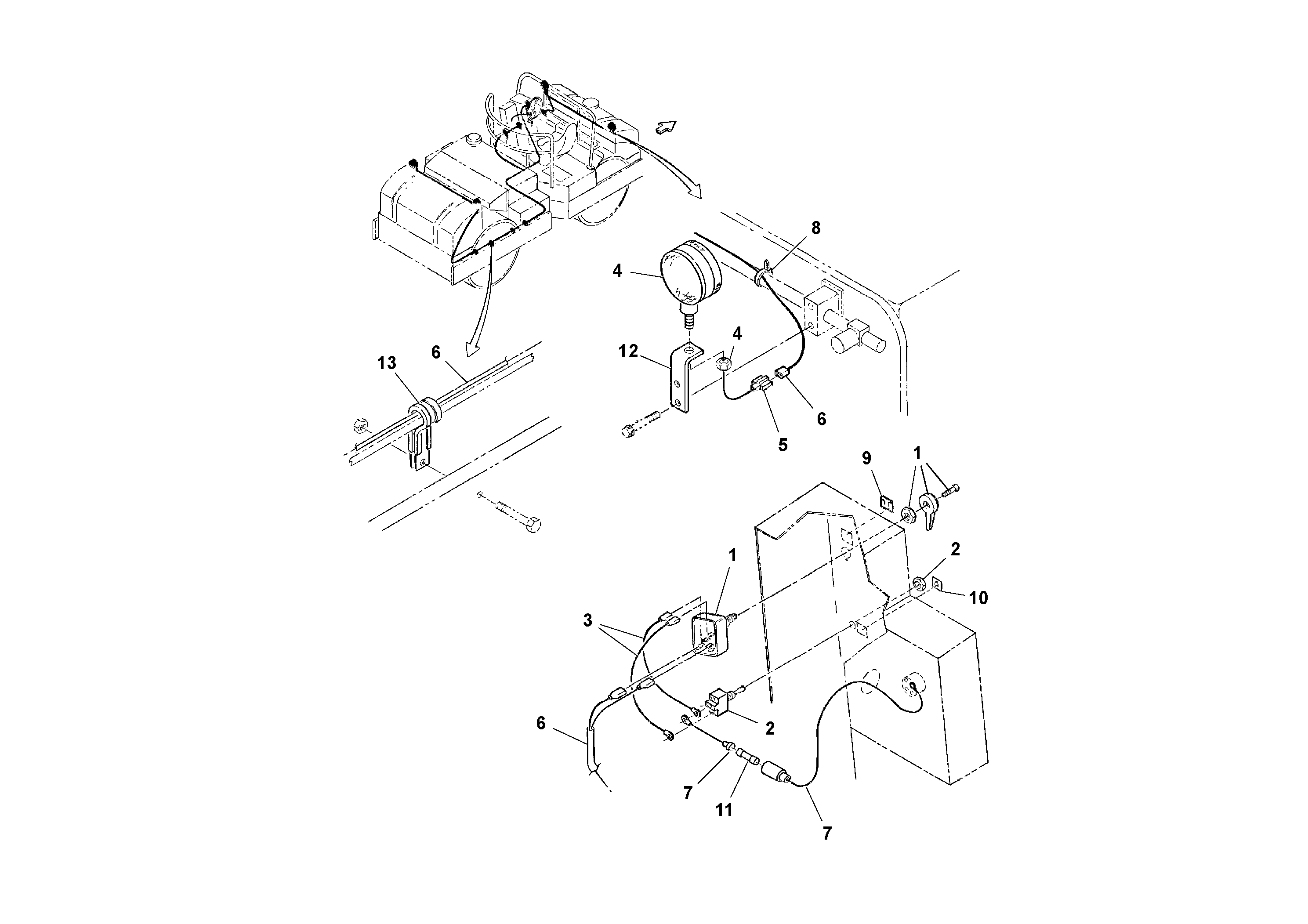
Запчасти Volvo DD90/DD90HF S/N 197375 - 100528 Hazard Flasher/Turn Signal Installation

Схема запчастей Volvo DD90/DD90HF S/N 197375 - - 100528 Hazard Flasher/Turn Signal Installation
FIT
1:1
100%

Артикул

Название

Примечание

Количество

RM 58844804

Lens

1шт.

RM 58844812

Bulb

SINGLE CONTACT

1шт.

RM 58844796

Lens

1шт.

1

RM 59972224

Переключатель

1шт.

10

RM 59973073

Decal

1шт.

11

RM 59630020

Fuse

10 AMP

1шт.

12

RM 13340252

Mounting plate

1шт.

13

RM 58879891

Зажим

1шт.

13

RM 58879891

Зажим

1шт.

2

RM 59634105

Переключатель

1шт.

3

RM 13207378

Cable

1шт.

4

RM 59759753

Lamp

1шт.

5

RM 95371266

Disconnector

1шт.

6

RM 59106880

Cable harness

1шт.

7

RM 59206300

Fuse holder

1шт.

8

RM 95738282

Tie straps

1шт.

9

RM 59973065

Decal

1шт.

Выбрано товаров: 17