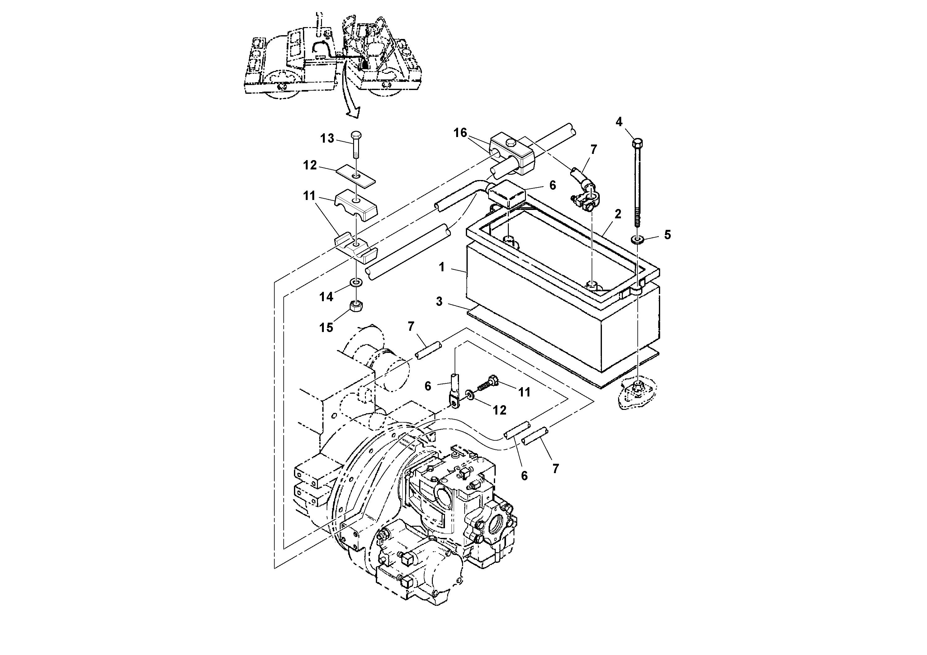
Запчасти Volvo DD90/DD90HF S/N 197375 - 93867 Battery installation

Схема запчастей Volvo DD90/DD90HF S/N 197375 - - 93867 Battery installation
FIT
1:1
100%

Артикул

Название

Примечание

Количество

RM 59203232

Battery cable

S/N -173585

1шт.

1

RM 54616081

Батарея аккумуляторная

1шт.

11

RM 59587014

Зажим

1шт.

12

RM 59583500

Пластина

1шт.

13

RM 96712252

Винт шестигранник

1шт.

14

RM 96713979

Шайба

1шт.

14

RM 96713979

Шайба

1шт.

15

RM 96704606

Lock nut

1шт.

15

RM 96704606

Lock nut

1шт.

16

RM 59891002

Зажим

1шт.

2

RM 19295492

Battery clamp

1шт.

3

RM 58927948

Battery clamp

1шт.

4

RM 95942223

Винт шестигранник

1шт.

5

RM 59731380

Шайба

1шт.

6

RM 43927847

Battery cable

S/N 173586-

1шт.

7

RM 43927854

Battery cable

1шт.

Выбрано товаров: 16