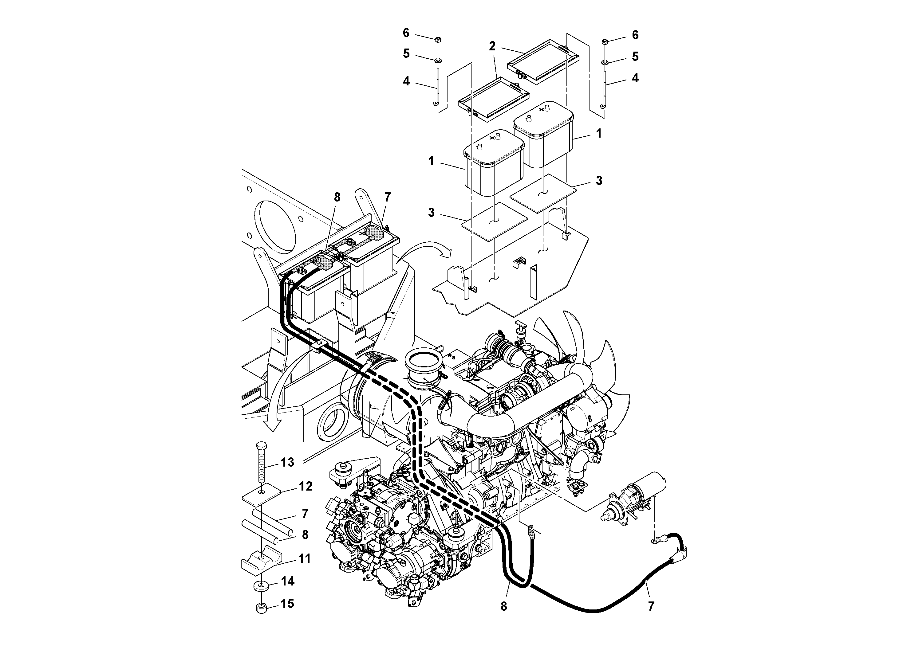
Запчасти Volvo DD90/DD90HF S/N 197375 - 96896 Battery installation

Схема запчастей Volvo DD90/DD90HF S/N 197375 - - 96896 Battery installation
FIT
1:1
100%

Артикул

Название

Примечание

Количество

1

RM 54616081

Батарея аккумуляторная

1шт.

11

RM 59583468

Зажим

1шт.

11

RM 59583468

Зажим

1шт.

12

RM 59583450

Шайба

1шт.

12

RM 59583450

Шайба

1шт.

13

RM 96712252

Винт шестигранник

1шт.

14

RM 96713979

Шайба

1шт.

14

RM 96713979

Шайба

1шт.

15

RM 96704606

Lock nut

1шт.

15

RM 96704606

Lock nut

1шт.

2

RM 19295492

Battery clamp

1шт.

3

RM 58927948

Battery clamp

1шт.

4

RM 43880533

J-hook

1шт.

5

RM 96712674

Шайба

1шт.

5

RM 96712674

Шайба

1шт.

6

RM 96704606

Lock nut

1шт.

6

RM 96704606

Lock nut

1шт.

7

RM 43927862

Battery cable

1шт.

8

RM 43927870

Battery cable

1шт.

Выбрано товаров: 19