Запчасти Volvo DD90 93079 Vibration Pump DD90/DD90HF S/N 197375 -

Схема запчастей Volvo DD90 - 93079 Vibration Pump DD90/DD90HF S/N 197375 -
FIT
1:1
100%

Артикул

Название

Примечание

Количество

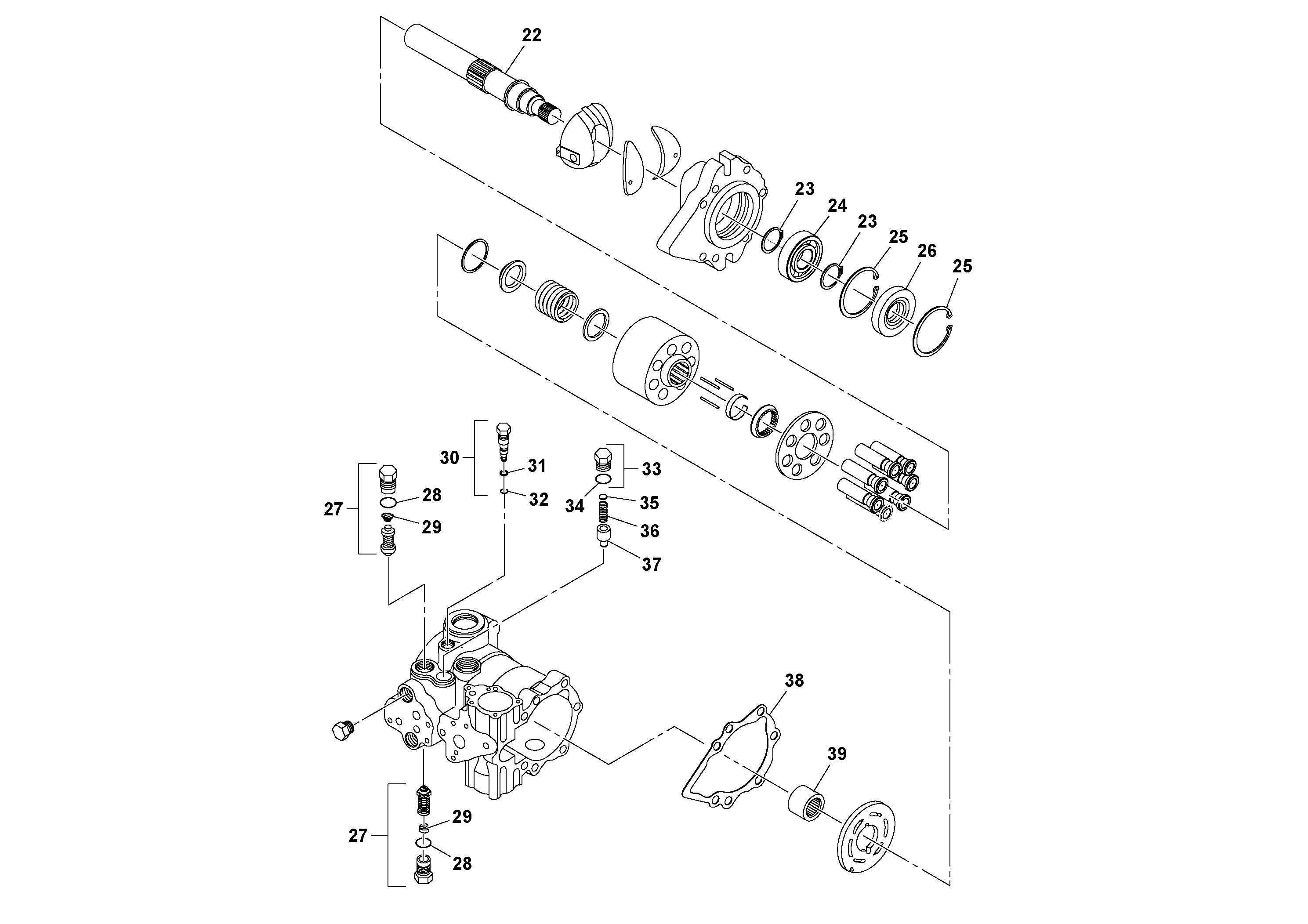
22

RM 59888297

Вал насоса

1шт.

23

RM 59785519

Кольцо

1шт.

23

RM 59785519

Кольцо

1шт.

24

RM 95200648

Ball bearing

1шт.

25

RM 59861872

Кольцо

1шт.

26

RM 59941203

Кольцо уплотнительное

1шт.

26

RM 59941203

Кольцо уплотнительное

1шт.

27

RM 58784281

Non-return valve

1шт.

27

RM 58784281

Non-return valve

1шт.

28

RM 58220567

Кольцо уплотнительное (О-кольцо)

1шт.

29

RM 13263702

Пружина

1шт.

30

RM 59779918

Клапан

1шт.

30

RM 59779918

Клапан

1шт.

31

RM 59986422

Back-up ring

1шт.

31

RM 59986422

Back-up ring

1шт.

32

RM 13247358

Кольцо уплотнительное (О-кольцо)

1шт.

33

RM 59933614

Пробка (заглушка)

1шт.

34

RM 50278019

Кольцо уплотнительное (О-кольцо)

1шт.

34

RM 50278019

Кольцо уплотнительное (О-кольцо)

1шт.

35

RM 58220583

Shim kit

1шт.

35

RM 58220583

Shim kit

1шт.

36

RM 59034348

Пружина

1шт.

36

RM 59034348

Пружина

1шт.

37

RM 58220633

Клапан предохранительный (разгрузочный, сброса давления)

1шт.

37

RM 58220633

Клапан предохранительный (разгрузочный, сброса давления)

1шт.

38

RM 59949511

Прокладка

1шт.

38

RM 59949511

Прокладка

1шт.

39

RM 59785303

Подшипник

1шт.

39

RM 59785303

Подшипник

1шт.

Выбрано товаров: 29