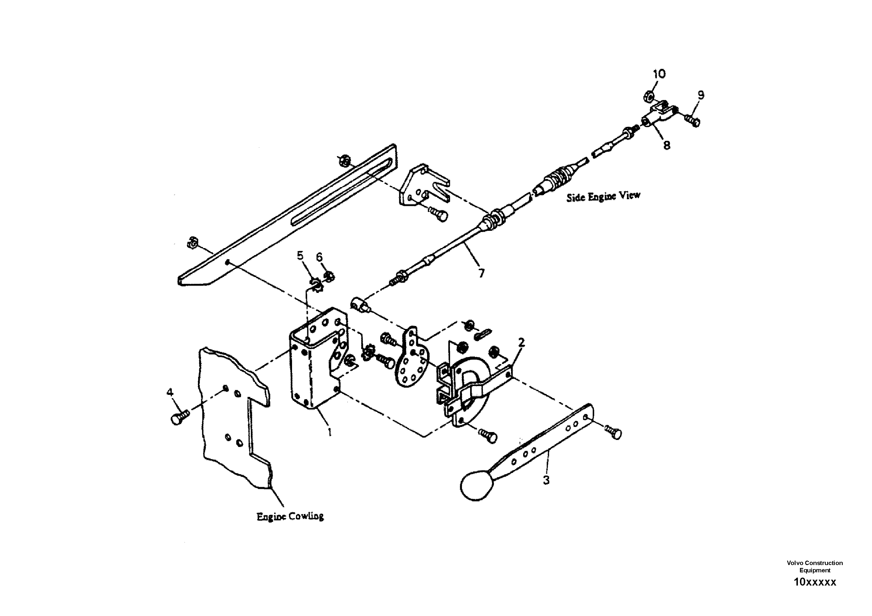
Запчасти Volvo DD90 106554 Throttle Assembly DD90 S/N 08200011422 -

Схема запчастей Volvo DD90 - 106554 Throttle Assembly DD90 S/N 08200011422 -
FIT
1:1
100%

Артикул

Название

Примечание

Количество

10

RM 14083448

Hexagon nut

1шт.

10

RM 14083448

Hexagon nut

1шт.

10

RM 59826032

Hexagon nut

1шт.

4

RM 96714241

Винт шестигранник

1шт.

4

RM 96714241

Винт шестигранник

1шт.

4

RM 94038676

Винт шестигранник

1шт.

4

RM 94038676

Винт шестигранник

1шт.

5

RM 94037785

Шайба пружинная

1шт.

5

RM 94037785

Шайба пружинная

1шт.

5

RM 96719729

Плоская шайба

1шт.

5

RM 96719729

Плоская шайба

1шт.

6

RM 96712781

Hexagon nut

1шт.

6

RM 96712781

Hexagon nut

1шт.

6

RM 94037678

Hexagon nut

1шт.

6

RM 94037678

Hexagon nut

1шт.

7

RM 70538962

Throttle control cable

1шт.

8

RM 70081302

Clevis

1шт.

9

RM 96714258

Винт шестигранник

1шт.

9

RM 96714258

Винт шестигранник

1шт.

9

RM 95860052

Болт

1шт.

Выбрано товаров: 20