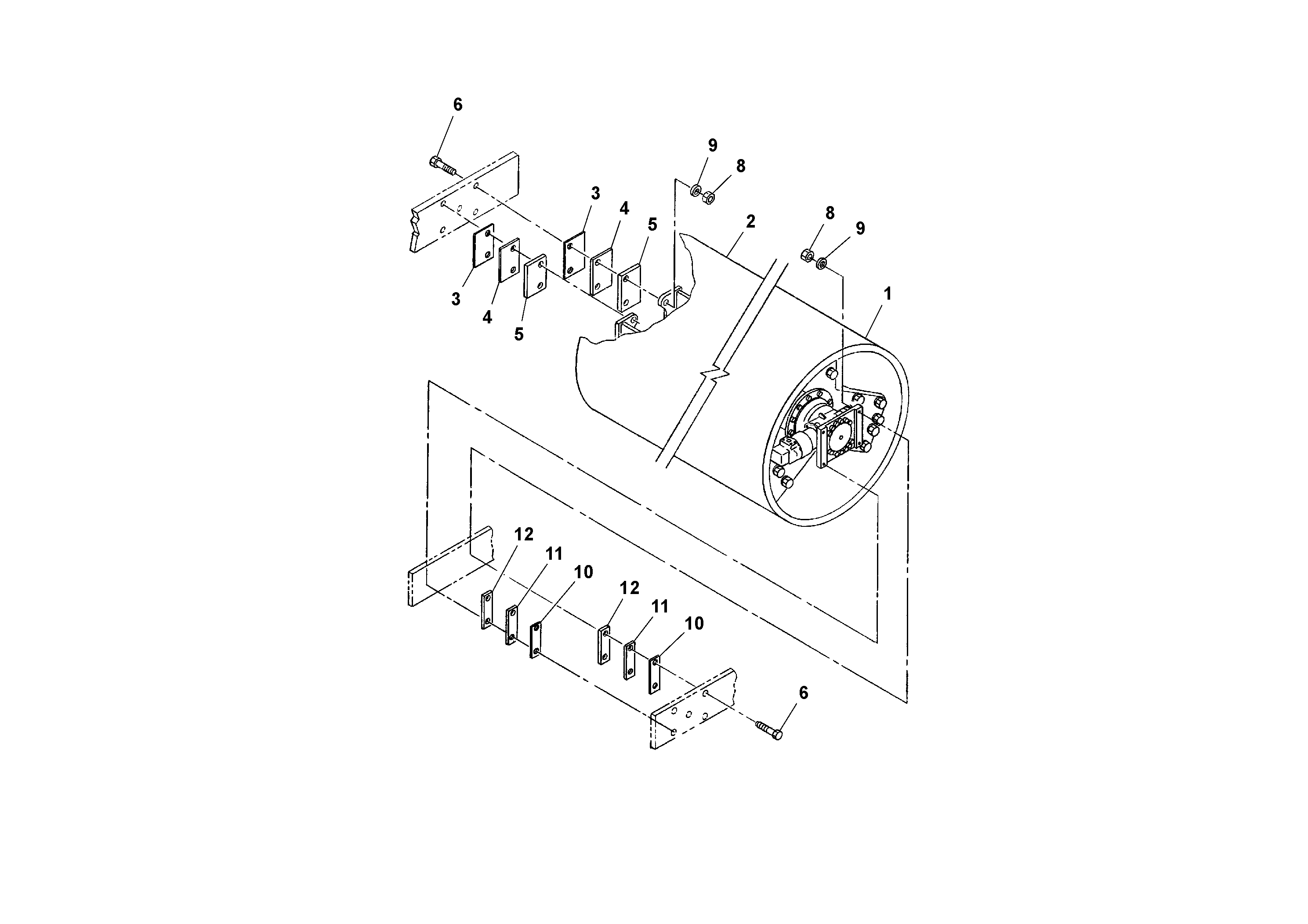
Запчасти Volvo DD90 102477 Drum Installation DD90 S/N 08200011422 -

Схема запчастей Volvo DD90 - 102477 Drum Installation DD90 S/N 08200011422 -
FIT
1:1
100%

Артикул

Название

Примечание

Количество

10

RM 46693461

Прокладка

THICK = 2 MM

1шт.

11

RM 46693453

Прокладка

THICK = 3,15 MM

1шт.

12

RM 46693446

Прокладка

THICK = 5 MM

1шт.

3

RM 70561360

Прокладка

THICK = 2 MM

1шт.

4

RM 70561378

Прокладка

THICK = 3,15 MM

1шт.

5

RM 70561386

Прокладка

THICK = 5 MM

1шт.

6

RM 95920294

Винт шестигранник

1шт.

8

RM 95923306

Гайка

1шт.

9

RM 59565077

Шайба

1шт.

Выбрано товаров: 9