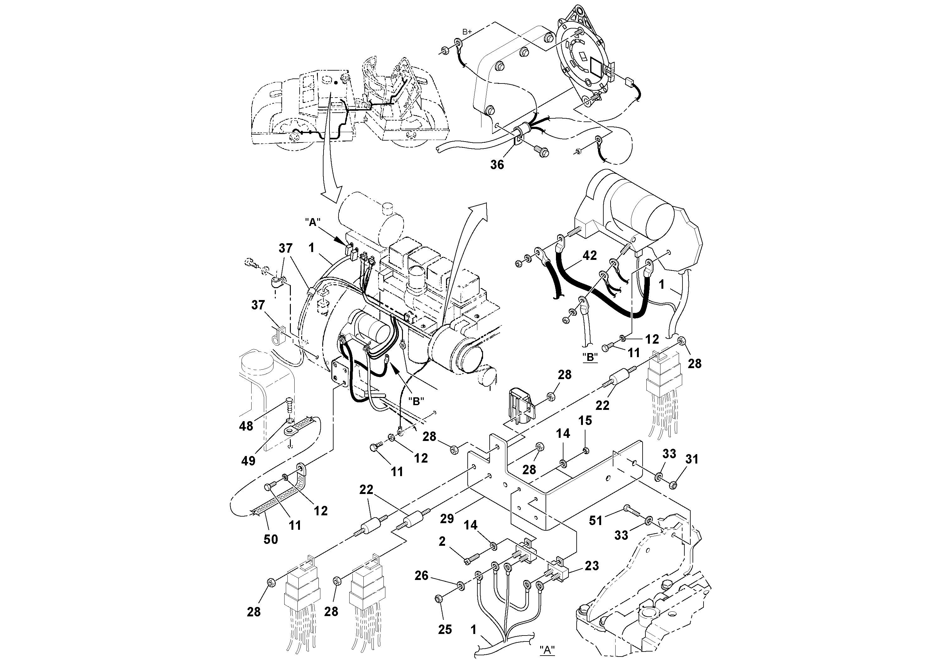
Запчасти Volvo DD90 102636 Cable Harness Installation DD90/DD90HF S/N 197375 -

Схема запчастей Volvo DD90 - 102636 Cable Harness Installation DD90/DD90HF S/N 197375 -
FIT
1:1
100%

Артикул

Название

Примечание

Количество

RM 43979061

Кронштейн

SN 200984-

1шт.

RM 96702659

Винт шестигранник

SN 200984-

1шт.

RM 96702659

Винт шестигранник

SN 200984-

1шт.

RM 95922332

Плоская шайба

SN 200984-

1шт.

RM 95922332

Плоская шайба

SN 200984-

1шт.

RM 59327825

Hexagon nut

SN 200984-

1шт.

RM 96701495

Винт шестигранник

SN 200984-

1шт.

RM 96701495

Винт шестигранник

SN 200984-

1шт.

RM 43946425

Cable harness

SN 200984-

1шт.

RM 95923124

Hexagon nut

SN 200984-

1шт.

RM 59970384

Rubber damper

SN 200984-

1шт.

RM 95922134

Болт

SN 200984-

1шт.

RM 96741038

Шайба

SN 200984-

1шт.

RM 96741038

Шайба

SN 200984-

1шт.

RM 96701370

Гайка

SN 200984-

1шт.

RM 96701370

Гайка

SN 200984-

1шт.

RM 96701370

Nut

SN 200984-

1шт.

RM 59726075

Зажим

SN 200984-

1шт.

RM 95943346

Гайка

SN 200984-

1шт.

RM 96738596

Шайба

SN 200984-

1шт.

1

RM 43974344

Harness

SN -200984

1шт.

11

RM 96701495

Винт шестигранник

SN -200984

1шт.

11

RM 96701495

Винт шестигранник

SN -200984

1шт.

12

RM 96738596

Шайба

SN -200984

1шт.

14

RM 95922332

Плоская шайба

SN -200984

1шт.

14

RM 95922332

Плоская шайба

SN -200984

1шт.

15

RM 95943346

Гайка

SN -200984

1шт.

19

RM 96741053

Шайба

1шт.

19

RM 96741053

Шайба

1шт.

2

RM 95922134

Болт

SN -200984

1шт.

22

RM 59970384

Rubber damper

SN -200984

1шт.

23

RM 59603746

Breaker

1шт.

25

RM 95923124

Hexagon nut

SN -200984

1шт.

26

RM 95931366

Стопорная шайба (кольцо)

1шт.

26

RM 95931366

Стопорная шайба (кольцо)

1шт.

28

RM 59327825

Hexagon nut

SN -200984

1шт.

29

RM 43853175

Fuse Mtg Bracke

SN -200984

1шт.

31

RM 96701370

Гайка

SN -200984

1шт.

31

RM 96701370

Гайка

SN -200984

1шт.

31

RM 96701370

Nut

SN -200984

1шт.

33

RM 96741038

Шайба

SN -200984

1шт.

33

RM 96741038

Шайба

SN -200984

1шт.

36

RM 59117317

Зажим

1шт.

36

RM 59117317

Зажим

1шт.

37

RM 59726075

Зажим

SN -200984

1шт.

42

RM 13306519

Ground cable

1шт.

48

RM 96701917

Винт шестигранник

1шт.

48

RM 96701917

Винт шестигранник

1шт.

49

RM 96741046

Плоская шайба

1шт.

49

RM 96741046

Плоская шайба

1шт.

50

RM 59409508

Strap

1шт.

51

RM 96702659

Винт шестигранник

SN -200984

1шт.

51

RM 96702659

Винт шестигранник

SN -200984

1шт.

54

RM 96702659

Винт шестигранник

1шт.

54

RM 96702659

Винт шестигранник

1шт.

8

RM 13316831

Реле

1шт.

Выбрано товаров: 56