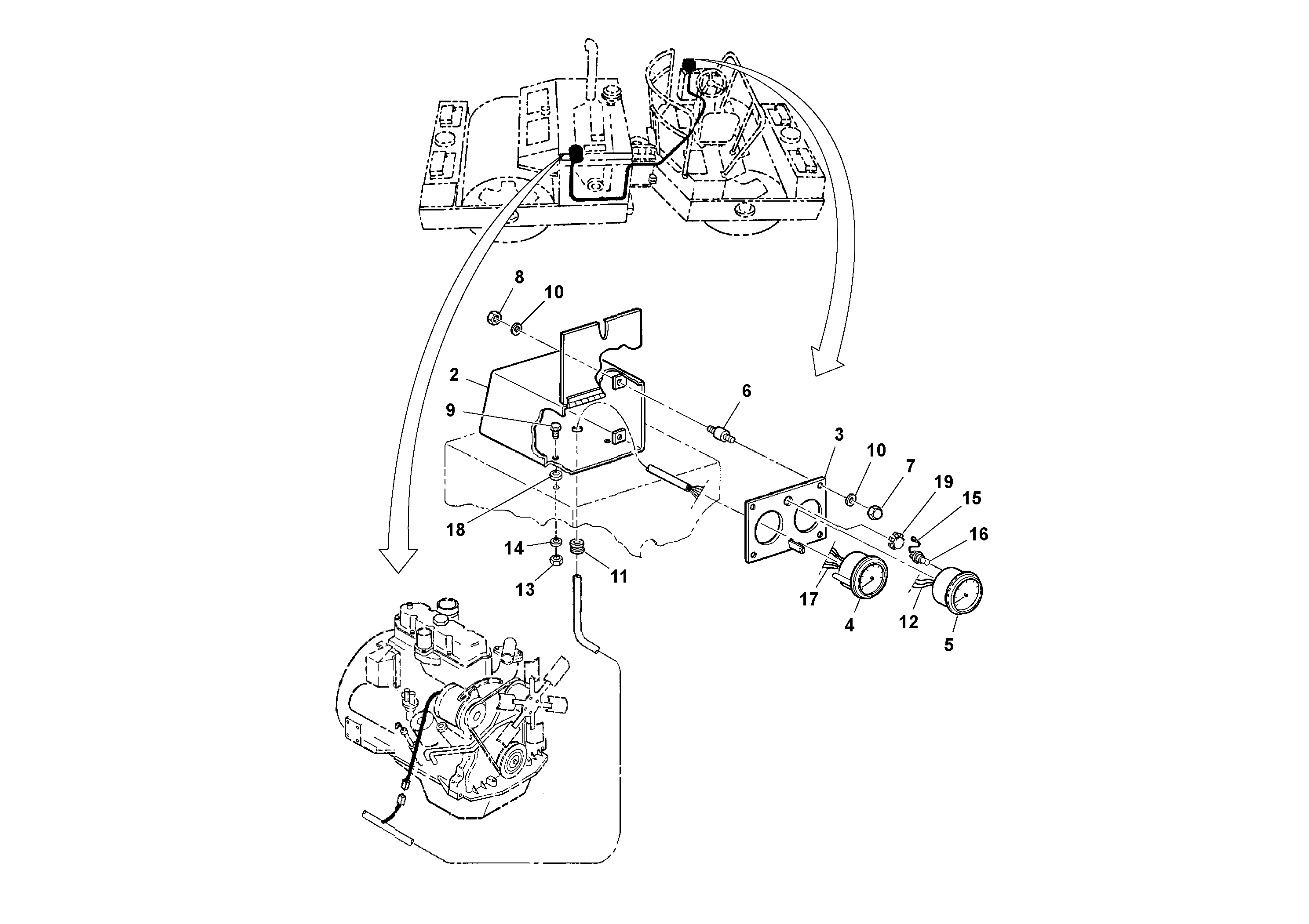
Запчасти Volvo DD90 91591 Speedometer/tachometer Installation DD90/DD90HF S/N 197375 -

Схема запчастей Volvo DD90 - 91591 Speedometer/tachometer Installation DD90/DD90HF S/N 197375 -
FIT
1:1
100%

Артикул

Название

Примечание

Количество

RM 58951229

Bulb socket

1шт.

RM 12963864

Lamp

1шт.

10

RM 95924239

Шайба

1шт.

11

RM 58956624

Уплотнительная втулка

1шт.

12

RM 59096339

Cable harness

1шт.

13

RM 59327825

Hexagon nut

1шт.

14

RM 95922324

Плоская шайба

1шт.

14

RM 95922324

Плоская шайба

1шт.

15

RM 58957291

Cable harness

LAMP POWE

1шт.

16

RM 59824268

Lamp

1шт.

17

RM 59096347

Cable harness

SPEEDOMETER

1шт.

18

RM 59329979

Вставка

1шт.

19

RM 59813279

Button

1шт.

2

RM 59587410

Картер (корпус)

1шт.

20

RM 58902453

Wire

1шт.

21

RM 59848713

Rocker switch

Blank

1шт.

3

RM 59587394

Panel

1шт.

4

RM 59170001

Speedometer

1шт.

5

RM 43931757

Tachometer

1шт.

6

RM 59579755

Rubber damper

1шт.

7

RM 95973921

Cap nut

1шт.

8

RM 59327833

Hexagon nut

1шт.

9

RM 95920377

Винт шестигранник

1шт.

9

RM 95920377

Винт шестигранник

1шт.

Выбрано товаров: 24