Запчасти Volvo DD95 S/N 20624 - 72184 Control Sprinkling

Схема запчастей Volvo DD95 S/N 20624 - - 72184 Control Sprinkling
FIT
1:1
100%

Артикул

Название

Примечание

Количество

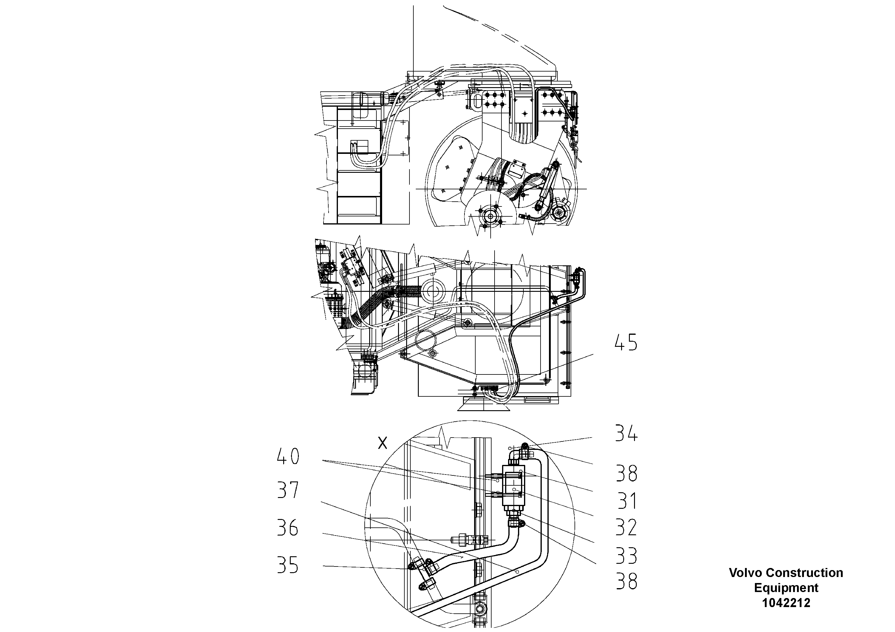
31

RM 13953724

Directional valve

1шт.

31

RM 13953724

Directional valve

1шт.

32

RM 13953872

Соленоид (электромагнитный клапан)

1шт.

32

RM 13953872

Соленоид (электромагнитный клапан)

1шт.

33

RM 80671225

Соединитель

1шт.

33

RM 80671225

Connector

1шт.

34

RM 59118240

Elbow

1шт.

34

RM 59118240

Elbow

1шт.

35

RM 80735160

Hose connection

1шт.

35

RM 80735160

Hose connection

1шт.

36

RM 80666696

Шланг

1шт.

36

RM 80666696

Шланг

1шт.

37

RM 80667215

Шланг

1шт.

37

RM 80667215

Шланг

1шт.

38

RM 13936992

Hose clamp

1шт.

38

RM 13936992

Hose clamp

1шт.

39

RM 96713698

Винт шестигранник (торцевой ключ)

1шт.

39

RM 96713698

Винт шестигранник (торцевой ключ)

1шт.

40

RM 80671431

Spacer tube

1шт.

40

RM 80671431

Spacer tube

1шт.

45

RM 13907514

Зажим

S/N 17533-

1шт.

45

RM 13907514

Зажим

S/N 17533-

1шт.

Выбрано товаров: 22