Запчасти Volvo DD95 S/N 20624 - 79202 Hydraulic diagram

Схема запчастей Volvo DD95 S/N 20624 - - 79202 Hydraulic diagram
FIT
1:1
100%

Артикул

Название

Примечание

Количество

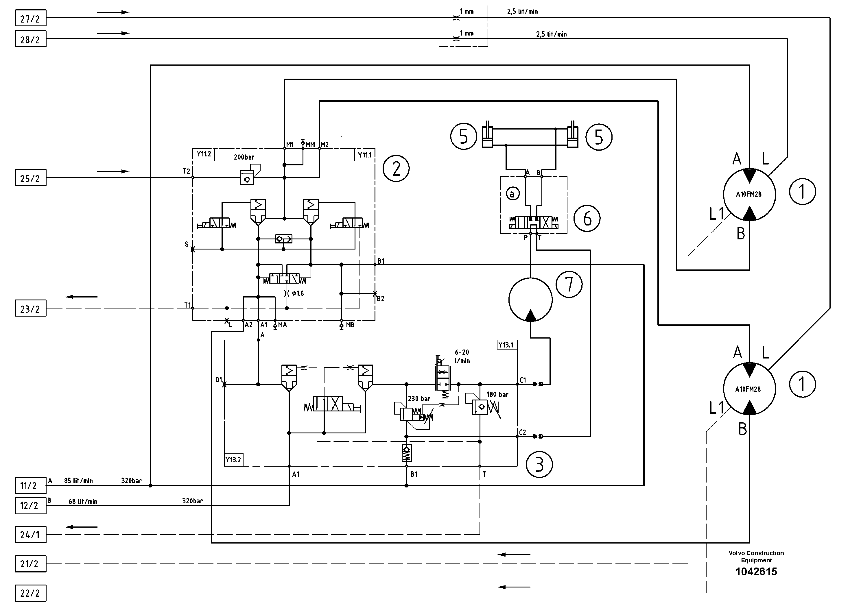
1

RM 80618671

Fixed Displ. Motor

1шт.

2

RM 80619620

Block

1шт.

2

RM 80619620

Корпус клапана

1шт.

3

RM 80672785

Control Block

1шт.

5

RM 80760382

Гидроцилиндр

1шт.

5

RM 80760382

Гидроцилиндр

1шт.

6

RM 14272702

Клапан

NG6/12V

1шт.

6

RM 14272702

Клапан

NG6/12V

1шт.

7

RM 80760408

Гидромотор

1шт.

7

RM 80760408

Гидромотор

1шт.

Выбрано товаров: 10