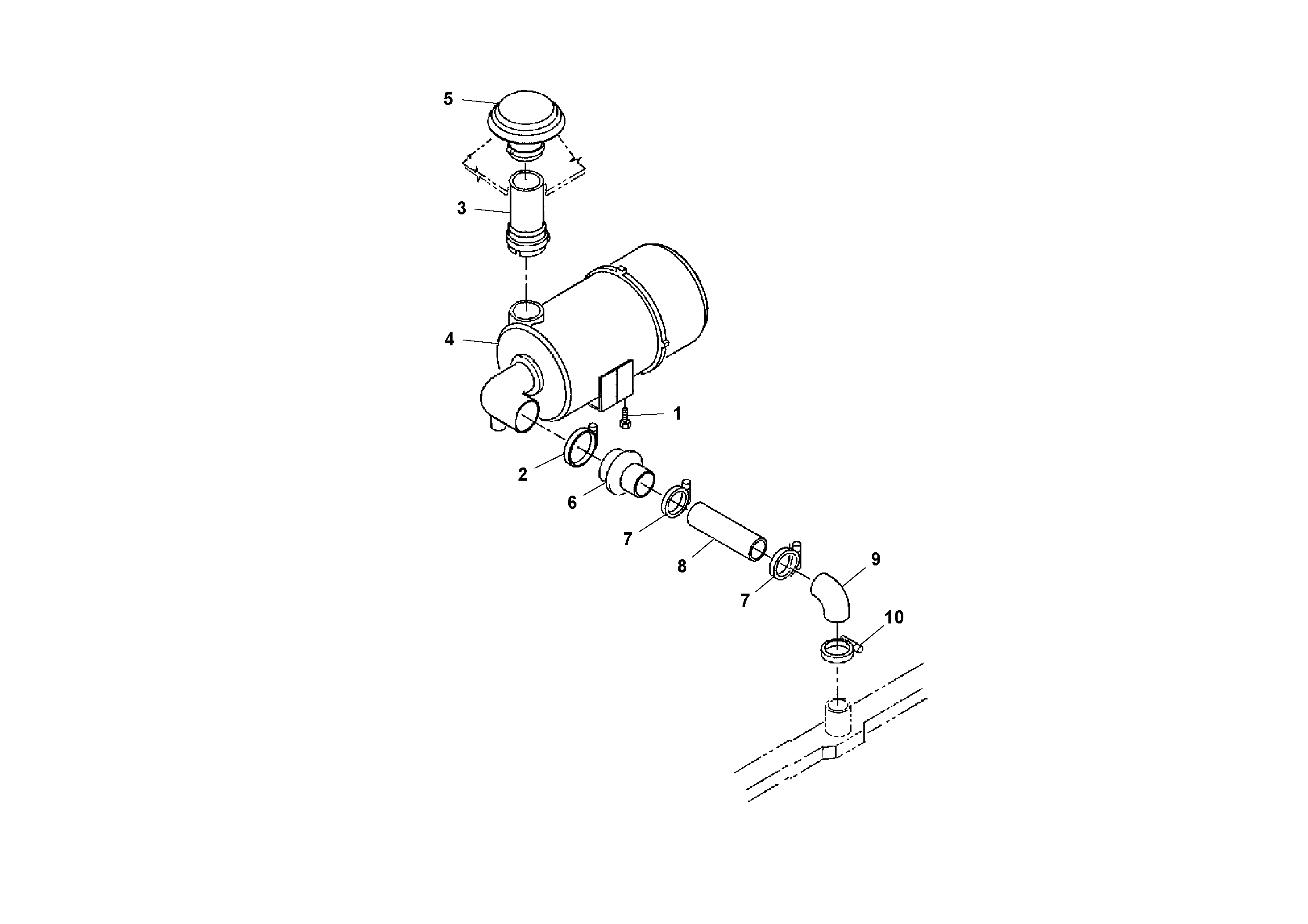
Запчасти Volvo PT125R S/N 197470- 54129 Air cleaner installation

Схема запчастей Volvo PT125R S/N 197470- - 54129 Air cleaner installation
FIT
1:1
100%

Артикул

Название

Примечание

Количество

RM 43921485

Фильтр воздушный

1шт.

RM 43930353

Safety filter

1шт.

RM 59144139

Крышка

1шт.

RM 59144147

Клапан

1шт.

RM 59154864

Indicator

1шт.

1

RM 96704408

Болт

1шт.

10

RM 54680061

Зажим

1шт.

2

RM 54680103

Зажим

1шт.

3

RM 59132852

Air tube

1шт.

4

RM 43930346

Air cleaner

1шт.

5

RM 59132910

Rain cap

1шт.

6

RM 59456889

Reducer

1шт.

7

RM 54680087

Зажим

1шт.

8

RM 59265645

Air tube

1шт.

9

RM 54513379

Elbow

1шт.

Выбрано товаров: 15