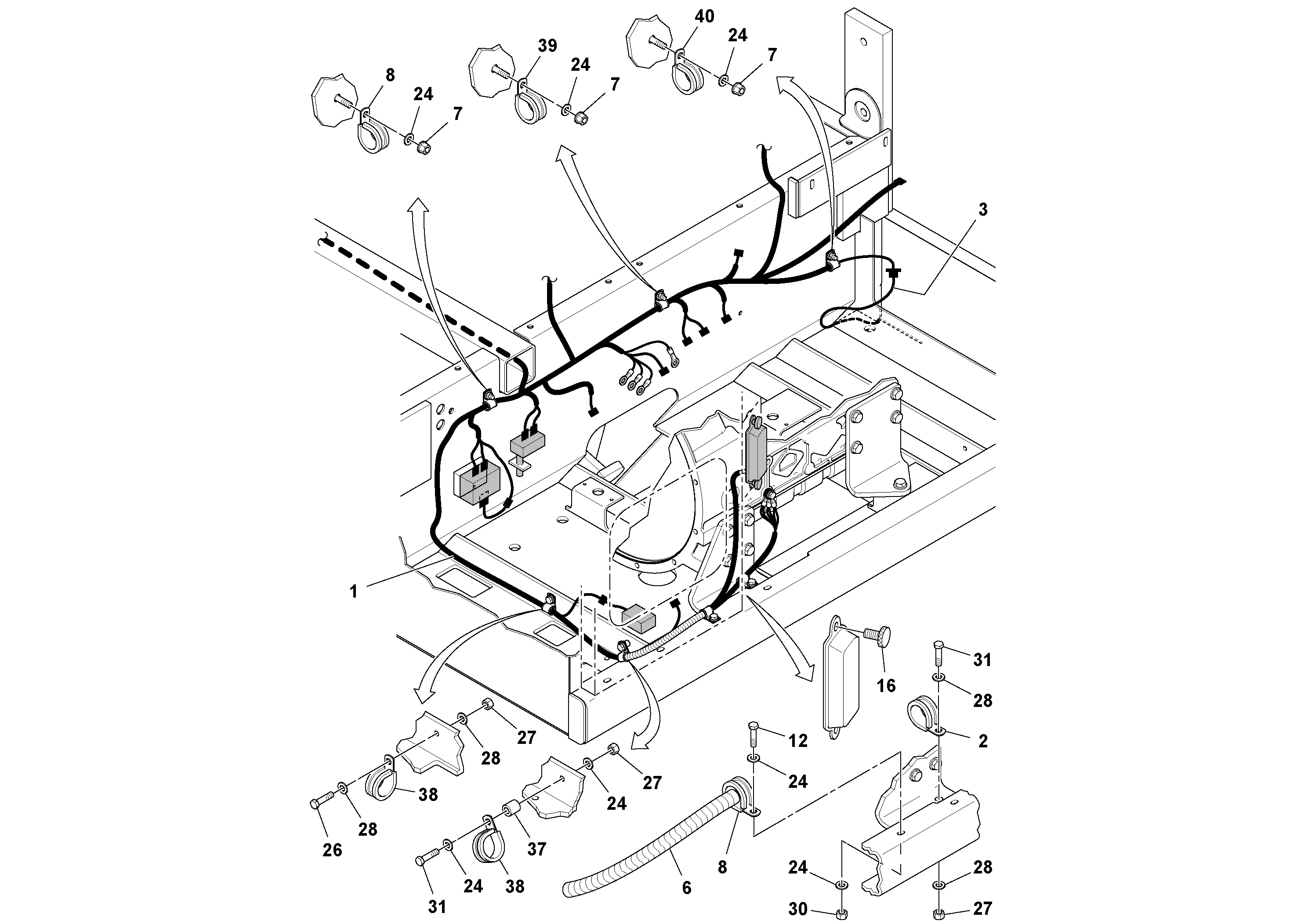
Запчасти Volvo PT125R S/N 197470- 41326 Cabling Installation

Схема запчастей Volvo PT125R S/N 197470- - 41326 Cabling Installation
FIT
1:1
100%

Артикул

Название

Примечание

Количество

1

RM 43933605

Cable

1шт.

12

RM 96701917

Винт шестигранник

1шт.

12

RM 96701917

Винт шестигранник

1шт.

16

RM 96745518

Винт шестигранник

1шт.

2

RM 59117317

Зажим

1шт.

2

RM 59117317

Зажим

1шт.

24

RM 96714399

Плоская шайба

1шт.

24

RM 96714399

Плоская шайба

1шт.

26

RM 96702659

Винт шестигранник

1шт.

26

RM 96702659

Винт шестигранник

1шт.

27

RM 96701370

Гайка

1шт.

27

RM 96701370

Гайка

1шт.

27

RM 96701370

Nut

1шт.

28

RM 96741038

Шайба

1шт.

28

RM 96741038

Шайба

1шт.

3

RM 13470323

Cable harness

1шт.

30

RM 96704614

Гайка

1шт.

30

RM 96704614

Гайка

1шт.

31

RM 96705587

Винт шестигранник

1шт.

31

RM 96705587

Винт шестигранник

1шт.

37

RM 13292354

Вставка

1шт.

38

RM 59465641

Зажим

1шт.

39

RM 59121855

Зажим

1шт.

39

RM 59121855

Зажим

1шт.

40

RM 59661413

Зажим

1шт.

6

RM 58848995

Hose protection

1шт.

7

RM 59807941

Гайка

1шт.

8

RM 59465674

Зажим

1шт.

8

RM 59465674

Зажим

1шт.

Выбрано товаров: 29