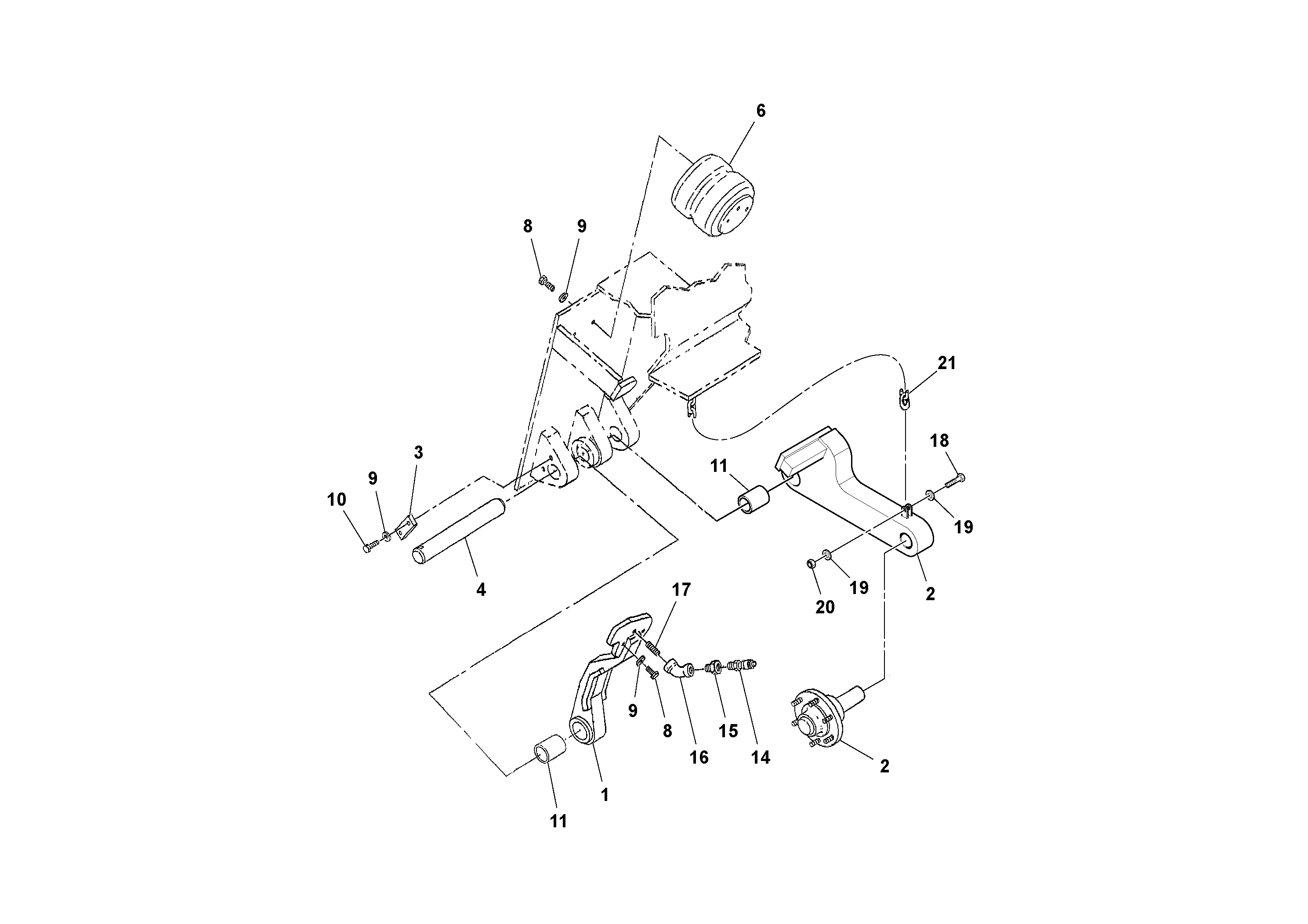
Запчасти Volvo PT125R S/N 197470- 54916 Suspension System Installation

Схема запчастей Volvo PT125R S/N 197470- - 54916 Suspension System Installation
FIT
1:1
100%

Артикул

Название

Примечание

Количество

1

RM 13188115

Рукоять

UPPER

1шт.

10

RM 95919239

Винт шестигранник

1шт.

11

RM 59302539

Подшипник

1шт.

14

RM 59303388

Клапан

1шт.

15

RM 95037784

Втулка

1шт.

16

RM 95030664

Elbow

1шт.

17

RM 95056545

Nipple

1шт.

18

RM 96705116

Винт шестигранник

1шт.

18

RM 96705116

Винт шестигранник

1шт.

19

RM 96711833

Шайба

1шт.

19

RM 96711833

Шайба

1шт.

2

RM 59285544

Рукоять

TRAILING

1шт.

20

RM 96704614

Гайка

1шт.

20

RM 96704614

Гайка

1шт.

21

RM 13437850

Chain

1шт.

3

RM 59301408

Shaft retainer

1шт.

4

RM 59301390

Вал

1шт.

6

RM 59302786

Изолятор

1шт.

8

RM 95919254

Винт шестигранник

1шт.

9

RM 95922373

Плоская шайба

1шт.

9

RM 95922373

Плоская шайба

1шт.

Выбрано товаров: 21