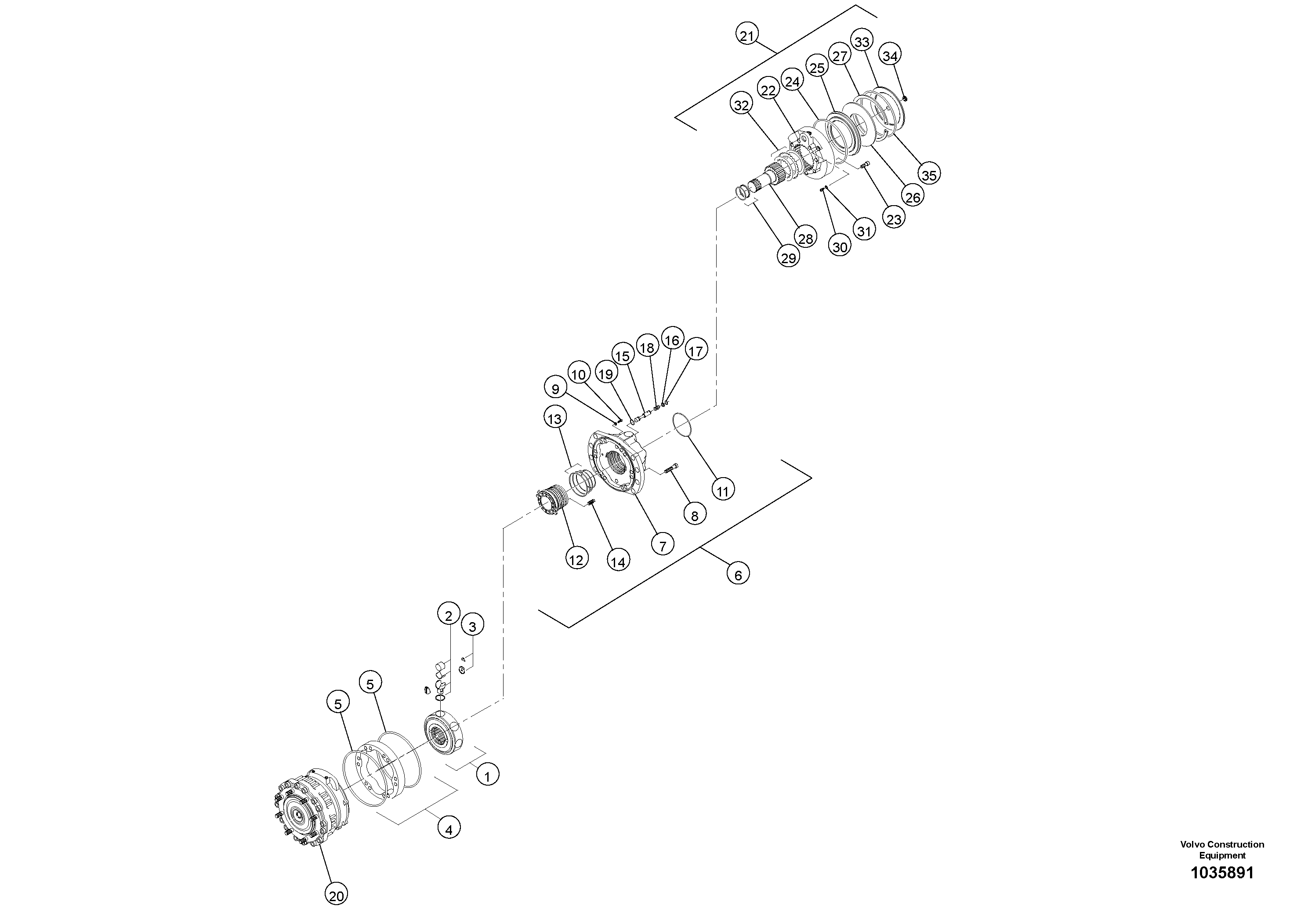
Запчасти Volvo PT220RH/PT240RH 97292 Hydraulic Motor - Internal Breakdown

Схема запчастей Volvo PT220RH/PT240RH - 97292 Hydraulic Motor - Internal Breakdown
FIT
1:1
100%

Артикул

Название

Примечание

Количество

1

RM 59234518

Ремкомплект

1шт.

11

RM 70905922

Кольцо уплотнительное (О-кольцо)

1шт.

13

RM 70913934

Sealing kit

1шт.

19

RM 70913983

Кольцо уплотнительное (О-кольцо)

1шт.

20

RM 70906052

Опора

1шт.

21

RM 70913991

Brake kit

1шт.

24

RM 70914023

Кольцо уплотнительное (О-кольцо)

1шт.

26

RM 70914049

Шайба пружинная

1шт.

29

RM 70914072

Sealing Kit

1шт.

32

RM 70914106

Brake disc kit

1шт.

4

RM 70913850

Cam ring

1шт.

5

RM 70913868

Кольцо уплотнительное (О-кольцо)

1шт.

6

RM 70913876

Клапан

1шт.

Выбрано товаров: 13