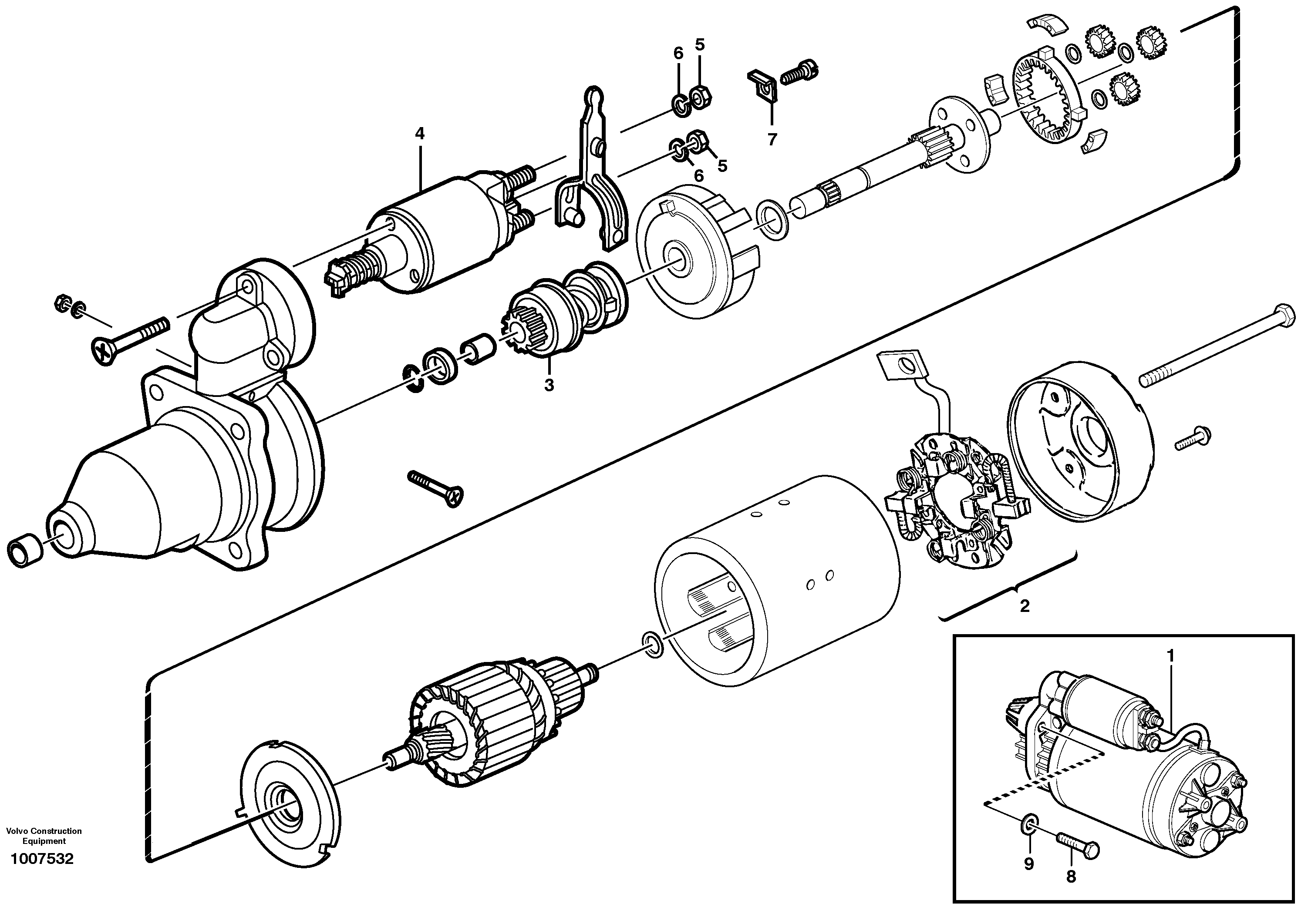
Запчасти Volvo BL61 8900 Starter motor with assembling details BL61PLUS

Схема запчастей Volvo BL61 - 8900 Starter motor with assembling details BL61PLUS
FIT
1:1
100%

Артикул

Название

Примечание

Количество

1

VOE 20405828

Starter Motor

1шт.

1

VOE 20405828

Starter Motor

1шт.

2

VOE 20460117

Brush Retainer

1шт.

2

VOE 20460117

Brush Retainer

1шт.

3

VOE 20460116

Starter Pinion

1шт.

3

VOE 20460116

Starter Pinion

1шт.

4

VOE 20460115

Реле

1шт.

4

VOE 20460115

Реле

1шт.

5

VOE 20460118

Hexagon Nut

1шт.

5

VOE 20460118

Hexagon Nut

1шт.

6

VOE 20460119

Стопорная шайба (кольцо)

1шт.

6

VOE 20460119

Стопорная шайба (кольцо)

1шт.

7

VOE 20460120

Зажим

1шт.

7

VOE 20460120

Зажим

1шт.

8

VOE 20593357

Винт шестигранник

1шт.

9

VOE 20459061

Шайба

1шт.

9

VOE 20459061

Шайба

1шт.

Выбрано товаров: 17